全球最实用的IT互联网站!
人工智能P2P分享搜索全网发布信息网站地图标签大全
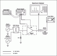
GaN功率器件应用可靠性增长研究
阅读全文2023-03-03
基于磁控智能材料软体机器人的设计与制造
从EDA工具的计算任务视角解析模拟IC
基于EV10AQ190的高速ADC接口设计
基本元器件介绍:晶体二极管
LED照明驱动芯片U6113介绍
介绍下18W内置4A MOS电源管理ic U6237D
SD12T1G 国产静电ESD防护器件品牌 东沃DOWO
阅读全文2023-03-02
MAX2371中频AGC放大器,频率为220MHz
用硅振荡器代替晶体和陶瓷谐振器
数字电压表设计教程之LTC2308数据手册解读
慧能泰负载开关HUSB305A产品介绍
德州仪器新型单级转换器助力微型逆变器
IGBT短路失效分析
CPU | 内存 | 硬盘 | 显卡 | 显示器 | 主板 | 电源 | 键鼠 | 网站地图
Copyright © 2025-2035 诺佳网 版权所有 备案号:赣ICP备2025066733号 本站资料均来源互联网收集整理,作品版权归作者所有,如果侵犯了您的版权,请跟我们联系。