全球最实用的IT互联网站!
人工智能P2P分享搜索全网发布信息网站地图标签大全
晶闸管的作用是什么 晶闸管和可控硅的区别
阅读全文2023-02-15
平滑后的 DC/DC 转换(稳定化)方式-所谓线性稳压器
平滑后的DC/DC转换(稳定化)方式
基于XPT2046芯片的电位器AD转换装置设计
国产功率器件供应商无锡新洁能荣获宁波德业年
阅读全文2023-02-14
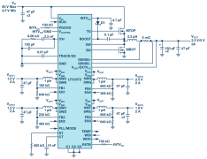
LTC3372汽车信息娱乐系统一体化电源解决方案
EMC计算方法和EMC仿真(8)三维(3D)制图
EMC计算方法和EMC仿真(7)
剖析一下CPU对代码的识别和读取
阅读全文2023-02-13
安泰电子新品来袭:国产自研ATA-P系列压电叠堆放
数字电压表设计教程之LTC2308数据手册解读
慧能泰负载开关HUSB305A产品介绍
德州仪器新型单级转换器助力微型逆变器
IGBT短路失效分析
CPU | 内存 | 硬盘 | 显卡 | 显示器 | 主板 | 电源 | 键鼠 | 网站地图
Copyright © 2025-2035 诺佳网 版权所有 备案号:赣ICP备2025066733号 本站资料均来源互联网收集整理,作品版权归作者所有,如果侵犯了您的版权,请跟我们联系。