全球最实用的IT互联网站!
人工智能P2P分享搜索全网发布信息网站地图标签大全
谈一下动态库的构建
阅读全文2023-01-18
用C语言程序如何模拟棋盘密码呢?
科普一下放射密码的原理及其实现方法
链式存储字符串的简单实现
稀疏矩阵包含了哪几种基本的运算操作呢
简单探讨一下直方图及其反向投影的应用
如何用frp实现内网穿透呢?
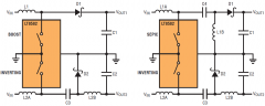
LT8582双通道转换器在单片式双通道解决方案中的
阅读全文2023-01-17
三极管典型的放大应用电路分析(二)
三极管典型的放大应用电路分析(一)
数字电压表设计教程之LTC2308数据手册解读
慧能泰负载开关HUSB305A产品介绍
德州仪器新型单级转换器助力微型逆变器
IGBT短路失效分析
CPU | 内存 | 硬盘 | 显卡 | 显示器 | 主板 | 电源 | 键鼠 | 网站地图
Copyright © 2025-2035 诺佳网 版权所有 备案号:赣ICP备2025066733号 本站资料均来源互联网收集整理,作品版权归作者所有,如果侵犯了您的版权,请跟我们联系。