全球最实用的IT互联网站!
人工智能P2P分享搜索全网发布信息网站地图标签大全
放大器的基本概念
阅读全文2023-01-12
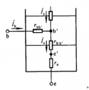
三极管H参数的物理意义及求解方法
简化三极管H参数等效模型
三级管H参数等效模型详解
从电路原理讲述二端口网络
国产∑-Δ模数转换器参数、应用范围及兼容替代
关于反相器电路原理图解
阅读全文2023-01-11
模拟芯片设计流程解析
浅谈触发器的工作原理
详细说明功率放大器有哪些类型
数字电压表设计教程之LTC2308数据手册解读
慧能泰负载开关HUSB305A产品介绍
德州仪器新型单级转换器助力微型逆变器
IGBT短路失效分析
CPU | 内存 | 硬盘 | 显卡 | 显示器 | 主板 | 电源 | 键鼠 | 网站地图
Copyright © 2025-2035 诺佳网 版权所有 备案号:赣ICP备2025066733号 本站资料均来源互联网收集整理,作品版权归作者所有,如果侵犯了您的版权,请跟我们联系。