名品拆解:基于CW32系列MCU的MAZZON玛森智能锁,高
阅读全文2022-08-09
智能化模拟产品|芯海科技SmartAnalog®系列CS32A0X0工
阅读全文2022-08-08
阅读全文2022-08-07
阅读全文2022-08-06
阅读全文2022-08-05
阅读全文2022-08-05
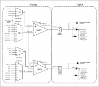
AT32讲堂020 | 如何使用AT32F415比较器(CMP)
阅读全文2022-08-05
阅读全文2022-08-05
阅读全文2022-08-03