全球最实用的IT互联网站!
人工智能P2P分享搜索全网发布信息网站地图标签大全
EDA上云的需求与挑战
阅读全文2022-07-07
锐成芯微科创板IPO受理!2021年净利翻涨11倍,募
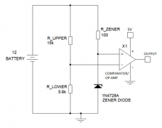
适用于简单直流电压应用的比较器电路
阅读全文2022-07-06
SC3534数模转换器在红外检测设备的应用
思睿观通,平步青云——ProMe系列异构SoM优势尽显
沐渥科技对人工智能的现状分析和未来展望
阅读全文2022-07-04
分享一个电谐波图形均衡器的示意图
RT-Thread记录(十四、I/O 设备模型之ADC设备)
【模电设计】搞懂模电,先搞懂三极管和MOS管
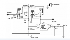
非常简单的150W功放电路图分享
阅读全文2022-07-02
数字电压表设计教程之LTC2308数据手册解读
慧能泰负载开关HUSB305A产品介绍
德州仪器新型单级转换器助力微型逆变器
IGBT短路失效分析
CPU | 内存 | 硬盘 | 显卡 | 显示器 | 主板 | 电源 | 键鼠 | 网站地图
Copyright © 2025-2035 诺佳网 版权所有 备案号:赣ICP备2025066733号 本站资料均来源互联网收集整理,作品版权归作者所有,如果侵犯了您的版权,请跟我们联系。