全球最实用的IT互联网信息网站!
AI人工智能P2P分享&下载搜索网页发布信息网站地图
基于超构材料的红外和雷达兼容隐身材料应用
阅读全文2023-12-02
红外热像仪在车辆安全领域的应用
电源纹波测试的方法介绍
阅读全文2023-12-01
纹波电压测试方法介绍
VX9000系列光学扫描成像测量机,满足PCB行业多样
如何利用热像仪评估供暖系统效率?
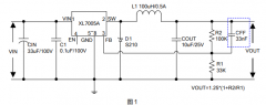
电源设计中输出过冲原因及改善措施
阅读全文2023-11-30
示波器高压探头的操作说明及使用注意事项
阅读全文2023-11-29
影响ATE电源系统吞吐量的关键因素
基于CW32多功能测试示波笔
阅读全文2023-11-28
替代水浸泡水法,气密性检测仪成产品防
高温热重分析仪是什么
示波器怎么看峰峰值呢?
输出过冲原因及改善措施
CPU | 内存 | 硬盘 | 显卡 | 显示器 | 主板 | 电源 | 键鼠 | 网站地图
Copyright © 2025-2035 诺佳网 版权所有 备案号:赣ICP备2025066733号 本站资料均来源互联网收集整理,作品版权归作者所有,如果侵犯了您的版权,请跟我们联系。