全球最实用的IT互联网站!
人工智能P2P分享搜索全网发布信息网站地图标签大全
【节能学院】安科瑞电能管理系统在岳林地块拆
阅读全文2023-01-12
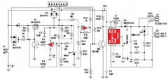
分析4种5V太阳能路灯电路图
阅读全文2023-01-11
正序负序零序的理解 电力三相不平衡的各种保护
1OkV变压器油绝缘试验 变压器油试验的意义
阅读全文2023-01-10
静电法兰跨接线-U形插口法兰连接线
阅读全文2023-01-09
一文解析变电站的作用及分类
【节能学院】启东某生物制药公司宿舍楼电能管
阅读全文2023-01-07
中小容量分布式光伏电站监测系统介绍
APView500系列电能质量监测装置电压波动监测,电
阅读全文2023-01-06
变压器kVA和kW之间的关系及区别
上海贝岭新一代国网电表内置负荷开关驱
车机DAB功能验证方法论及测试三神器简介
泰克示波器+IMDA软件优化光伏发电系统的
【新闻中心】智唤建筑 电联未来|2025年江
CPU | 内存 | 硬盘 | 显卡 | 显示器 | 主板 | 电源 | 键鼠 | 网站地图
Copyright © 2025-2035 诺佳网 版权所有 备案号:赣ICP备2025066733号 本站资料均来源互联网收集整理,作品版权归作者所有,如果侵犯了您的版权,请跟我们联系。