TPS57040-Q1 器件是一款具有集成高侧的 42V 0.5A 降压稳压器 MOSFET 的电流模式控制提供简单的外部补偿和灵活的组件 选择。低纹波脉冲跳跃模式将空载输入电源电流降至 116 μA。使用 当使能引脚为低电平时,使能引脚的关断电源电流降至 1.5 μA。
欠压锁定在内部设置为 2.5 V,但可以使用使能来增加 针。输出电压启动斜坡由慢速启动引脚控制,该引脚也可以 配置用于排序/跟踪。开漏电源良好信号指示输出在 其标称电压的 92% 至 109%。
*附件:tps57040-q1.pdf
宽开关频率范围允许效率和外部组件尺寸 优化。频率折返和热关断可在过载期间保护器件 条件。
TPS57040-Q1 采用 10 引脚热增强型 MSOP PowerPAD™ 封装 (DGQ) 和 10 引脚 SON 封装 (DRC)。
特性
- 适用于汽车应用
- 符合 AEC-Q100 标准,结果如下
- 器件温度等级 1:-40°C 至 125°C
环境工作温度范围 - 器件 HBM ESD 分类 2 级
- 器件 CDM ESD 分类等级 C4B
- 3.5V 至 42V 输入电压范围
- 200mΩ 高侧 MOSFET
- 轻负载时效率高,采用
脉冲跳跃 Eco 模式™控制方案 - 116μA 工作静态电流
- 1.5μA 关断电流
- 100kHz 至 2.5MHz 开关频率
- 与 External Clock 同步
- 可调慢速启动/排序
- 欠压和过压电源正常输出
- 可调欠压锁定电压和迟滞
- 0.8V 内部电压基准
参数

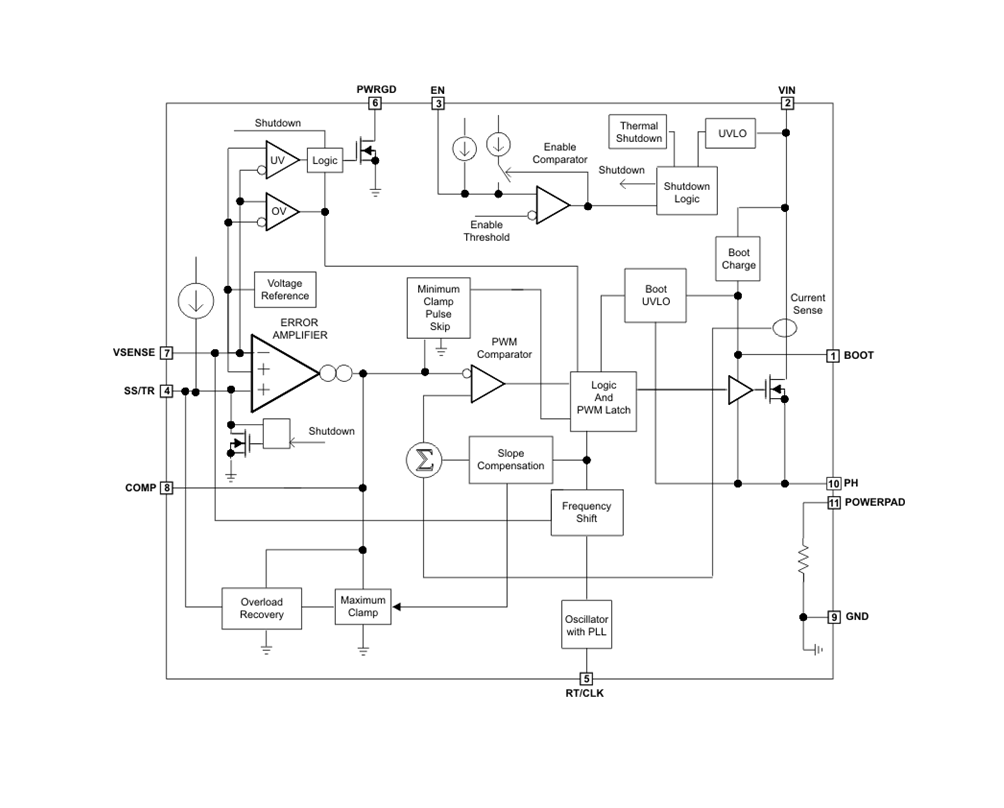
方框图

一、产品概述
TPS57040-Q1 是一款专为汽车应用设计的 42V、0.5A 降压 DC-DC 转换器,集成有高侧 MOSFET。该转换器适用于宽输入电压范围(3.5V 至 42V),支持 Eco-mode™ 控制,以提高轻载时的效率。产品通过 AEC-Q100 认证,适用于 -40°C 至 125°C 的温度范围。
二、主要特性
- 集成高侧 MOSFET:减少外部组件数量,提高整体效率。
- Eco-mode™ 控制:在轻载条件下通过脉冲跳跃模式降低静态电流,提高能效。
- 宽输入电压范围:支持 3.5V 至 42V 的输入电压,适应多种应用需求。
- 低静态电流:启用引脚处于低电平时,关机电流降至 1.5μA。
- 可调输出电压和欠压锁定:输出电压可调,欠压锁定电压可通过启用引脚调整。
- 同步至外部时钟:支持与外部时钟同步,便于系统设计。
- 热关断和过流保护:提供过热和过流保护,确保电路安全。
三、电气特性
- 最大输出电流:0.5A。
- 开关频率范围:100kHz 至 2.5MHz 可调。
- 内部参考电压:0.8V。
- 热阻:MSOP-PowerPAD™ 封装为 1.7°C/W,SON 封装为 0.9°C/W。
四、功能描述
- 固定频率 PWM 控制:采用电流模式控制,简化外部补偿设计。
- 低压降操作:支持高达 100% 的占空比,实现低压降。
- 软启动和跟踪:慢启动引脚支持输出电压的缓慢上升,同时可用于电源排序和跟踪。
- 过压瞬态保护:防止输出过压瞬态,保护电路稳定。
- 热关断和欠压锁定:在过热或输入电压过低时自动关断,保护电路不受损害。
五、应用信息
- 典型应用:包括汽车信息娱乐系统、ADAS、无线充电和工业 DC 电源系统等。
- 设计指南:提供了详细的设计步骤和组件选择指南,包括电感、输出电容、输入电容等。
- 布局考虑:强调了布局对性能的重要性,提供了布局指南和示例。
六、封装与尺寸
- 封装类型:MSOP-PowerPAD™(DGQ)和 SON(DRC)。
- 封装尺寸:均为 3.00mm × 3.00mm。
七、文档支持
- 相关文档:提供了相关的技术文档、设计资源和软件工具链接。
- 社区资源:链接到 TI 社区资源,包括 TI E2E™ 在线社区。
- 商标信息:列出了文档中的商标信息。
- 静电放电警告:提醒处理集成电路时需注意静电放电防护。