UCC2732x-Q1 系列高速驱动器采用行业标准引脚布局,可提供 9A 的峰值驱动电流。这些驱动器可以驱动大型 MOSFET,适用于由于高 dV/dt 转换而需要极高米勒电流的系统。这消除了额外的外部电路,可以替换多个组件,以减少空间、设计复杂性和装配成本。提供两种标准逻辑选项:反相 (UCC27321-Q1) 和同相 (UCC27322-Q1)。
*附件:ucc27322-q1.pdf
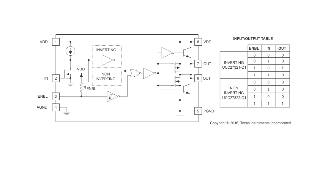
这些器件采用最小化击穿电流的设计,在 MOSFET 开关转换期间,可在米勒平台区域最需要的地方提供高栅极驱动电流。独特的双极和 MOSFET 晶体管并联混合输出级 (TrueDrive) 可在低电源电压下实现高效电流传输。借助这种驱动器架构,UCC2732x-Q1 可用于行业标准的 6A、9A 和许多 12A 驱动器应用。还包括闩锁和 ESD 保护电路。最后,UCC2732x-Q1 提供使能 (ENBL) 功能,以更好地控制驱动程序应用的运行。ENBL 在引脚 3 上实现,该引脚以前在行业标准引脚分配中未使用。它在内部上拉至 VDD 以实现高电平有效逻辑,并且可以保持开路以进行标准作。
除了 8 引脚 SOIC (D) 封装产品外,UCC2732x-Q1 还采用热增强型微型 8 引脚 MSOP-PowerPAD (DGN) 封装。PowerPAD 封装大大降低了热阻,以扩展温度工作范围并提高长期可靠性。
特性
- 适用于汽车应用
- 符合 AEC-Q100 标准,结果如下:
- 器件温度等级 1:-40°C 至 125°C 环境工作温度范围
- 器件 HBM ESD 分类 2 级
- 器件 CDM ESD 分类等级 C6
- 行业标准引脚排列,增加使能功能
- 使用 TrueDrive™ 技术在 Miller Plateau 地区实现 ±9 A 的高峰值电流驱动能力
- 使用独特的双极和 CMOS 输出级实现高效的恒流源
- TTL 和 CMOS 兼容输入,不受电源电压的影响
- 10nF 负载时,上升时间为 20ns(典型值),下降时间为 15ns(典型值)
- 典型传播延迟时间为 25 ns(输入下降时)和 35 ns(输入上升时)
- 4V 至 15V 电源电压
- 采用耐热性能增强型 MSOP PowerPAD™ 封装
- TrueDrive 输出架构采用双极和 CMOS 晶体管并联
参数

方框图

一、产品概述
1. 基本信息
- 产品系列:UCCx-Q
- 型号:UCC-Q1
- 功能:单通道A高速低端MOSFET驱动器,带使能功能
- 应用领域:开关模式电源、DC-DC转换器、电机控制器、线路驱动器、Class-D开关放大器等
2. 特点和优势
- AEC-Q认证:适用于汽车应用
- 高峰值电流驱动能力:在Miller平台区域可达±A
- TrueDrive输出架构:结合双极性和CMOS晶体管,实现高效恒流源
- TTL和CMOS兼容输入:独立于电源电压
- 快速响应:典型上升时间0ns,下降时间5ns
- 宽电压范围:供电电压V至V
- 热增强型封装:MSOP PowerPAD封装,降低热阻
二、引脚配置与功能
1. 引脚配置
- VDD(引脚1、8):电源电压输入
- IN(引脚2):输入信号,非反相
- ENBL(引脚):使能输入,内部上拉至VDD
- OUT(引脚6、7):驱动输出,需外部连接
- AGND(引脚):模拟地
- PGND(引脚):功率地
- PowerPAD(仅DGN封装):热焊盘,电气和热连接到设备基板
2. 功能描述
- IN:非反相输入,具有逻辑兼容的阈值和迟滞
- ENBL:使能输入,控制驱动器输出。当ENBL为高电平时,设备启用;当ENBL为低电平时,设备禁用,输出状态为低
- OUT:驱动输出,能够提供高达9A的峰值驱动电流至MOSFET栅极
三、电气特性
1. 静态工作电流
- 在不同条件下(如IN和ENBL的不同组合),静态工作电流范围为μA至μA
2. 输入和输出特性
- 输入阈值电压:VIH为1.6V至.V,VIL为.V至2.0V
- 输出峰值电流:在VDD=V时可达A
- 传播延迟时间:输入上升时为ns至ns,输入下降时为5ns至5ns
3. 开关特性
- 上升时间:典型值为ns,最大值为ns
- 下降时间:典型值为ns,最大值为ns
四、应用与实现
1. 应用信息
- 高电流栅极驱动器在开关电源应用中至关重要,可实现快速开关、减少功率损失,并提供必要的电平转换和缓冲驱动功能
2. 典型应用
- 提供了UCC-Q1在典型应用中的电路图,包括输入、使能、电源和输出连接
3. 设计要求
- 在选择栅极驱动器时,需考虑输入到输出配置、输入阈值类型、电源电压、峰值源电流和沉电流、使能功能、传播延迟、功率耗散和封装类型等设计参数
五、封装与订购信息
1. 封装选项
- SOIC- :标准小外形集成电路封装
- MSOP-PowerPAD-8:热增强型微型小外形功率焊盘封装
2. 订购信息
- 提供了不同封装选项的订购信息,包括状态、材料类型、封装尺寸、载带和卷盘信息、RoHS状态、引脚镀层材料等
六、文档与支持
1. 相关文档
2. 支持资源
- 包括TI E2E支持论坛链接,用户可以在此获取快速验证的答案和设计帮助