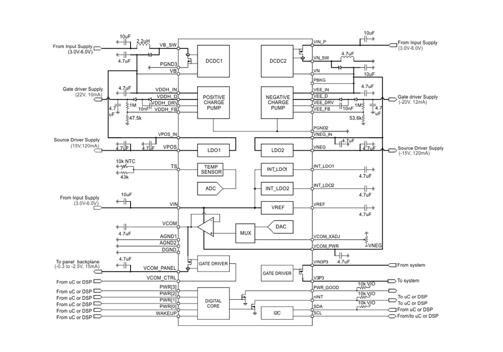
TPS6518x 和 TPS65181xB 系列器件是单芯片电源,旨在 用于便携式电子阅读器应用的 E Ink Vizplex 显示器,支持高达 9.7 的面板尺寸 英寸。两个高效 DC-DC 升压转换器可生成 ±17V 电源轨,升压至 22V 以及 –20 V,通过两个更换泵为 Vizplex 面板提供栅极驱动器电源。二跟踪 LDO 产生 ±15V 源电源,支持高达 120mA 的输出电流。都 导轨可通过 I 调节^2^C 接口,以适应特定的 面板要求。
*附件:tps65180b.pdf
精确的背板偏置由线性放大器提供,并且可以进行调整 通过外部电阻器或 I^2^C 接口。VCOM 驱动程序可以源 或灌电流,具体取决于面板状况。对于生产线中的 VCOM 自动调整, VCOM 可在 –0.3 V 至 –2.5 V 范围内设置,并通过串行接口进行 8 位控制。功率 集成开关以将 VCOM 驱动程序与 E Ink 面板。^®^
TPS6518x 和 TPS65181xB 器件提供精确的温度测量功能,以便 在运行过程中监控面板温度。TPS65180 和 TPS65180B 需要主机 处理器通过 I 触发温度采集^2^C 写入 而 TPS65181 和 TPS65181B 每 60 秒自动更新一次温度。
特性
- 用于 E Ink Vizplex™ 电子纸显示器的单芯片电源管理解决方案^®^
- 从
单个低电压输入电源产生正负栅极和
源极驱动器电压以及背板偏置 - 3V 至 6V 输入电压范围
- 用于正轨基座的升压转换器
- 用于负轨
基极的反相降压-升压转换器 - 两个用于源极驱动器电源的可调 LDO
- LDO1:15 V、120 mA (VPOS)
- LDO2:–15 V、120 mA (VNEG)
- 精确的输出电压跟踪
- 两个电荷泵用于栅极驱动器电源
- CP1:22 V、10 mA (VDDH)
- CP2:–20 V、12 mA、(VEE)
- 可调节的 VCOM 驱动器,用于精确的面板-背板偏置
- -0.3 V 至 -2.5 V
- ±1.5% 精度 (±18 mV)
- 8 位控制(11mV 标称步长)
- 最大 15mA 集成开关
- 用于禁用系统电源轨的集成
3.3V 电源开关 - 热敏电阻监控
- 温度范围:–10°C 至 +85°C
- ±1°C 精度(0°C 至 50°C)
- 我^2^C 串行接口
- 灵活的上电排序
- 中断和睡眠模式支持
- 用于高效热
管理的热增强型封装(48 引脚 7 mm × 7 mm × 0.9 mm VQFN) - 应用
- Active Matrix E Ink Vizplex
面板的电源 - EPD 电源
- 电子书阅读器
- EPSON S1D13522 (ISIS) 时序控制器^®^
- EPSON S1D13521 (Broadsheet) 时序控制器
- 具有集成
或软件时序控制器 (OMAP) 的应用处理器
参数

方框图

1. 产品概述
- 类型:PMIC(电源管理集成电路)
- 应用:专为E Ink Vizplex电子纸显示屏设计的单芯片电源管理解决方案
- 特点:支持3V至6V的输入电压范围,集成多个DC-DC转换器、LDO、电荷泵和温度传感器
2. 主要功能
- 电源输出:
- 两个可调LDO(VPOS和VNEG),分别输出±15V,最大电流120mA
- 两个电荷泵(VDDH和VEE),分别输出22V和-20V
- DCDC1(正升压转换器)和DCDC2(反相降压-升压转换器)
- VCOM驱动:可调VCOM驱动,用于准确面板背偏置,输出范围-2.5V至-0.3V
- 温度监测:集成10kΩ NTC热敏电阻监测电路,提供±1°C(0°C至50°C范围内)的温度测量
3. 控制与接口
- I2C接口:支持通过I2C接口进行配置和控制,包括输出电压调整、电源序列设置、温度阈值设置等
- GPIO控制:支持通过PWR3:0]引脚进行电源序列控制
- 电源良好输出:PWR_GOOD引脚,当所有电源轨正常时释放(高阻态)
- 中断输出:nINT引脚,当发生故障或达到温度阈值时输出低电平中断信号
4. 工作模式
- SLEEP模式:最低功耗模式,所有内部电路关闭
- STANDBY模式:所有电源轨关闭,但设备准备接受通过PWR3:0]引脚或I2C接口的命令
- ACTIVE模式:一个或多个电源轨启用,正常工作模式
5. 电气特性
- 输入电压范围:3V至6V
- 输出电压范围:
- VPOS:14.25V至15.75V(可调)
- VNEG:-15.75V至-14.25V(可调)
- VDDH:21V至23V
- VEE:-21V至-19V
- VCOM:-2.5V至-0.3V(可调)
- 效率:高达90%(取决于负载电流和输出电压)
6. 热特性
- 热阻:
- RθJA(结到环境):30.5°C/W
- RθJC(结到外壳顶部):16.2°C/W
- RθJB(结到板):7.1°C/W
7. 封装与尺寸
- 封装类型:48引脚VQFN,带裸露热垫
- 尺寸:7mm x 7mm x 0.9mm
8. 应用信息
- 电源上电序列:支持灵活的电源上电和关断序列,可通过I2C接口或GPIO控制
- VCOM调整:支持通过内部DAC或外部电位器调整VCOM电压
- 温度监测:TPS65180B需要主机通过I2C命令触发温度采集,而TPS65181B则自动每60秒触发一次
9. 布局建议
- 热垫连接:PBKG热垫必须连接到VN(-16V)引脚,使用短而宽的铜迹线以改善散热
- 电感布局:电感迹线必须保持在PCB顶层,避免使用过孔
- 反馈迹线:反馈迹线应远离任何潜在的噪声源,以避免耦合
10. 文档与支持
- 相关数据手册:提供了详细的电气特性、应用电路、布局指南等
- 社区资源:包括TI E2E在线社区、设计支持工具等
11. 注意事项
- 在使用前请仔细阅读数据手册,确保正确连接和配置
- 注意静电放电(ESD)防护,避免损坏集成电路
- 根据应用需求选择合适的外部组件,如电感、电容等