TPSM6440xx 是一款高度集成的 36V 输入直流/直流设计,将功率 MOSFET、屏蔽式电感器和无源器件组合在一个增强型 HotRod™ QFN 封装中。该器件支持双输出或大电流单输出,采用交错式、可堆叠电流模式控制架构,可实现轻松的环路补偿、快速瞬态响应、出色的负载和线路调节,并通过支持多达 6 相的输出时钟实现精确的电流共享,电流高达 18A。该模块在封装的角落有 VIN 和 VOUT 引脚,用于优化输入和输出电容器的布局。模块下方的大型导热垫可实现简单的布局和制造中的轻松处理。
*附件:tpsm64406.pdf
TPSM6440xx 具有 1V 至 16V 的输出电压,旨在快速、轻松地在较小的 PCB 基底面中实现低 EMI 设计。整个设计只需要 6 个外部元件,并且无需在设计过程中选择磁性元件。
虽然 TPSM6440xx 模块专为空间受限应用中的小尺寸和简单性而设计,但它提供了许多功能以实现稳健的性能:用于可调输入电压 UVLO 的带滞后的精密使能,以及用于改善 EMI 的扩频。以及集成的 VCC、自举和输入电容器,以提高可靠性和密度。该模块可配置为在整个负载电流范围 (FPWM) 内保持恒定开关频率,或配置为可变频率 (PFM) 以实现更高的轻负载效率。包括一个用于排序、故障保护和输出电压监控的 PGOOD 指示器。
特性
- 多功能双输出电压或多相单输出同步降压模块
- 集成 MOSFET、电感器和控制器
- 3V 至 36V 的宽输入电压范围
- 0.8V 至 16V 的可调输出电压
- 6.5mm × 7.0mm × 2mm 包覆成型封装
- -40°C 至 125°C 结温范围
- 负输出电压能力
- 在整个负载范围内具有超高效率
- 峰值效率为 93.5%+
- 用于提高效率的外部偏置选项
- 裸露焊盘可实现低热阻。EVM θJA = 20 °C/W。
- 关断静态电流为 0.6μA(典型值)
- 超低传导和辐射 EMI 特征
- 具有双输入路径和集成电容器的低噪声封装可减少开关振铃
- 符合 CISPR 11 和 32 B 类辐射标准
- 专为可扩展电源而设计
- 固有的保护功能,实现稳健的设计
- 用于排序、控制和 VIN UVLO 的精密使能输入和漏极开路 PGOOD 指示器
- 过流和热关断保护
参数

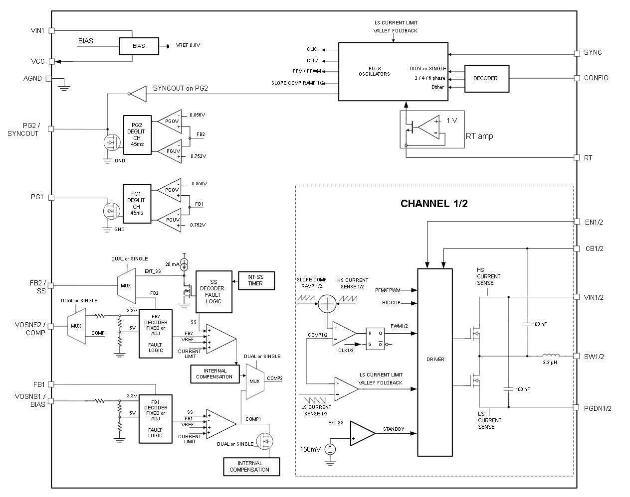
方框图

一、产品概述
1. 基本特性
- 输入电压范围:3V 至 36V
- 输出电压:0.8V 至 16V 可调,固定3.3V和5V选项
- 输出电流:每相高达3A,堆叠可达6A
- 封装类型:QFN-FCMOD,28引脚,6.5mm × 7.0mm × 2mm
- 工作温度范围:标准版本-40°C 至 125°C,扩展版本-55°C 至 125°C
2. 集成组件
- MOSFETs:集成高侧和低侧MOSFETs
- 电感器:集成
- 控制器:集成PWM控制器
- 保护功能:过流保护、热关断、欠压锁定等
3. 主要应用
- 测试与测量
- 航空航天与国防
- 工厂自动化与控制
- Buck和反向Buck-Boost电源供应
二、电气特性
1. 控制特性
- 开关频率:可编程,范围300kHz至2.2MHz
- 软启动:内部固定软启动时间,外部可调软启动选项
- 工作模式:FPWM(固定脉冲宽度调制)和PFM(脉冲频率调制)
2. 电气参数
- 静态电流:非切换状态下低至0.6μA(典型值)
- 输入电压UVLO:可编程UVLO,具有迟滞
- 输出电压精度:±1%
三、保护功能
- 过流保护:周期性电流限制和hiccup模式
- 热关断:超过168°C时自动关断,具有滞后恢复
- 欠压保护:输入电压过低时关闭输出
- 输出过压保护
- 输出欠压保护
四、功能描述
1. 可调输出电压
- 反馈电压:内部参考电压0.8V,通过外部反馈电阻设置输出电压
2. 可调开关频率
- RT引脚:通过连接RT引脚和地之间的电阻设置开关频率
3. 同步与扩频
- SYNC引脚:用于时钟同步和模式选择(FPWM或PFM)
- 扩频:减少EMI峰值发射
4. PGOOD指示器
5. 远程感应与补偿
- VOSNS引脚:支持远程输出电压感应
- COMP引脚:用于单输出模式下的环路补偿
五、应用与实施
1. 典型应用
- 双输出应用:例如5V和3.3V输出,每个输出3A
- 单输出多相应用:例如6A输出,使用两相堆叠
2. 组件选择
- 输入电容器:推荐使用高质量、低ESR陶瓷电容器,至少10μF x 2
- 输出电容器:根据输出电压和纹波要求选择合适的电容器
3. 布局指南
- PCB布局:输入和输出电容器靠近VIN和VOUT引脚,使用宽铜迹线和多个过孔连接地平面
- 热设计:使用足够的铜面积和热过孔进行散热
六、文档与支持
- 设计资源:包括WEBENCH® Power Designer工具,用于生成自定义设计
- 应用笔记:提供详细的应用设计和布局指南
- 支持论坛:TI E2E™支持论坛提供快速设计帮助
七、封装与订购信息
- 封装类型:QFN-FCMOD,28引脚
- 封装尺寸:6.5mm × 7.0mm × 2mm
- 环保标准:符合RoHS和Green标准
- 订购信息:包括器件标记、包装类型和数量等详细信息