TPSM63610E 源自同步降压模块系列,是一种高度集成的 36V、8A DC/DC 解决方案,将功率 MOSFET、屏蔽式电感器和无源器件组合在一个增强型 HotRod™ QFN 封装中。该模块在封装的角落有 VIN 和 VOUT 引脚,用于优化输入和输出电容器的布局。模块下方的四个较大的导热垫可实现简单的布局和制造中的轻松处理。
*附件:tpsm63610e.pdf
该 TPSM63610E 的输出电压范围为 1 V 至 20 V,旨在快速轻松地在小型 PCB 中实现低 EMI 设计。整个解决方案只需要四个外部元件,并且无需在设计过程中选择磁性元件和补偿部件。
虽然 TPSM63610E 模块专为空间受限的应用而设计,但其设计尺寸小、作简单,但提供了许多功能以实现稳健的性能:带滞后的精密使能,用于可调节的输入电压 UVLO,电阻器可编程开关节点转换速率和扩频,以改善 EMI。以及集成的 VCC、自举和输入电容器,以提高可靠性和密度。该模块可配置为在整个负载电流范围 (FPWM) 内保持恒定开关频率,或配置为可变频率 (PFM) 以实现更高的轻负载效率。包括一个用于排序、故障保护和输出电压监控的 PGOOD 指示器。
特性
- 功能安全
- 多功能 36V IN、8A OUT 同步降压模块
- 集成 MOSFET、电感器和控制器
- 1 V 至 20 V 的可调输出电压
- 6.5 mm × 7.5 mm × 4 mm 包覆成型封装
- –55°C 至 125°C 结温范围
- 频率可在 200 kHz 至 2.2 MHz 范围内调节
- 负输出电压能力
- 在整个负载范围内具有超高效率
- 峰值效率为 95%+
- 用于提高效率的外部偏置选项
- 外露焊盘可实现低热阻。EVM θ JA = 18.2 °C/W。
- 关断静态电流为 0.6 μA(典型值)
- 超低传导和辐射 EMI 特征
- 具有双输入路径和集成电容器的低噪声封装可减少开关振铃
- 电阻器可调开关节点转换速率
- 符合 CISPR 11 和 32 B 类辐射标准
- 专为可扩展电源而设计
- 引脚与 TPSM63608 兼容(36 V,6 A)
- 固有的保护功能,实现稳健的设计
- 精密使能输入和漏极开路 PGOOD 指示器,用于排序、控制和 UVLO 中的 V
- 过流和热关断保护
参数

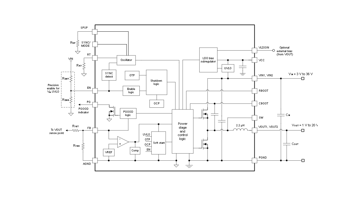
方框图

概述
TPSM63610E 是一款高集成度的同步降压(Buck)电源模块,适用于宽范围输入电压(3V 至 36V)和输出电压(1V 至 20V)的应用。该模块集成了 MOSFET、电感器和控制器,提供了高效率、低 EMI 和增强的热性能。
主要特性
- 功能安全:提供文档支持功能安全系统设计。
- 宽范围输入/输出:36V 输入,8A 输出(峰值可达 10A),输出电压可调(1V 至 20V)。
- 高效率:峰值效率超过 95%,具有外部偏置选项以进一步提高效率。
- 低 EMI:低噪声封装和双输入路径设计,满足 CISPR 11 和 32 Class B 辐射标准。
- 热性能:扩展的温度范围(-55°C 至 125°C),具有低热阻的裸露焊盘。
- 保护特性:包括精密使能输入、开漏 PGOOD 指示器、过流保护和热关断保护。
- 可扩展性:引脚兼容 TPSM63608(36V, 6A),便于升级。
应用领域
- 测试和测量
- 航空航天和国防
- 工厂自动化和控制
- 降压和反相降压-升压电源供应
封装与尺寸
- 封装:增强型 HotRod™ QFN 封装(B3QFN, 22 引脚)
- 尺寸:6.5mm × 7.5mm × 4mm
电气特性
- 开关频率:可调范围 200kHz 至 2.2MHz
- 启动电压:3.7V
- 关断静态电流:典型值为 0.6μA
- 输出电压精度:±1%
- 保护功能:包括输入欠压锁定(UVLO)、过流保护和热关断
典型应用电路
- 高效 8A(峰值 10A)同步降压调节器:适用于工业应用,如 5V 输出,输入电压范围 9V 至 36V。
- 反相降压-升压调节器:提供负输出电压,如 -12V 输出,输入电压范围 9V 至 24V。
设计考虑
- 输入/输出电容:推荐使用低 ESR 的陶瓷电容,以减小纹波电压并提高稳定性。
- 布局建议:输入和输出电容应尽可能靠近 VIN 和 VOUT 引脚,以减少寄生电感。
- 热设计:使用足够的铜面积和热过孔来实现低热阻,确保结温不超过 150°C。
开发支持
- 提供 WEBENCH® Power Designer 工具,支持自定义设计和仿真。
- 提供详细的应用笔记、技术文章和参考设计,帮助用户快速上手。
文档与支持
- 数据手册提供了全面的规格、应用信息和设计指南。
- TI 官网提供最新的文档更新通知和支持资源。