TL77xxA 系列集成电路电源电压监控器专为 特别适用于微型计算机和微处理器系统中的 RESET 控制器。这 电源电压监控器监控 SENSE 输入端的电源欠压情况。 在上电期间,当 V抄送获得接近 3.6 V 的值。此时(假设 SENSE 为 高于 V IT+ ),则延迟计时器功能会激活时间延迟,之后 输出 RESET 和 RESET 变为非活动状态 (分别为高电平和低电平)。当 正常工作期间出现欠压情况,RESET 和 RESET 执行 积极。
*附件:tl7715a.pdf
特性
- 上电复位发生器
- 电压下降后自动生成复位
- 宽电源电压范围
- 精密电压传感器
- 温度补偿电压基准
- 外部可调脉冲持续时间
参数

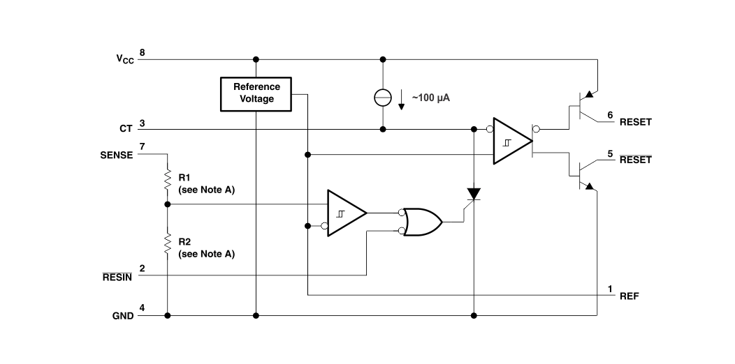
方框图

1. 产品概述
- 产品系列:TL77xxA系列供电电压监控器
- 功能:专为微计算机和微处理器系统中的复位控制器设计,监控供电电压以检测欠压情况。
- 特点:包括上电复位生成器、电压下降后的自动复位生成、宽供电电压范围、精密电压传感器、温度补偿电压参考和外部可调脉冲持续时间。
2. 应用领域
- 应用场景:计算机、平板电脑、智能手机、服务器、音乐播放器等。
3. 主要特性
- 宽供电电压范围:3.5V至18V。
- 温度补偿电压参考:参考电压在3.5V至18V供电电压范围内变化小于10mV,在-40°C至+85°C环境温度范围内变化仅16mV。
- 外部可调脉冲持续时间:通过外部电容CT确定延迟时间,公式为t_d = 1.3×10^4×C_T。
- 自动复位功能:在供电电压下降到欠压阈值以下时,自动生成复位信号。
4. 封装与尺寸
- 封装类型:SOIC(8引脚)、PDIP(8引脚)、SO(8引脚)
- 尺寸:
- SOIC:4.90mm × 3.91mm
- PDIP:9.81mm × 6.35mm
- SO:6.20mm × 5.30mm
5. 引脚功能与配置
- 引脚功能:
- REF:电压参考输出
- RESIN:复位输入
- CT:外部定时电容引脚
- RESET:复位信号输出
- RESET:复位信号反相输出
- GND:设备地
- SENSE:感应输入
- V_CC:电源供电
6. 电气特性
- 高电平输出电压(RESET) :V_CC - 1.5V(典型值)
- 低电平输出电压(RESET) :0.4V(典型值)
- 参考电压(V_ref) :2.53V(典型值),在25°C时
- 负向输入阈值电压(V_IT-) :13.5V(TL7715A)
- 输入电流(SENSE) :在V_ref < V_I < V_CC - 1.5V时,最大2μA
- 供电电流:所有输入输出开路时,最大1.83mA
7. 应用与实施
- 典型应用:提供了微处理器系统的初始化电路图,包括解耦电容C_ref和定时电容C_T的选择。
- 系统示例:展示了多电源系统复位生成电路以及消除未定义状态的电路。
8. 布局建议
- 布局指南:建议将电压监控器放置在印刷电路板上无高电流切换电路的位置,特别注意模拟信号互联,如SENSE输入、C_T和V_ref端子。
- 布局示例:提供了印刷电路板布局示例,包括电容和电阻的放置建议。
9. 文档与支持
- 相关技术文档:提供了快速访问链接,包括技术文档、工具与软件、支持与社区资源。
- 文档更新通知:可通过TI官网注册接收文档更新通知。
10. 静电放电(ESD)注意事项
- ESD防护:该集成电路可能因ESD而损坏,建议采取适当的预防措施进行处理和安装。