TPS7A66-Q1 和 TPS7A69-Q1 是低压差线性稳压器,专为高达 40V 的输入电压工作而设计。它们在空载时静态电流仅为 12μA,非常适合备用微处理器控制单元系统,尤其是在汽车应用中。
这些器件具有集成的短路和过流保护功能。这些器件在上电时实现 reset delay 以指示输出电压稳定且处于稳压状态。可以使用外部 capacitor 对 delay 进行编程。低电压跟踪功能允许使用更小的输入电容器,并且可能无需在冷启动条件下使用升压转换器。
*附件:TPS7A6x-Q1 高压超低 I(q) 低压差稳压器 数据表.pdf
这些器件在 –40°C 至 125°C 的温度范围内工作。TPS7A6650EDGNRQ1 器件符合 AEC-Q100 0 级标准,可在 –40°C 至 150°C 的温度范围内工作。这些特性非常适合各种汽车应用中的电源。
特性
- 适用于汽车应用
- AEC-Q100 测试指南,包括以下内容:
- 设备温度 1 级
- 器件温度等级 0(仅限 TPS7A6650EDGNRQ1)
- 器件 HBM ESD 分类等级 H2
- 器件 CDM ESD 分类等级 C4
- 器件结温范围:
–40°C 至 +150°C - 4V 至 40V 宽输入电压范围,瞬态电压高达 45V
- 输出电流:150 mA
- 低静态电流 I
(问) : - 当 EN = 低电平(关断模式)时为 2 μA(关断模式)
- 轻负载时为 12 μA(典型值)
- 低 ESR 陶瓷输出稳定性电容器 (2.2 μF – 100 μF)
- 150mA 时 300mV 压差(典型值,V
(文) = 4 V) - 固定(3.3V 和 5V)和可调
(1.5V 至 5V)输出电压
(仅针对 TPS7A66-Q1 可调) - 低输入电压跟踪
- 集成上电复位:
- 可编程 Reset-Pulse Delay
- 漏极开路复位输出
- 集成故障保护:
- 输入电压感应比较器
(仅限 TPS7A69-Q1) - 包:
- 用于 TPS7A69-Q1 的 8 引脚 SOIC-D 封装
- 用于 TPS7A6601-Q1 的 8 引脚 HVSSOP-DGN
参数

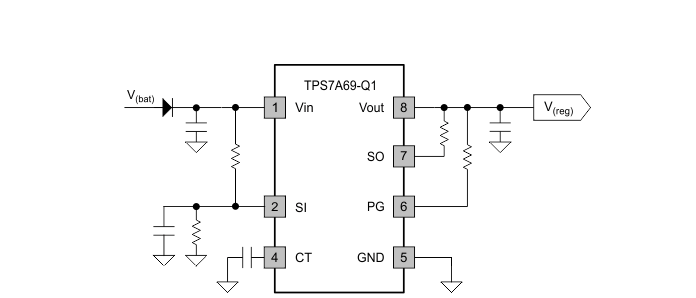
方框图

一、产品概述
TPS7A6x-Q1是一款专为高压应用设计的超高集成度、超低静态电流(Iq)和低压差(LDO)线性稳压器。该器件在40V输入电压范围内工作,具有极低的静态电流(典型值为12µA在空载时)和出色的线性调整率,适用于汽车、工业控制等需要高压电源的应用场景。
二、主要特性
- 高输入电压范围:支持4V至40V的输入电压范围,适应多种电源环境。
- 低静态电流:在空载时仅为12µA,有效延长电池寿命。
- 低压差电压:在150mA输出电流时,压差电压仅为300mV,提高电源效率。
- 高精度:整体精度达±2%,满足对电压精度要求较高的应用。
- 保护功能:集成热关断、过流保护和欠压锁定(UVLO)功能,提高系统可靠性。
三、电气特性
- 输入电压范围:4V至40V。
- 输出电压范围:可调输出电压范围从1.5V至5V。
- 输出电流:最大可达150mA。
- 压差电压:在输出电流为150mA时,压差电压为300mV。
- 启动时间:典型值为100µs(COUT=1µF,IOUT=150mA)。
- 关断电流:在EN引脚低于0.4V时,关断电流小于1µA。
四、功能描述
- 使能引脚:EN引脚高电平有效,驱动EN引脚超过0.9V时开启稳压器,低于0.4V时进入关断模式。
- 内部电流限制:在输出过流时,自动限制输出电流,防止器件损坏。
- 热关断:结温超过165°C时自动关断输出,保护器件免受过热损坏。
- 欠压锁定(UVLO) :输入电压低于欠压锁定阈值时,输出被关断,确保器件在输入电压不稳定时不会误动作。
五、应用提示
- 外部电容:推荐使用1µF的X5R或X7R型陶瓷电容作为输入和输出电容,以确保稳定性。
- 布局设计:为优化PSRR和噪声性能,建议将输入和输出电容靠近器件放置,并使用单独的地平面。
- 散热设计:根据功率耗散和封装类型,合理设计PCB布局,确保器件工作结温不超过最大允许值(125°C)。
六、封装与尺寸
- 提供8引脚SOIC和HVSSOP封装选项。
- 具体尺寸信息详见数据表中的封装尺寸图。