时间:2023-08-25 08:25
人气:
作者:admin
前面的课程中我们已经对数字电源的控制核心与外围电路进行了介绍,有漏掉或忘记了的朋友可以查看前面几期课程复习哈,接下来我们就要开始对数字电源中常用的拓扑电路进行讲解了。
提到电源拓扑,首先要说的就是移相全桥拓扑啦,它在隔离型DC-DC电源中应用十分广泛,本期我们就对其电路构成与工作原理为大家进行介绍。拓扑构成
移相全桥拓扑采用移相控制方式,利用功率器件的结电容与谐振电感的谐振实现恒频软开关。
移相全桥有零电压开关(ZVS)和零电压零电流开关(ZVZCS)两种实现方式。
ZVZCS由于结构复杂并不常用,因此本篇将重点介绍ZVS移相全桥电路。
ZVS移相全桥电路能够有效降低功率管开关损耗,提高开关频率,减小装置体积。电路控制方式简单,适用于多种输入电源和负载类型。
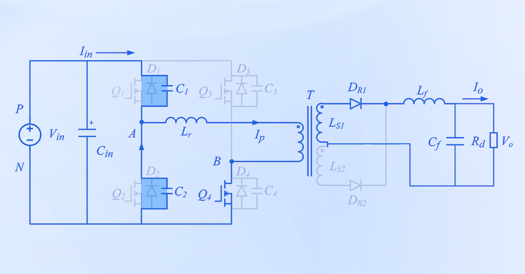
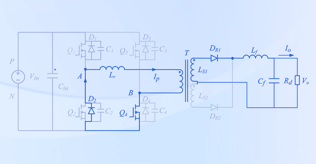
其基本电路包括:原边全桥电路、变压器和副边整流电路,参见下图。常用副边电路有全波整流电路(下图(a))与全桥整流电路(下图(b))。

全桥整流多适用于大功率场合,小功率场合可采用全波整流。
原边全桥电路包含:
输入直流源Vin、输入电容Cin、功率开关管器件(Q1~Q4)以及谐振电感Lr,其中体二极管(D1~D4)以及寄生结电容(C1~C4)为功率开关器件的自有部分。
为抑制变压器磁饱和,部分电路会在Lr后串联隔直电容。
副边电路包含:整流二极管(DR1~DR4)、滤波电感(Lf)、滤波电容(Cf)以及负载(Rd)。工作原理
▍PWM控制方式
移相全桥电路分为超前桥臂(Q1、Q2)与滞后桥臂(Q3、Q4),同一桥臂的上下两个开关管轮流导通,实现控制。
移相角:对角两个开关管的导通相位差(0°~180°)。可以通过控制移相角的大小改变原边输出电压占空比,从而调节输出电压。
死区时间:同一臂上下两管的开通与关断之间的间隔时间。

为便于分析电路工作过程,我们做以下假设:
❶功率开关管的寄生电容应满足C1=C2=Clead,C3=C4=Clag;
❷滤波电感足够大,满足Lf>>Lr/K²其中K为变压器原副边匝比;
❸输出滤波电容足够大,其电压可认为是恒压源。
▍工作模态分析
移相全桥的一个周期中包含12个工作模态,下面以半个周期(t0
~
t6)为例进行讲解,电路副边为全波整流电路。
▷工作模态1(t0
~
t1
):正半周期功率输出模式

t0时刻Q1
、Q4
导通且VAB
处于恒定状态(VAB
=
Vin),原边电流
Ip经
Q1、Lr
、Q4
向负载供电,同时给结电容C2
、
C3充电。
变压器副边DR1
导通,
DR2
截止,DR1
、Lf
、Rd
构成供电回路。
滤波电感
Lf
的电流在电压
VLf=Vin/n-V0的作用下线性增加。
▷工作模态2(
t1
~
t2
):超前桥臂谐振模式

在
t1时刻
Q1关断,由于谐振电感Lr
的存在,电流Ip
不会突变,仍维持正向(A→B)流动,
Ip
从
Q1中转移到C1和C2
支路中,对C1
充电并对C2
放电,C1
、C2
与
Lr发生谐振。
由于
C1
、C2
的作用,
Q1零电压关断。
由于谐振电感Lr
和原边等效滤波电感
Lf串联,因而电感很大,可认为原边电流
Ip近似不变,类似于一个恒流源。
▷工作模态3(t2
~
t3):原边电流钳位续流模式

t2时刻C1与C2充放电结束。此时C2两端电压为0,电流经D2续流,并将开关管Q2漏源极的电压箝位为0,此时便可实现Q2的零电压开通。
此时VAB为0,原边电流Ip仍按原方向继续流动,但是在不断减小。
▷工作模态4(t3
~
t4):滞后桥臂谐振模式

t3时刻
Q4关断。Ip
从
Q4中转移到C3
和
C4支路中,对
C4充电并对
C3放电,谐振电感
Lr和
C3、C4
发生谐振。由于有
C3和
C4
作用,
Q4零电压关断。
此时AB之间电压由0变为负(VAB
=-
VC4),副边变压器感应电动势反向,使得整流二极管
DR2导通,
DR1和
DR2同时导通后将变压器的副边线圈短路。在此过程中
DR1中电流不断减小,
DR2中电流不断增大。
▷工作模态5(
t4
~
t5):谐振能量回馈电源模式

t4时刻
C3与
C4充放电结束。此时
VAB=-VC4
=-Vin
,D3导通续流,将开关管Q3漏源极的电压箝位为0,此时便可实现Q3的零电压开通。
体二极管D2
、D3
续流,将谐振电感
Lr所储存的能量回馈给电源,变压器原边电流
Ip线性减小。
▷工作模态6(
t5
~
t6):原边电流缓变模式

t5时刻
Ip将为零后向负向增大。此时
D2与
D3关断,
Q2和
Q3为原边电流提供通路。
此时原边电流仍不足以提供负载电流,副边绕组还处于短接状态。
因此原边绕组电压仍为零,电压Vin
全部施加在Lr
两端,
反向线性上升。
直到
t6时刻,
DR1与
DR2换流结束,
DR1截止,随后进入负半周期的功率输出模式(Q2、Q3稳定导通)。
负半周的工作过程与正半周期类似,在此不做讲解。关键问题分析
▍桥臂ZVS的实现
▷超前桥臂的ZVS实现
超前桥臂实现ZVS比较容易,因为其电容充放电过程由
Lr与原边等效Lf
共同完成。
由于原边等效
Lf很大,电流Ip
近似不变,相当于恒流源,所以超前桥臂的并联电容能够迅速充放电,这样即便在很宽负载电流下,也能实现ZVS。
同时,在PWM控制方法上要保证驱动信号的死区大于2CleadVin/Ip
。
▷滞后桥臂的ZVS实现
滞后桥臂ZVS过程中副边处于短路状态,
Lf与变压器原没有联系,只有
Lr中的能量用来实现零电压开关。
但是,由于
Lr远小于Lf
,其储存的能量有限,所以滞后桥臂的ZVS实现比较困难。
在变换器轻载或谐振电感较小时,若
Lr中的能量无法满足电容充放电需求,滞后桥臂将无法实现ZVS。
要实现滞后桥臂ZVS,必须满足以下两个条件:
❶谐振电感储能大于参与谐振的滞后桥臂的结电容储能;
❷滞后桥臂开关的死区时间应小于或等于四分之一谐振周期(
Lr与充放电电容)。
▍副边占空比丢失
ZVS移相全桥DC/DC变换器在滞后臂开关管关断后会出现副边占空比丢失现象。
此时原边电流反向,负载电流进入换向阶段,原边电流较小,不能供给负载电流,导致变压器副边两个整流管都导通,电压被二极管钳位至零电压。
这个时间段内会出现部分电压方波的丢失,如图所示,Dloss=D-Deff
。

影响占空比丢失的因素包括谐振电感、负载电流、变压器变比和输入电压。
增大谐振电感会加剧占空比丢失,但减小谐振电感不利于滞后臂开关管的ZVS过程,因此需要选择合适的Lr
。
此外,减小变压器变比也可减少占空比丢失,但会增大开关管通态损耗以及副边整流二极管的耐压。
▍变压器磁芯饱和
在电路中,Q1
、Q4
导通时间不可能与Q2
、Q3
完全相同,其通态压降也可能存在差异,所以变压器原边的电压不是一个纯粹的交流电压,它含有直流成分,这会导致变压器磁芯偏磁。
偏磁的积累将导致变压器磁饱和,使变压器不能正常工作,甚至造成元器件损坏。
在设计变压器原边电路时,在谐振电感后串接隔直电容可以防止变压器磁饱和。该电容能够自动消除正、反两个方向伏秒面积的不同,使变压器上只有交流电压分量,抑制直流分量。
选择电容时,建议其电压降约为变压器两端电压的10%。
▍副边整流二极管电压振荡
原边电流换向结束后,电源开始给负载供电,输出整流二极管反向恢复。
此时,变压器漏感、整流二极管结电容以及变压器绕组电容之间会发生高频谐振。
在整流管结电容充放电过程中,会出现寄生振荡,导致整流管的电压应力增加,缩短元件寿命,造成严重的电磁干扰。
为了减小副边寄生振荡,可以使用开关速度快、超快恢复、柔性系数大的二极管,或增加一些缓冲网络(如RC、RCD吸收网络)。
目前应用比较多的方法是在原边增加二极管钳位缓冲电路,它能抑制整流桥寄生振荡,减小二极管两端承受的尖峰电压。
基于移相全桥电路开发的隔离型DC-DC电源在电力系统、工业测量系统、汽车电子装置、化工电解电镀、冶金、船舶以及军工等领域均有应用。
下一篇:开关电源产生谐波机理分析