时间:2023-08-25 15:12
人气:
作者:admin
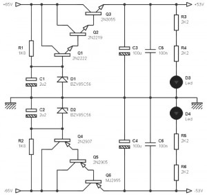
这是基于晶体管的双输出电源+/-53V/3A的电路图。该电路专为需要对称+/-53 V(最大+/-56 V)的音频放大器电源而设计。这里介绍的电路部分的作用是降低正负线的电压+/-65V,为放大器提供无危险的+/-53V,同时允许连续工作时电流达到3A。

上图基于与之前基于双电源+/-15V的晶体管的电路相同的原理,并且基于使用通用元件。双电源+/-15V 晶体管的差异仅在于级联连接的晶体管数量,以允许高输出电流,同时不需要 10 W 齐纳二极管来稳定输出电压。这种配置的主要优点是具有高电流增益。在这种情况下,第二点并不重要。 “最终”两个晶体管 Q3 和 Q6 的功耗为 3 A 输出电流,约为 36 W,这需要大型散热器。建议晶体管 Q2 和 Q5 安装翅片散热器(对于 TO5 外壳)。
注意:控制器没有短路保护,因为使用保险丝(每条输入线一个)非常重要。您确实需要认识到,如果晶体管 Q3 和 Q6 短路,输入电压会缓慢地遵循输出路径,然后到达功率放大器。理想的情况是将过压检测电路放置在输出控制器处,该电路可以像并联到第二个输入通道的晶闸管一样启动。