时间:2023-08-23 14:06
人气:
作者:admin
储能技术与能效优化问题
储能是当前工业领域最具增长价值的业务方向之一,全行业的技术人员都致力于构建更优质的储能方案。在电池储能方式中,提高电池的能效、让其续航更长久是最直接的能效优化手段。储能电池的能效高低取决于其储存和释放电能的效率:从电池本身材料来看,能效越高,储能电池储存的电能损失越少,可使用的电能就越充足。一般储能电池的能效在70%以上被认为是高效的,当然这也取决于具体的储能电池类型和使用环境。
除此之外,降低电池充放电过程的转换损失,也是有效提升储能能效的方法之一。储能电池的充放电一般需要设计精良的电路系统,包括电池管理、电压转换、温度控制等环节。为了更好地进行电路转换效率优化,就需要更高效的转换器方案、更新的电源拓扑结构和更先进的软件控制算法,ADI 提供的直通模式(PassThru)电源转换方案具有显著的效率提升效果,并且骏龙科技也可为工程师进行需求分析,以提供最先进的方案选型。
锂电池与超级电容协同储能
得益于超级电容的优质特性,目前我们已将锂离子电池与超级电容协同并用于储能,这种前沿的方式具有三种明显优势:(1)能实现爆发式快速充放电;(2)整体储能系统使用寿命更长;(3)高系统能效比。它是一种快速充放电的器件,并且环境适应性较强,能在极端高低温下工作。超级电容与锂电池结合,已成功应用于电动汽车、大规模工业储能领域中,以提升储能系统的整体环境适应性。
下图(图1)显示了锂电池与超级电容放电特性的区别。图中两者使用了相同的工作电压,进行0.5A电流放电。可以观察到,锂电池表现出较强的电压稳定特性,而超级电容表现出电压线性下降。因此将超级电容应用于储能场景时,就需要高效率的电压变换电路,让系统在超级电容电压大范围变化时,持续输出稳定的电压。

图1 24V 的锂电池与超级电容间放电特性对比
直通模式带来革命性效率提升
直通模式(PassThru)是ADI最新的电源技术,它专门为宽输入电压范围的系统而生。与传统的升降压(buck-boost)方案相比,它的综合转换效率大大提升。直通模式的电路通常会设置一个窗口电压范围,当输入电压进入窗口范围时,电路会控制将输入与输出端直接连通。PassThru技术是超级电容与储能输出之间的电源网络,得益于直通带来的“零”损耗,超级电容的充放电反应速度更快、电路系统的EMI表现也更好。

图2 buck-boost电路的直通模式
直通模式(PassThru)最经典出现在升降压(buck-boost)电路中,如上图 (图2) 所示,PassThru是指电流分别直接流经buck电路上管、功率电感、boost电路上管,然后达到输出端负载。由于没有任何开关能量变换过程,整条链路的损耗基本上只有mos管导通电阻、电感直流阻抗等,一般而言这个效率能够达到99.9%。LT8210是ADI推出的一款具备PassThru模式的buck-boost电源控制器,如下图(图3)所示,它具备非常宽的输入电压范围,具体工作原理可查阅LT8210数据手册。

图3 LT8210典型应用电路
LT8210的ADI官方演示板型号为DC2814A-A,其演示板的工作效率图形如下图 (图4) 所示。可以观察到,测试输入电压范围是4V-24V,直通模式窗口电压设定在8V-16V,试验是在10%-80%不同带载强度情况下进行的。演示板的直通模式电流能力约为 3A,直通模式下随着负载电流增大,效率也会有 5% 的提升。在10%轻载情况下,电路一旦进入直通模式,能带来17%的效率提升,因此证明越是轻载情况,PassThru技术带来的效率提升越明显。

图4 LT8210演示板的效率表现
轻载续航表现试验
为了验证PassThru技术带来的储能续航持久性优点,本文以9V轻载直流电机作为24V超级电容负载进行试验。如下图(图5)所示是该测试的电源树图,对24V超级电容的后端使用 LT8210 方案,设定输出窗口电压为 12V-24V,而后连接一个 9V 输出的降压电路,最终的 9V 负载电机的工作电流为 0.3A,相对而言是较轻负载。

图5 直流电机续航测试电源树
下图(图6)为LT8210电路分别打开、关闭PassThru功能情况下的效率对比,从图可以看出,当关闭PassThru时,LT8210始终在常规CCM模式下工作,当输入电压高于12V时PassThru模式的效率要比 CCM模式提高至多27%。

图6 LT8210分别开闭PassThru的效率对比
接下来可以从电参数的时间轴波形角度看两种情况的效率表现,如下图(图7)所示。其中横轴是时间轴,纵轴波形分别为超级电容电压、电机工作电压、电机工作电流。首先从波形的持续时间看,在打开PassThru功能情况下,有明显更久的续航时间,提高了约49%。虽然超级电容电压持续下降并最终归零,但电机的工作电压始终稳定在9V,这得益于LT8210的升压功能,它能够最大程度利用超级电容最后的能量。

图7 LT8210分别开闭PassThru的系统续航表现
更多直通模式电源方案
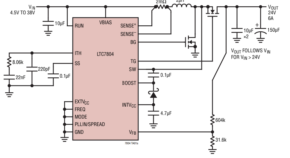
除了前文所述的LT8210方案,ADI还提供了其他支持PassThru的电源芯片,如LTC7804,其电路图如下图(图8)所示。它是一款外置MOS的boost控制器,它的展频功能可以让电源的EMI表现更加优异,已成功应用于汽车电子等领域。

图8 LTC7804典型应用电路
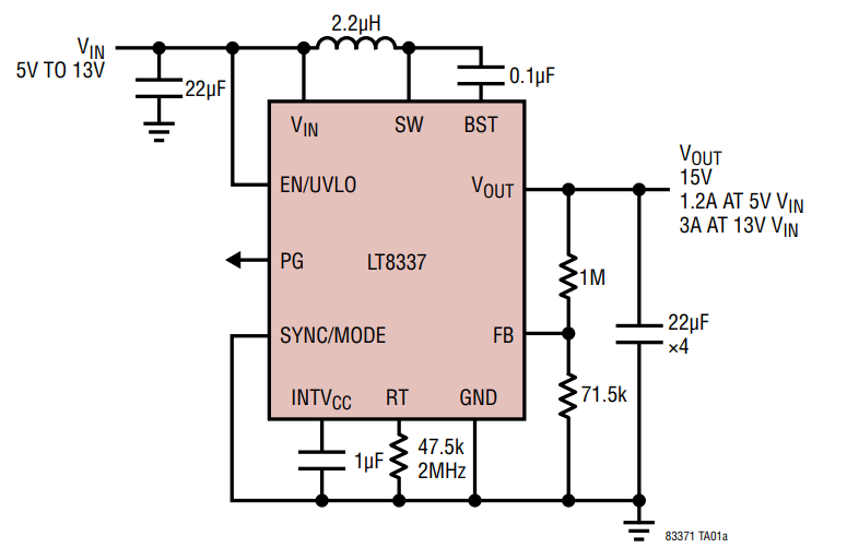
下图(图9)是另一款支持PassThru的LT8337,它是集成MOS的boost芯片,适合小空间低电流的产品。目前ADI还在不断推出具备PassThru技术的电源芯片,工程师将拥有丰富的方案选择空间,更多方案选型可以浏览ADI官方网站,或咨询骏龙科技技术人员以为您推荐合适选型。

图9 LT8337典型应用电路
总结与展望
PassThru技术能够提升超级电容器供电设备的能效表现,显著增加续航时间,非常适合超级电容锂电池协同型的储能设备。与传统的buck-boost电路相比,具有PassThru模式的LT8210方案可以极大地优化超级电容的续航能力。此外,由于PassThru避免了功率电路开关控制过程,系统的整体EMI表现也会非常出色。如需了解更多LT8210等PassThru技术的电源方案信息,请联系骏龙科技当地办事处。
参考文献
[1] Why Using PassThru Technology Can Help Extend an Energy Storage System’s Life:https://www.analog.com/cn/analog-dialogue/articles/why-using-pass-thru-technology-can-help-extend-an-energy-storage.html
[2]LT8210产品页面:https://www.analog.com/cn/products/lt8210.html
[3]LTC7804产品页面:https://www.analog.com/cn/products/ltc7804.htmll
[4]LT8337产品页面:https://www.analog.com/en/products/lt8337.html
下一篇:电动机正反转电路及常见故障详解