时间:2023-08-20 10:22
人气:
作者:admin
电池充电指示器电路是有效利用锂电池的非常有用的模块。此类指示器通常测量电池电压并通过打开任何适当的 LED 来指示电量。但您不必购买这些模块之一才能有效地使用锂电池。事实上,您可以用最少的组件和很少的努力来构建一个。
锂电池:
锂电池被证明是非常有用的电源,但为了获得持久的性能,您需要仔细查看关键参数。锂电池的使用方式应确保电池电量在充电前始终剩余 20%。否则可能会导致电池耗尽,所以现在您应该知道了解电池中的电量对于保持电池电量非常有必要。让我们设计一个简单的电路来了解电池的充电百分比。
下面以一节12V锂电池为例,说明电池充电指示电路的设计。现在,对于典型的 12V 电池,不同充电水平下的电压将为
| 测量电压 | 充电水平 |
| 13.5V | 100% |
| 12.5V | 75% |
| 11.5V | 50% |
| 10.5V | 25% |
您可以在制造商的数据表中找到这些详细信息,几乎所有 12V 电池都具有相同的属性,但数据表始终值得查找。
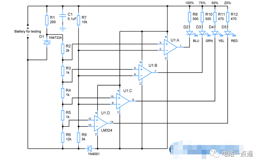
电池充电指示灯设计:

工作和计算:
测量到相应电荷水平的电压对上述电路形成非常重要的参考。为了更容易理解,让我们逐步分析电路。首先将用于充电测试的电池连接到电路。连接 1N4733A 后,将使用 5.1V、1W 齐纳二极管和串联电阻器 R1 来调节电压,后者控制流经齐纳器的电流。这样我们就可以从电池获得约5.1V的稳定输出电压。
四路运算放大器 IC LM324 用作充电指示 LED 的比较器或激活器。我们使用带蓝色 LED 的 U1:A 用于 100% 指示,带绿色 LED 的 U1:B 指示 75%,带黄色 LED 的 U1:C 指示 50%,带红色 LED 的 U1:D 指示 25% 的电量。利用 LED 的状态来确定电池的充电水平。
下一步是将每个充电水平的参考电压固定为 100%、75%、50% 和 25%。为了固定这些电荷水平的参考电压,使用电阻器 R2、R3、R4、R5 和 R6 构造了一个简单的分压器。从这些分压器获得的电压依次将参考电压馈送到各个运算放大器 U1:A、U1:B…U1:D。固定U1:A参考电压的计算如下
Vout = (R3+R4+R5+R6) * Vin / (R2+R3+R4+R5+R6) – 分压器公式
= 15K * 5.1V / 17K
= 4.5V
因此,电池充电 100% 时的参考电压固定为 4.5V。为了固定 75% 的电池电量,分压器方程采用以下形式
Vout = (R4+R5+R6) * Vin / (R2+R3+R4+R5+R6)
= 14K * 5.1 / 17K
= 4.2V
4.2V 是 Opamp U1:B 的参考电压,用于指示 75% 的电池电量。重复上述过程,U1:C 的 50% 电压为 3.9V,U1:D 的 25% 电压为 3.6V。我们现在已经固定了运算放大器 U1:A 至 U1:D 的参考电压,用于 100% 至 25% 充电指示。
接下来,我们设置了一个由 R7 和 R9 组成的分压器来测量电池电压并将其馈送到所有运算放大器的“-”输入端。现在让我们考虑一下我们从数据表中获得的四个电压级别。现在,当电池电压为 13.5 时,运算放大器的输入电压将为
输出电压 = 13.5 * R9/ (R9 + R7)
= 4.517V
现在该电压大于 100% 电池充电时的固定参考电压 4.5。因此,U1:A 的输出变低,蓝色 LED 亮起,表示电池电量为 100%。现在假设电池电压为 12.5(电量的 75%),则 U1:B 的电压将为 4.22,这超过了参考电压 4.2V,因此绿色 LED 亮起,指示可用电量为 75%。
这样,当电压降至 11.5 和 10.5 时,黄色和红色 LED 分别亮起。当红色 LED 灯亮起时,需要给电池充电,这是一种警告。在该电路中,与充电水平相对应的 LED 会亮起,因此可用作指示充电水平的仪表。
蓝色 – 100%
绿色 – 75%
黄色 – 50%
红色 – 25%
印刷电路板设计:

笔记:
二极管D2的作用是防止电池电流反向流动,从而损坏IC芯片。
电容器C1用于消除电源的纹波。
现在您知道如何实现电池充电指示器的设计,现在获取电池的数据表,进行计算并构建电路。
编辑:黄飞
下一篇:匹配电路中0欧姆电阻的作用是什么