时间:2023-08-15 09:52
人气:
作者:admin
芯片领域的国产替代是一个高频热词。近几年来,由于缺货潮和价格等因素,很多厂商用国产替代解决了燃眉之急。国产替代对企业有着重要的影响,它可以增加企业的竞争力,提高效率和降低成本。当然,在芯片替代过程中会遇到一些问题,需要工程师去克服。
我们的工程师用国产IC CR6890H直接替换客户主控IC后,发现有异音。经测试后,发现电压不稳、输出纹波过大、开关波形出现大小波等情况。本文我们将分享解决思路和技巧,以下为测试样机图片:


CR6890H样机图片
【应用】电机类适配器/存储设备电源/AC-DC适配器/充电器等
【规格】12V3.2A
【控制IC】CR6890H
关于CR6890H

高性能CCM+PFM绿色节能PWM控制器
CR6890H是一款高集成度、低待机功耗的CCM+PFM混合电流模式PWM控制器。CR6890H轻载时会降低频率,最低频率22kHz可避免音频噪声。CR6890H提供了完整的保护功能,如cycle-by-cycle电流限制、OCP、OTP、VDD_OVP、UVLO等,还可以通过PRT脚分别精确设置外置过温保护和输出电压过压保护。软启动功能可以减少系统启动时MOSFET的应力,前沿消隐时间简化了系统应用。通过频率抖动和软驱动电路的设计,降低开关噪声,简化了EMI设计。CR6890H提供SOT23-6L的封装。
主要特点
●较低的启动电流(大约3μA)●内置软启动减少MOSFET应力●CCM+PFM控制模式●内建同步斜坡补偿,消除次谐波震荡●内建频率抖动功能,降低EMI●内置65kHz开关频率●轻载降低工作频率●15ms倍频模式●可编程外置过温保护并进入latch●VDD过压保护和输出过压保护功能并进入latch●内置前沿消隐电路●内置输出二极管短路保护●内置过温保护并进入latch●过载保护●SOT23-6L封装
基本应用
●AC/DC适配器●电机类适配器●充电器●存储设备电源
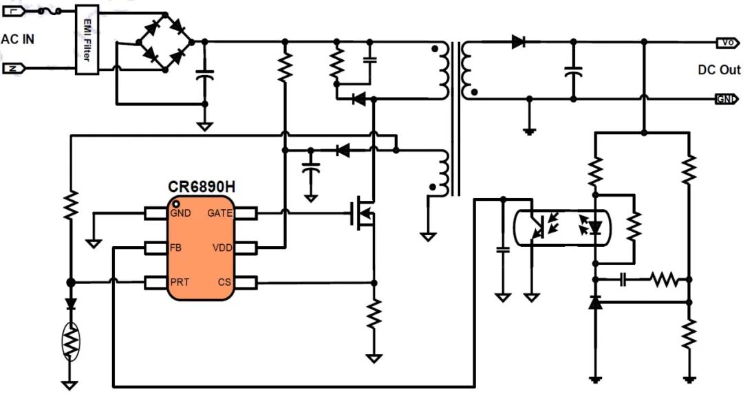
典型应用

管脚排列

管脚描述

【问题描述】
直接替换客户主控IC后,发现有异音。经测试后,发现电压不稳、输出纹波过大、开关波形出现大小波的情况,如下图:

原客户样机输出纹波为180mV左右,而替换IC后纹波高达456mV

原客户样机开关频率较为工整,为65KHz左右,替换后明显出现大小波
【解决思路】

虽然IC可以直接PIN对PIN替换,但是每一个IC的功能特性都会有所区别,所以外围器件也可能需要更改。出现电压不稳、输出纹波过高、大小波的情况,怀疑是电源的环路不稳所影响的。
环路不稳定会对反激开关电源产生以下影响:
1、输出纹波增加:环路不稳定会导致输出纹波增加,即输出电压的波动增大。这可能导致连接在开关电源输出端的负载工作不稳定,影响到负载的正常运行。
2、动态响应不良、出现大小波:环路不稳定会降低开关电源的动态响应能力。当负载突然变化时,开关电源无法迅速调整输出电压,导致输出电压的偏差较大和恢复时间较长。这可能会影响到负载的要求和设备的稳定性,进而出现大小波。
3、EMI特性变差:环路不稳定会使开关电源更加敏感于外部干扰。如输入电压的波动、负载变化或其他干扰信号可能引起输出电压的大幅波动,并使电源无法有效抵御和补偿这些干扰,导致EMI变差。
4、效率下降:环路不稳定可能导致电源系统的整体效率下降。不稳定的控制环路可能导致能量在电源系统内部的损耗增加,使能量无法有效转换和传输,从而降低电源的效率。
【调通要点】

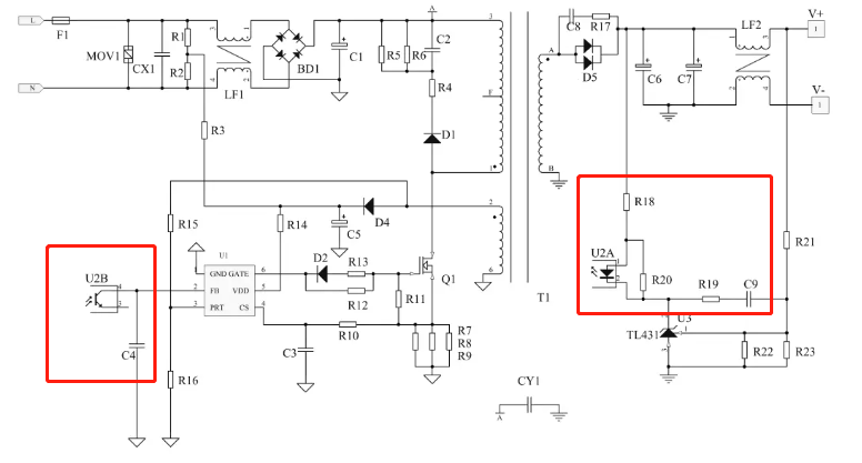
所谓的环路不稳,是指电路中的反馈环路不稳定,以下是CR6890H DEMO原理图:

电路中环路不稳,大概率与光耦附近的元器件(如上图)有关,需调环路来使得开关电源工作正常。


更改FB处的电容值后,大小波的现象明显消除,开关频率为62.5KHz左右,但还没有完全规整。输出纹波也因环路变化而减小、但还是太大。

继续调试,更改光耦1,2脚之间的电阻与TL431的1脚电容后,输出纹波也有明显改善,从408mV到了224mV。
【最终结果】



环路调试完成后,输出电压变得稳定,输出纹波为108mV,开关波形也变得非常规整。随着环路的稳定,效率和EMI也有所改善。