时间:2023-08-14 15:33
人气:
作者:admin
最近项目调试有点曲折,虽然在这个过程中把问题解决了,但常用技巧基本都是一顿“瞎操作”,更换一系列器件,如果要从中说出个一二三,那还得深思一下。自己也陷入了反思,是什么指导自己去实战?原理与理论又是什么来佐证?
项目中遇到一个Boost升压电路总是工作不正常,从各方下手,也是解决了问题,过程也算是摸着石头过河。那么来聊聊Boost电源的工作原理又是怎样?了解原理后又该如何指导实践?
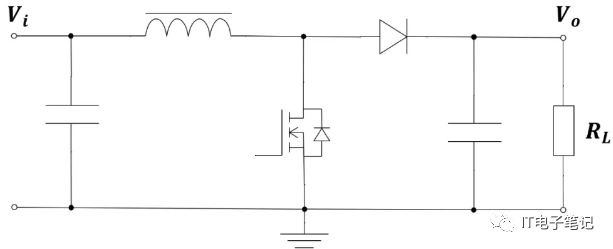
我们常用的电源,一般有开关电源、LDO等,那么开关电源常有的拓扑结构有Boost、Buck、Buck-Boost三种类型。顺便先看一下Boost拓扑结构,来充分认识它。

看到这样一个拓扑,它又是怎样工作的呢?
其实就是一个开关,只要这个开关的速度能够跑的飞起,控制好开和关的时间,在搭配外围的帮手也就基本能输出稳定的电压。所说的开关就是图中对应的MOS管,开关的速度也是指控制开关信号的频率。
那开关不断的开和关又是怎么去输出稳定的电源呢?答案就是相互分工、相互协作的一个过程。
1、充电。当开关管导通的时候,电感接地,二极管截止,此时输入电源对电感进行充电,电流的方向由左向右流动,电感左+右-,电感两端电压即是输入电压。Uo=Ui

2、放电。当开关管不导通的时候,此时电感已经被冲上电 ,由楞次定理可知,此时电感的电流不会立即减小到0,电流的方向依然由左向右,二极管导通,导通后就存在导通压降Ud。

电感两端电压Ul,Uo这个输出电压就是Boost升压,电感在开关管关断时,电感放电,给输出滤波电容和负载充电。

时间万物都遵循能量守恒,那么升压的过程就是一个能量传递。充电时,电感吸收能量,放电时,电感释放能量,如果滤波电容这个池塘足够大,输出就能在MOS开关的工程中保持一个持续稳定的电流。
Boost升压过程中,可以工作在电流连续工作模式(CCM)和电流断续工作模式(DCM)。这两种模式又有什么怎样呢?

DCM工作模式:电感上电流如图a所示,充电的过程中,电流线性上升,当放电的时候,负载较重电流下降快,下一个充电还没有进行,电感的电流已经降到0了,在这个过程中控制信号不断重复,这种模式就是断续模式。
那么当电感的电流降到0后,二极管截止,负载的电压由谁提供?
这个时候需要靠二极管后级的滤波电容储存的能量来提供,在这种模式下,这个电容的容值需要根据负载情况来选择大小。
CCM工作模式:电感上电流如图b所示,充电的过程中,电感的能量储存的足,当下一个开关导通时,电感的能量还没有完全释放完,这种模式就是连续模式。
电源使用的过程中,负载随时都是动态变化的,那么电源输出又是怎么调整?
若负载加重,电流增大,传输的能量是不变的,那么此时输出的电压会降低,控制开关管导通的PWM信号会根据负载的变化去调整占空比,也就是调整MOS管的开通和关断的时间,改变充电和放电的能量,经过几个周期的调整,重新维持在一个稳定的电压输出。
上一篇:UPS电池容量计算方法