时间:2023-08-16 11:45
人气:
作者:admin
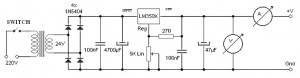
电子实验室中最需要的仪器之一是可调电源,使您可以为每个测试或构建的电路提供所需的电压和电流。 这里所示的可调电源电路只是一个线性电源、桥式整流器和滤波电容器,其附加串联稳压器。此外,这里提供了一对固定仪器,使我们能够随时了解输出中给出的电压和所使用的负载电流。

为了使该电路正常工作,负载必须至少为 5 mA。积分器有TO-3封装,称为2N3055或BU208,举几个大家都会熟悉的例子。下面解释如何识别 IC LM350K 的每个端子:

该组件的冷却是成功正确调节和稳定输出电压的关键。该元件已超过温度,因此如果散热不良,它将关闭。另一种方法是将其非常可靠地安装在 AMD Athlon 微处理器的散热器中,该微处理器具有适当的尺寸和风扇。如果没有进行电气隔离,集成散热器应悬挂整个机柜以避免短路。