时间:2023-08-10 09:53
人气:
作者:admin
双电源切换我们都很熟悉,也很常用,一般是一个外部电源加一个内部电池,外部电源优先级高于电池。
有电池,电池给系统供电,有外部电源,外部电源给系统供电,两者都有时,外部电源给系统供电,同时也给电池充电,外部电源意外断电,内部电池会续上。
前段时间画了一个三电源切换电路,我们一起来看一下。

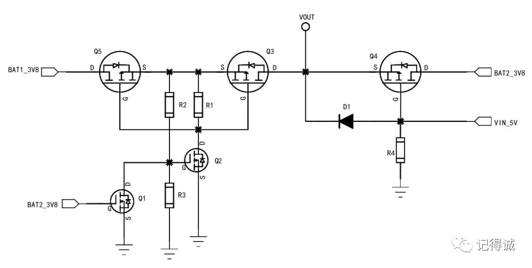
电路描述
1、Q1、Q2为NMOS,Q3、Q4和Q5为PMOS管,D1为二极管。
2、BAT1和BAT2为电池,BAT2的容量比BAT1大,VIN_5V为外部电源,VOUT为输出,给系统供电。
3、VOUT会从优先级高的电源取电,优先用外部电源,其次容量大的电池,最后才是容量较小的电池,优先级排序:VIN_5V > BAT2 > BAT1。
工作原理
再看一下电路的工作原理。
1、当只有BAT1时,Q2、Q3和Q5导通,VOUT从BAT1取电。
2、当只有BAT2时,Q1导通,Q2、Q3和Q5截止,Q4导通,VOUT从BAT2取电。
3、当只有VIN_5V时,VIN_5V通过二极管D1到VOUT,VOUT从VIN_5V取电。
4、当BAT2和BAT1同时存在,Q1导通,Q2、Q3和Q5截止,Q4导通,VOUT从BAT2取电。
5、当VIN_5V和BAT2同时存在,Q1导通,Q2、Q3和Q5截止;VIN_5V通过D1到VOUT,BAT2通过Q4的体二极管到VOUT,因为VIN_5V较大,VOUT从VIN_5V取电。
6、当VIN_5V和BAT1同时存在,Q2、Q3和Q5导通,BAT1到VOUT,VIN_5V通过二极管D1到VOUT,因为VIN_5V较大,VOUT从VIN_5V取电。
7、当BAT1、BAT2和VIN_5V同时存在,参考4&5,VOUT从VIN_5V取电。
这个电路可以做到:三电源中任一电源存在,电路即可工作;两两电源存在,优先级高电源给系统供电,节省优先级低电源的电量;三电源同时存在,同时节省两路电池电量;两两电源或者三电源同时存在时,优先级高的电源断电,优先级低的电源会续上。
审核编辑:汤梓红