时间:2023-08-22 15:52
人气:
作者:admin
随着车载接口的高速化及高度化,在LVDS传输的车载摄像头系统中,用1根线重叠信号与电源的PoC(Power over Coax)化正在不断发展。TDK的电源电感器ADL3225V型是一款通过节省空间从而确保PoC传输特性的产品。
将信号线与电源线合并为1根同轴电缆的PoC(Power Over Coax)
为实现安全辅助行驶、降低环境负荷,提高舒适性,汽车正在不断进化发展。除车载电子设备、汽车导航系统、汽车音响以外,近年来,为实现IVI(车载信息娱乐)系统以及ADAS(高级驾驶辅助系统)等,传感器系统以及摄像头系统的设备不断增加,为此,连接多个ECU(电子控制单元)的车载接口的高速化需求正在不断提高。
为此,作为先进的多媒体及信息通信系统的车载接口,针对双向通信导入了车载以太网(最大传输速度100Mbps),而针对将影像信号从摄像头(监控摄像头、侧视摄像头等)传送至主基板的单向通信,则导入了多用于电子设备的LVDS(最大传输速度1.5Gbps)。此外,为在LVDS传输中减轻线束的重量,在1根同轴电缆上同时实现信号传输与电源供应的PoC(Power over Coax)化也得到了进一步发展。
在PoC中电源电感器的作用
除LVDS之外,信号线(AC成分)与电源线(DC成分)通过不同的线进行传输的方式是以往较为普遍的数据传输方式。但在车载LAN的情况中,线束的重量将直接影响油耗。特别是在多媒体及信息通信系统的车载LAN中,不仅在后方,即使在侧方、前方等也可以配置多个摄像头模块,因此通过减少电缆数量便可带来显著的线束轻量化效果。为此,将信号传输与电源供应重叠在1根线中的方式成为了关注的焦点。图1所示为使用了PoC,即同轴电缆方式时的车载摄像头系统。在以往的方式中,电源线与信号线相互独立,而在PoC方式中,1根同轴电缆的线芯分别连接了主基板以及摄像头模块侧的电源线。因此,在PoC方式中,为防止负载阻抗较低的电源线中流过高频信号,需要提高分歧点阻抗,为此电感器为串联连接。这是因为电感器在高频环境下会变为高阻抗,可以阻止信号流入。另一方面,通过电容器的串联连接可阻止其流入电源线DC成分的驱动器侧。
图1 以往方式与PoC的比较,以及PoC中电感器与电容器的作用

车载PoC用电感器所要求的特性与结构
如上所述,LVDS为单向通信,然而,虽然影像信号是从发送侧(Tx)单向传送至接收侧(Rx),但控制信号(I2C)是从主基板侧流向摄像头模块侧,因此严格来说应属于双向信号流动。为此,电感器对于影像信号(最大传输速度1.5Gbps)与控制信号(数百kHz左右)两方面而言,在需要高阻抗的同时,还要求拥有从数百kHz至1.5GHz的宽频带特性。但在以往的电源电感器中,阻抗达到峰值的自谐振频率(SRF)较低,如图2所示,由于需要通过高L(电感)产品与低L产品的多个电感器组合来实现宽频带,因此存在较难节省空间的问题。同时,摄像头模块的电源供应中将会流过几百mA左右的电流,为此要求该电流拥有使电感器不达到磁饱和的直流重叠特性(图3)。
作为该要求特性的解决方案,通过采用与以往电源电感器不同的独特绕组设计与结构,可在提高自谐振频率的同时,实现必要直流重叠特性的就是ADL3225V型产品。
图2以往方式的PoC电感器结构

图3 PoC电感器所要求的直流重叠特性

实现宽频带的阻抗特性与良好的直流重叠特性
如图4所示,与以往产品(47μH)相比,ADL3225V型的自谐振频率(SRF)正在向高频侧转移。同时,1个ADL3225V型产品便可实现与以往使用多个电源电感器方式的阻抗特性相同等级的宽频带与高阻抗(图5)。此外,通过导入材料技术与新结构还实现了摄像头模块中所需的优秀直流重叠特性(工作保证温度范围-40℃~105℃内)。
图4电感器自谐振频率(SRF)向高频侧转移

图5ADL3225V的阻抗-频率特性

总结
为使车载摄像头拍摄到的高画质影像等能够利用于汽车安全及舒适行驶,PoC作为可高速传输大容量数据的影像传输接口,其采用正在飞速增长。而高速接口电源叠加用电源电感器ADL3225V型便是使用了TDK长年积累而来的铁氧体技术、绕线技术、设计技术等开发而成的产品。通过减少元件数量,实现了在确保相同特性的同时节省空间的车载PoC。包括符合CAN/FlexRay/以太网等各类车载LAN标准的共模滤波器等在内,TDK进一步充实了支持车载LAN高速化及高度化的电子元件、设备产品阵容。
ADL3225V系列 - 主要规格、特点、用途、电气特性
外观与等效电路

外观

等效电路
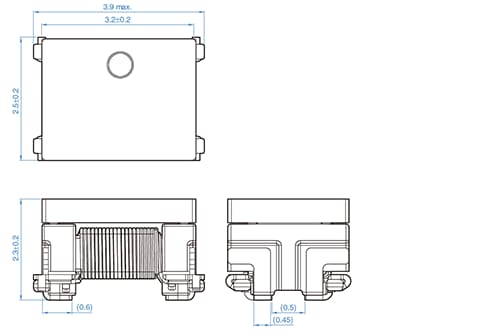
形状与尺寸

主要特点
小型、低背型(封装面积 3.2×2.5mm、高2.6mm max.)
通过独特的绕线设计与结构,实现宽频带的阻抗特性与良好的直流重叠特性
通过完全自动化的生产工艺,确保了统一高质量、高可靠性
无焊锡设计
符合AEC-Q200
符合RoHS指令、对应无铅焊接要求
使用温度范围(包括自我温度上升) : -40~105°C
主要用途
车载PoC(Power Over Coax)中的信号线/电源线分离用电感器
系列和主要电气特性
| 型号 |
电感 @100kHz[μH] |
电感容差 [%] |
直流电阻 Rdc max. [Ω] |
额定电流1 lsat typ. [mA] |
额定电流2 ltemp typ. [mA] |
|---|---|---|---|---|---|
| ADL3225V-470MT-TL000 | 47 | 20 | 0.9 | 300 | 500 |
Isat:根据电感变化率时(比公称值低30%)
Itemp:根据温度上升时(自发热导致温度上升 40℃)
PoC的其他产品(ADL3225VT系列) - 主要规格、特点、用途、电气特性
外观与等效电路

外观

等效电路
形状与尺寸

主要特点
小型、低背型(封装面积 3.2×2.5mm、高2.5mm max.)
通过独特的绕线设计与结构,实现宽频带的阻抗特性与良好的直流重叠特性
通过完全自动化的生产工艺,确保了统一高质量、高可靠性
无焊锡设计
符合AEC-Q200
符合RoHS指令、对应无铅焊接要求
使用温度范围(包括自我温度上升) : -40~150°C
主要用途
车载PoC(Power Over Coax)中的信号线/电源线分离用电感器
系列和主要电气特性
| 型号 |
电感 @100kHz[μH] |
电感容差 [%] |
直流电阻 Rdc max. [Ω] |
额定电流1 lsat typ. [mA] |
额定电流2 ltemp typ. [mA] |
|---|---|---|---|---|---|
| ADL3225VT-100M-TL000 | 10 | 20 | 0.15 | 450 | 1300 |
| ADL3225VT-4R7M-TL000 | 4.7 | 20 | 0.1 | 720 | 1500 |
Isat:根据电感变化率时(比公称值低30%)
Itemp:根据温度上升时(自发热导致温度上升 40℃)
审核编辑:彭菁