时间:2023-06-20 10:47
人气:
作者:admin
在上一课中,森木磊石为大家分享了电源的采样原理和采样调理电路。
我们知道,数字电源控制核心对输入输出参数进行采集后,利用控制算法进行分析从而产生PWM控制信号,PWM信号将经过驱动电路的进行功率放大和隔离,随后接入功率开关器件从而完成电源的输出控制。
本课就接着对电源的驱动电路给大家进行讲解啦。驱动电路概述
▍驱动电路的作用

驱动电路位于电源主电路和数字控制核心之间,其本质是将数字控制核心产生的PWM信号进行功率放大,以驱动功率开关器件的开断。
优良的驱动电路能够提高数字电源的可靠性,减少器件的开关损耗,提高能量转换效率并降低EMI/EMC。
▍驱动电路的分类

驱动电路按照功率器的件接地类型分为:
直接接地驱动电路中功率器件的接地端电位恒定,常用的有推挽驱动以及图腾柱驱动等。
浮动接地驱动的功率器件接地端电位会随电路状态变化而浮动。典型的浮动接地驱动电路为自举驱动电路,它通过电平位移电路连接驱动电路与器件接地参考控制信号。自举电容器 CBST、图腾柱双极驱动器和常规栅极电阻器都可作为电平位移电路。
驱动电路按照电路结构分为:
隔离型驱动电路是指包含光耦、变压器、电容等具有电气隔离功能器件的驱动电路。
非隔离驱动电路不具有电气隔离结构,多采用电阻、二极管、三极管或非隔离型驱动芯片。
▍常见驱动电路形式
1、直接驱动
直接驱动电路是由单个电子元器件(如二极管、三极管、电阻、电容等)连接起来组成的驱动电路,电路中不具备电气隔离,多用于功能简单的小功率驱动场合。在复杂的数字电源系统中,直接驱动电路由于集成度低、故障率高等原因,已被逐渐淘汰。
2、隔离驱动
电路包含隔离器件,常用的有光耦驱动、变压器驱动以及隔离电容驱动等。其中光耦驱动电路具有简单、可靠、开关性能好等特点。而变压器驱动电路不仅可以起到驱动作用,还可用于电压隔离和阻抗匹配。
3、专用驱动集成芯片
目前专用驱动芯片在数字电源中应用广泛,许多驱动芯片自带保护和隔离功能。
根据其控制的功率器件数量,驱动芯片可以分为单驱芯片与双驱芯片。其中双驱芯片通常用于半桥、全桥等电源拓扑,因为需要一对互补的控制信号。而单驱芯片则更适用于buck、boost、反激等电源拓扑。
功率开关管常用驱动
▍MOSFET驱动
MOSFET常用于中小功率数字电源,其驱动电压范围一般在-10~20V之间。MOSFET对驱动电路的功率要求不高,在低频场合可利用三极管直接驱动,而在高频场合多采用变压器或专用芯片进行驱动。
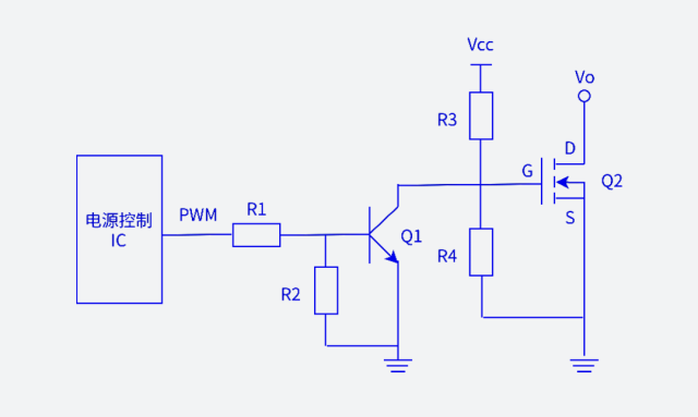
1、三极管驱动电路
三级管驱动电路是最基本的MOS管驱动电路,下面以N—MOS三极管驱动电路为例。

如图,当控制核心输出高电平时,三极管Q1导通,N-MOS管Q2控制极(G)被拉低,MOS管截止;当控制核心输出低电平时,三极管Q1截止,电阻R3和R4对电源(V+)分压,MOS管导通并达到饱和状态。
G极电压为:
Vcc *R4
VG=—————
(R3+ R4)
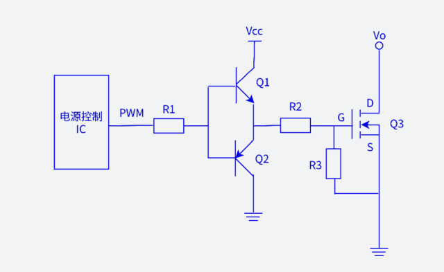
2、推挽驱动电路
当电源IC驱动能力不足时可使用推挽驱动电路。
推挽驱动电路能提升电流供给能力并能快速完成栅极输入电容充电。

如图所示,推挽驱动电路包含一个PNP三极管及一个NPN三极管,采用互补输出。输入高电平时,上管NPN开启,下管PNP关闭,驱动MOS管开启;输入低电平时,上管NPN关闭,下管PNP开启,驱动MOS管关闭。
3、双端变压器耦合栅极驱动
双端变压器耦合栅极驱动电路可同时驱动两个MOS管,多用于高功率半桥和全桥转换器中,其电路结构如图。

在第一个周期内OUTA 开启,给变压器一次绕组施加正电压,上管感应导通。在接下来的一个周期内,OUTB 开启(开启时间与OUTA相同),在磁化电感上提供极性相反的电压,下管导通。电路会产生两个双极性对称的栅极驱动电压输出,符合半桥电路的控制要求。
▍IGBT驱动
IGBT常被用于中大功率数字电源开发,其驱动电压范围为-15~15V。
IGBT驱动电路分为正压驱动和负压驱动,两者的区别在于关断时的门极电位。采用负压关断可以避免因米勒电容对门极电压的抬升作用而产生的误导通风险,还可以加快关断速度,减小关断损耗,从一定程度上提高耐压。
IGBT的驱动电路一般采用专用的驱动芯片,如东芝的TLP系列,富士公司的EXB系列,英飞凌的EiceDRIVER系列等。这里以东芝TLP250和英飞凌1ED020I12-F2为例进行介绍。
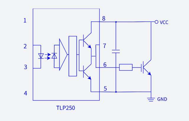
1、东芝TLP250芯片
在低性能的三相电压源或逆变器中,会通过监测直流母线电流来实现电流控制,检测结果可以用于IGBT的过流保护。
在这类电路中,对IGBT驱动电路的要求相对简单。东芝公司生产的TLP250在这种场景中应用较多,其驱动电路如图所示。

TLP250内置光耦合器,其隔离电压可达2500V,上升和下降时间均小于0.5us,输出电流达0.5A,可直接驱动50A/1200V以内的IGBT。驱动器体积小,价格便宜,是不带过电流保护的IGBT驱动芯片中的理想选择。
2、英飞凌1ED020I12-F2芯片
英飞凌公司的1ED020I12F2是一款电流隔离单路IGBT驱动芯片,芯片输出电流典型值为2A,可用于600V/1200V IGBT驱动。其内部集成了无芯变压器实现电气绝缘隔离,能直接连接电源微控制器。

同时,芯片具有过电流和短路保护的DESAT检测功能、有源米勒箝位功能以及两级关断(TLTO)功能,常被用于逆变器和DC/DC转换器等场合。
▍其他功率器件驱动
除了常用的MOS管和IGBT外,一些新型功率器件也广泛使用于数字电源中,如SiC MOSFET和氮化镓晶体管(GaN FET)等。
SiC Mosfet管具有阻断电压高、工作频率高、耐高温能力强、通态电阻低和开关损耗小等特点,适用于高频高压场合。
SiC MOSFET的驱动电压范围为-5~20V,其驱动电路设计应考虑驱动电平与驱动电流的要求,死区时间设定的要求,芯片所带的保护功能以及抗干扰性等。
氮化镓晶体管与硅管相似,也是电压驱动,它的栅源极驱动电压范围为-5~6V。
为了获得较小的驱动电阻, 氮化镓晶体管驱动高电平一般设置在5V左右,考虑到高频工作条件下回路的寄生感抗会引起较大的驱动振荡,驱动电压的安全裕量很小。但是GaN相对于Si MOSFET的一个重要优势在于其高频性能优异。
关于电源的驱动电路本课就讲到这里啦,想必大家都已经对驱动电路的实现方式以及工作原理有了一定的了解。
小森在这里多啰嗦一句,在实际设计驱动电路时,我们可根据使用场景要求(功率、频率、保护、驱动电压/电流等)选择最合适的驱动电路形式。
下一课我们将介绍另一类重要的电源外围电路——通讯电路。
感谢您的关注,我们下期微课堂再见!