时间:2023-04-19 11:00
人气:
作者:admin
没有一种控制模式对每种应用都是最优的,本文参考了非隔离降压控制器和转换器的各种控制模式,介绍了它们的大体工作方式和适用场景,通过本文可以根据设计需求选择合适控制模式的DC-DC芯片。
目前主流的控制模式有:Voltage Mode (VM)、Peak Current Mode、Voltage Feedforward Mode(VFM)、Hysteretic Control Mode、Constant On-Time with Emulated Ripple Mode (COT with ERM)等。
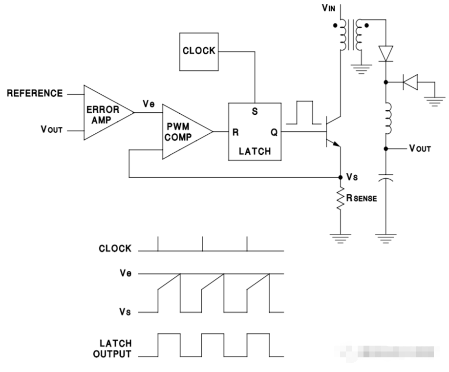
1、Voltage Mode (VM)

采样输出电压与参考电压比较后输出误差放大信号VE,VE与恒定的锯齿波比较后产生占空比控制,当PWM斜坡电压超过误差放大器输出电压时,PWM比较器复位锁存器,从而关闭高侧场效应管并打开低侧场效应管。在下一个振荡器脉冲放电PWM斜坡之前,低侧场效应晶体管一直处于工作状态。
适用场景:需要开关频率固定可知;输出大范围变化负载;输出纹波小一致性高。
对于FPWM 强制脉宽调制模式而言,轻载模式下效率低。
2、Peak Current Mode (PCM)

与VM不同的是误差放大信号uc与电感电流比较后产生驱动信号,峰值电流控制的最大优点是本身具备峰值限流保护的功能,不需要额外的过流保护电路,提高了可靠性。峰值电流控制的缺点主要是对电路噪声比较敏感。(在CCM模式下,占空比D>0.5时需要斜坡补偿才能稳定。斜坡补偿可以附加在Ve上,也可以附加在电感电流采样信号上,对于BUCK芯片已经内置补偿)。
适用场景:需要开关频率固定可知,外围电路简单,设计友好的场景。
3、 Voltage Feedforward Mode(VFM)

电压前馈电压模式与PWM模式不同点在于,其斜坡是Vin通过谐波发生器产生,以恒定的斜坡幅度随输入电压改变PWM斜坡斜率,并对输入电压变化提供瞬时响应。PWM不需要等待回路延迟来改变占空比。
适用场景:需要开关频率固定可知,对Line transient response 要求高的场合。
4、 Hysteretic Control Mode

这是最简单的控制方案。当反馈电压VFB大于参考高阈值时,PWM (SW)上管截至,当反馈电压小于参考低阈值时,上管导通。不需要补偿组件,没有电压电流控制模式中需要信号比较的时间延迟。PWM开关频率不受控制,随负载电流变化,在较轻的负载下提供更高的效率。由于VFB的纹波来自输出,从输出电容器的ESR输出需要一定的纹波,因此对输出噪声敏感。而且从上图右侧的波形可以看出,VFB反馈电压非得超过或小VOUT一段距离才能让开关管动作,且由外部的纹波决定!
适用场景:需要快速瞬态响应, 输出环境相对干净的场合,现在使用迟滞控制模式的DC-DC不多,在此基础上升级的COT模式更加普遍。
5、Constant On-Time with Emulated Ripple Mode (COT with ERM)

与迟滞控制相比,他具有单一电压阈值水平,开通时间恒定,输入电压成比例。当反馈电压低于参考低阈值时,上管导通。通常需要用户采用小纹波注入的方式来控制。如上图,电感电流流过Rr、Cr产生小纹波,再通过Cac隔直取交,并将其注入FB给内部误差比较器与参考电压进行比较。该控制方式具有瞬态响应快、无需外部补偿的优点。
适用场景:需要快速瞬态响应,无外部补偿设计,轻载高效的场合。
此外,关于市面上例如D-CAP,D-CAP2,D-CAP3,DCS-Control等其实都是COT的变种。
后续关于BUCK我们会讲关于BUCK的振铃、EMI、输出LC的影响等问题!
上一篇:LDO常见问题解答