时间:2023-04-19 14:45
人气:
作者:admin
本文在上一篇教程的基础上,稍加改进,用于讲解线性稳压电源的工作原理。这并不是一个非常实用的电路,因为现在很多LDO芯片(低压差线性稳压电源芯片)内部已经集成了线性稳压电路,用起来很方便。但原理与本文是类似的。
上一节的电路效率较低,主要是因为限流电阻接在VCC与输出电压Vo之间,负载需要的电流也需要流过限流电阻。其实TL431只需要1mA的电流就能工作,不需要限流电阻提供太大的电流,毕竟电流经过限流电阻要"交过路费",转为热能浪费掉。
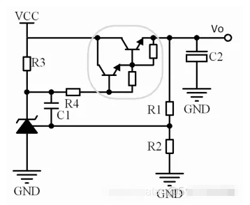
三极管是用小电流控制大电流的器件。三极管串联可以形成达林顿管,它比单管拥有更大的放大倍数。我们把流过限流电阻的电流作为控制信号,来控制流过达林顿管的电流,可以减少限流电阻上的能量浪费。没有大电流经过限流电阻,所以限流电阻的阻值可以大一些。

如果电路带的负载阻值突然变小(则电流相应的突然增大),由于输出端无法提供足够的电流,所以输出电压Vo会降低,导致TL431参考端电压降低,TL431的等效电阻变大,所以达林顿管的基极电压上升,基极电流变大。基极电流变大会导致集电极电流变大上万倍,所以瞬间为电路的输出端提供了足够的电流,保证了输出电压Vo相对稳定。
电路带负载的能力也得到了提升。输出电流经过限流电阻会产生浪费,达林顿管替换了限流电阻,消除了这部分浪费,流入电路的电流绝大多数可以通过达林顿管到达输出。
我查找了一些LDO芯片的原理,在电子发烧友的文章看到了几个LDO也是采样电路+放大管(有的称作误差放大器)的设计。


下一篇:开关电源的工作原理