时间:2023-04-13 14:24
人气:
作者:admin
虽然电源管理对于可靠运行至关重要 现代电子系统,稳压器可能是最后一个 在当今的数字化管理系统中仍然存在“盲点”。少 稳压器具有直接配置或监控的方法 关键电力系统运行参数。结果,功率 想要完全数字控制的设计人员必须使用混合袋 用于编程的定序器、微控制器和电压监控器 基本的调节器启动和安全功能。数字可编程 提供 DC/DC 转换器,尤其是具有 VID 输出的转换器 专为电压调节模块磁芯设计的电压控制 电源,但这些专门 目标转换器不直接 传达重要操作 参数,例如实时电流。
LTC3880/-1 解决了复杂的问题 通过组合双输出进行电源系统管理 同步降压型直流/直流控制器,带 全面的电源管理功能集 通过 I 访问2基于 C 的 PMBus。可以使用 PMBus 设置输出电压、裕量电压、开关 频率、排序和许多其他操作 参数。

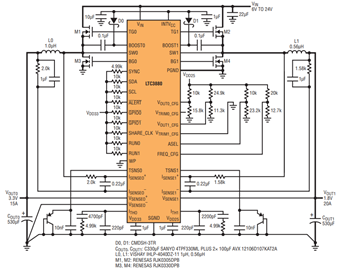
图1.采用外部功率 MOSFET 的双输出稳压器
LTC3880 还允许监视 通过 16 位数据采集供电 系统,提供数字回读 输入和输出电压及电流, 占空比和温度,包括 重要参数的峰值。LTC3880 还包括广泛的 通过中断进行故障记录功能 标记以及非易失性存储器, “黑匣子”记录器,用于存储 转换器工作条件的状态 紧接在故障发生之前。
数字电源系统的主要优势 管理降低了设计成本和 加快上市时间。The LTC3880/-1 大大简化了复杂的设计 多轨系统,可免费下载 LTpowerPlay™开发软件, 基于 PC 的全面开发 环境(见图 6)。在线 测试(ICT)和电路板调试只需要 只需点击几下鼠标 — 无需 焊接在“白线”固定。结果 您的设计可以立即访问, 由于实时的可用性 遥测数据,使 预测电力系统故障并立即 实施预防措施。
也许最重要的是,DC/DC 转换器 具有数字管理功能 让设计师开发绿色 优化能源的电力系统 满足系统性能的同时使用情况 目标(计算速度、数据速率等)。 优化可以在 负载点,在电路板,机架上 甚至在安装级别,降低基础设施成本和总成本 产品生命周期的所有权。
为了提供最佳的性能调节, LTC3880 坚持采用一个精准基准 和温度补偿模拟电流模式控制环路,以产生 严格的 ±0.5% DC 输出电压精度。 模拟控制环路使 补偿,校准为 不受操作条件影响, 产生逐周期电流限制,以及 产生快速准确的响应 线路和负载瞬变——未发现任何与ADC量化相关的误差 在采用数字控制的产品中。
LTC3880 具有一个片内稳压器 用于提高集成度,而 LTC3880-1 允许一个外部 偏置电压可实现最高效率。 两个部件均采用热成像 增强型 6mm × 6mm QFN-40 封装 工作温度范围为 –40°C 至 105°C 结温范围(E级) 或 –40°C 至 125°C 工作结 温度范围(I级)。
模拟控制环路确保 一流的稳压器 性能
LTC3880 / -1 具有数字可编程功能 用于众多功能,包括 输出电压、限流设定点、 和排序。不过,控制回路 保持纯粹的模拟,它提供了 最佳环路稳定性和瞬态响应 没有数字的量化效应 控制回路。图2比较斜坡 带模拟的控制器 IC 的曲线 反馈控制回路与数字控制回路合二为一 反馈控制回路。模拟回路 具有平滑的斜坡,而数字 循环具有离散的步骤,可以产生 在稳定性问题中,较慢的瞬态 响应,更需要输出电容 在某些应用及更高应用中 PWM 控制上的输出纹波和抖动 由于量化效应引起的信号。

图2.LTC3880 的模拟控制环路与数字控制环路的比较
事实上,当面对可比的 带数字控制环路的 IC, LTC3880 的模拟控制环路采用 50% 输出电容越小,稳定性越好 具有更短的稳定时间。此外 数字控制瞬态响应 在稳定之前有振荡,由于 到量化效应引起的 其有限的ADC分辨率。图 3 显示 LTC3880 的瞬态响应 模拟控制环路与竞争对手的数字控制环路相比。注意 LTC3880 可提供更清晰的结果 输出约为一半 数字控制器的电容。

图3.模拟和数字控制环路对 15A 瞬态负载阶跃的比较响应。模拟控制环路只需要数字环路一半的输出电容,同时产生远超的建立时间。
LTC3880 的设计使环路增益 配置时不会更改 文件已修改。当输出电压 或修改电流限制, 瞬态响应不受影响,并且 补偿回路无需调整。
PMBus控制
LTC3880 / -1 具有数字编程功能 并回读以进行实时控制 以及关键负载点的监控 转换器函数。配置是 通过 我2线性支持的 C 串行接口 技术的LTpowerPlay基于PC。 开发软件。图 4 显示了 LTpowerPlay开发平台 a USB 转 I2C/SMBus/PMBus 适配器。后 配置文件存储在片上 非易失性存储器,控制器供电 自主启动,不会给 主机。配置电路板是一项简单的任务 这需要零固件开发。

图4.使用LTpowerPlay软件轻松设置完整的开发平台
PMBus 功能包括能力 对特定电源进行编程 管理参数包括:
输出电压和裕量电压
温度补偿电流限制 基于电感温度的阈值
开关频率
过压和欠压高速 主管阈值
输出电压开/关时间延迟
输出电压上升/下降时间
输入电压开/关阈值
输出轨开/关
输出轨裕度-高/余量-LO
对内部/外部故障的响应
故障传播
此外,PMBus 功能 允许监控电源 供应业务包括:
输出/输入电压
输出/输入电流
内部芯片温度
外部电感器温度
部件状态
故障状态
系统状态
峰值输出电流
峰值输出电压
内部/外部峰值温度
故障日志状态
组装多轨 系统
大型多轨电源板通常是 由隔离的中间体组成 总线转换器,可转换 48V、24V 或其他相对较高的电压 从背板到中下层 总线电压 (IBV),通常为 12V, 分布在PC卡周围。
单个负载点 (POL) DC-DC 转换器 将 IBV 降压到所需的 轨道电压,通常范围为 0.5V 至 5V,输出电流范围 从0.5A到120A。图 5 显示了如何 多轨系统可通过以下方式控制 各种凌力尔特控制器 和直流/直流转换器 PMBus 设备。这 负载点 DC/DC 转换器可以是 独立模块,单片设备 或包含 DC/DC 控制器的解决方案 IC、相关电感器、电容器 和场效应管。这些导轨通常具有 对排序、电压有严格要求 精度、过流和过压 限制、保证金和监督。

图5.LTpowerPlay和PMBus用于控制15个或更多电源轨。
电源管理的复杂性 正在增加。这种情况并不少见 电路板要有 30 多个导轨.这些 板子已经很密集了,所以 增加数字电源系统管理 电路必须需要最少的电路板 空间和外部引脚。系统必须 易于用户或系统修改 主机处理器。LTC3880 工作 与其他凌力尔特技术无缝连接 PMBus 监控器、配套 IC 和 凌力尔特稳压器,实现最佳性能 控制复杂电路板。这些系统 初始配置后自主运行 或与主机通信 命令、控制和报告遥测数据。
凌力尔特 PMBus 控制器,如 作为 LTC3880 和配套 IC,例如 因为 LTC2978 使其易于编程 上电和关断时序 适用于任意数量的耗材。通过使用 基于时间的算法,用户可以动态 在任何情况下打开和关闭的序列导轨 以简单的可编程延迟订购。 跨多个芯片进行测序 可以使用 1 线SHARE_CLK总线和一个或多个双向 通用 IO (GPIO) 引脚。这 大大简化了系统设计,因为 轨道可以按任意顺序排序。 以后可以添加额外的PMBus芯片 无需担心系统 约束,例如有限数量的 连接器引脚。多个地址是 在 PMBus 中支持允许超过 100 个 同一 I 上的独特设备2C总线。
电源轨排序到导通状态可以是 触发响应各种 条件。例如,LTC3880 LTC2978 可在以下情况下自动排序: 中间总线电压超过编程电压 阈值 (V在(上)).或者 可以启动测序轨道 为了应对上升沿 运行/控制引脚。排序轨道可以 也由 PMBus 命令启动。
LTC3880 上的 GPIO 引脚可以是 与 LTC PMBus 的故障引脚共享 用于控制故障响应的配套IC 轨道之间的依赖关系。例如 系统可以配置为 一个电源轨上的故障可能会启动关断 任意数量的导轨。如果故障 响应配置为“立即关闭” 不重试“,如果发生故障,主机必须 对重新启动电源轨执行操作。 或者,如果设置了故障响应 到“立即关闭无限重试”和 发生故障,导轨尝试供电 通过用户可编程自主启动 打嗝模式下的延迟。故障 响应也可以设置为“忽略”, 其中 ALERT 引脚被拉低 对故障的响应,以向主机发出警报 问题,但电源继续 为负载供电。GPIO 引脚 也可以配置为电源良好 状态引脚或作为快速 UV 比较器 基于事件的排序的输出。
LTpowerPlay开发系统
完全支持 LTC3880 的控制 通过基于LTpowerPlay PC的软件 开发系统,它允许 设计器以修改配置 所有凌力尔特 PMBus 的设置 实时产品 — 无需手动操作 重新接线电路板。图 6 显示 LTpower在行动中播放,控制一个 多个设备的功能数量, 如输出电压、保护 限制和开/关坡道。一些波形 显示包括排序 多个轨道和遥测图。一个故障 条件用违规表示 红色轨道和黄色任何受影响的轨道。

图6.复杂的多轨电力系统简化了操作。LTpowerPlay让完整的电源控制触手可及。
LTpowerPlay与 其他凌力尔特控制器和 配套IC,以便快速轻松地 配置多个轨道电源系统。
结论
LTC3880 / -1 结合了同类最佳的 精密模拟开关稳压器 数据转换和灵活的数字 界面带来无与伦比的性能。 多个 LTC3880 可与 其他LTC产品创建优化 多轨数字电源系统。都 凌力尔特 PMBus 产品是 由易于使用的LTpowerPlay提供支持 软件开发系统。
模拟电源的数字控制 使设计人员能够获得他们的系统 快速启动和运行,提供简单的 监测、控制和调整供应的方式 电压、限值和排序。生产 保证金测试很容易执行 几个标准的 PMBus 命令。 调试也得到了简化,因为导轨 状态通过总线进行通信。
电力系统数据可以发送回 OEM 提供以下信息: 电源提供健康和能量 消费。如果返回板,则 可以读取故障日志以确定哪个 发生故障时,电路板温度和 故障发生时间和历史 导致故障的数据。此数据 可用于快速确定根 原因,系统是否已运行 超出其指定的操作限制,或 改进未来产品的设计。 功耗数据可用于 实时降低整体功耗。
数字电力是一个快速增长的领域 以客户需求为驱动 更复杂的电路板。LTC3880 和 其他凌力尔特 PMBus 产品 携手合作,提供灵活的数字化 控制高性能电源。
审核编辑:郭婷