时间:2023-04-14 11:08
人气:
作者:admin
曾经被认为是极端的电气条件现在已成为常态。现代电子系统需要高电流和极低电压,在 DC/DC 转换器看来,这可能是间歇性电气短路。低于0.9V的电源轨需要25A或更高的电流的情况并不少见。在这种环境下,严格的总差分调节精度对于实现内核处理器和大型ASIC供电所需的苛刻电压容差至关重要。此外,PCB和元件尺寸的限制推高了转换器的工作频率,以便使用更小的元件。
LTC3838 和 LTC3839 控制器专为满足要求最苛刻的低输出电压、高负载电流应用的需要而设计。两者都具有卓越的差分调节精度和快速瞬态响应。受控导通时间架构可产生低至 30ns 的最小导通时间,并且能够在 200kHz 至 2MHz 范围内切换频率,并与一个外部时钟同步。

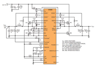
图1.4.5V至38V输入,1.2/15A,1.5V/15A双输出,350MHz降压转换器。当输出直接通过电阻分压器网络进行检测时,通道1中的遥感方案模仿通道2中使用的传统反馈。LTC3838 的新颖远程检测方案免除了其他器件所需的差分放大器输出引脚。
除了架构优势外,专有的检测瞬态释放 (DTR) 功能还改善了高降压比、低输出电压应用中的瞬态性能。这使得 LTC3838 / LTC3839 能够保持准确度并比其它拓扑更快地响应负载瞬变。
在高输出电流电源应用中,充分了解整体调节精度非常重要。为此,LTC3838 和 LTC3839 在内部组合了输出差分放大器和误差放大器,并将 DC、线路和负载调节输出电压误差指定为单个集总参数。这使得 LTC3838 和 LTC3839 能够实现其他控制器所不具备的总差分准确度水平。



图2.开关频率恒定,稳态时锁相,但通过瞬时调整开关频率来实现快速瞬态性能:在负载阶跃上增加开关频率;在负载释放时减少它。
LTC3838 和 LTC3839 使得高频开关在高输入电压、低输出电压转换器中切实可行。这两款器件都可以在高开关频率下产生高降压比,同时在重负载电流下保持高效率——这在以前由于其他架构固有的开关损耗和局限性更大而具有挑战性。例如,在图 12 所示的典型 3V 输入至 3.25V/3A 输出应用中,LTC3838 / LTC3839 在 93MHz 时可提供 2% 的峰值效率。



图3.2MHz、3.3V/25A降压转换器。LTC3838 / LTC3839 能够在高于 AM 无线电频段 (fSW > 1.8MHz) 的开关频率下运作。高开关频率允许使用基底面非常小的电感器,因此整个电路可以安装在两侧填充的0.9in2区域内。峰值效率为95%,满载效率在25A时远高于90%,即使在2MHz频率下也是如此。
灵活的双/单路输出,高精度远程检测
LTC3838 的双通道可针对双输出或单输出应用进行配置,而 LTC3839 则专用于单输出应用。在每通道电流高达 4A 的应用中,两者都将 5.38V 至 40V (绝对最大值为 0V 的输入)向下转换为 6.5V 至 5.6V (25V 绝对最大值) 的输出。
其遥感差分反馈具有 ±0.67% 的电压调节精度,而远端电源接地的偏差可能高达 ±500mV。
LTC3838 的第二个通道能够提供一个独立的 ±1% 输出,或与第一个通道一起用作单输出、更高电流应用的多相通道之一。对于较高的负载电流或为了最大限度地提高效率,多个 LTC3838 和 LTC3839 可以并联多达 12 相。
快速瞬态性能,恒定频率
LTC3838 和 LTC3839 采用新的受控导通时间、谷值电流模式架构,专为快速瞬态性能而作准备。这种架构保留了恒定导通时间控制器的优点:它通过一系列连续的导通时间脉冲响应负载突然增加,中间的关断时间非常短,无需像固定频率控制器那样等待下一个开关周期。在负载释放期间,LTC90 / LTC3838 延迟顶部 FET 的导通,直到电感器电流降至所需值,从而防止对输出电容器过度充电。一旦瞬态条件消退,开关频率将迅速恢复到编程的标称或外部时钟频率。
同时,调整导通时间(因此控制导通时间),使开关频率在稳态操作期间恒定,与其内部可编程或外部时钟同步,以模拟具有可预测开关噪声的固定频率控制器。
高宽降压比、开关频率
LTC3838 / LTC3839 的 30ns 最小导通时间 (60ns 有效导通时间,具有死区时间延迟) 可实现高 VIN 至低 VOUT 应用的低占空比 (即使该器件在高频下工作也是如此)。90ns 的最小关断时间有助于实现高占空比操作,并在 VIN 仅略高于稳压 VOUT 时避免输出压降。
LTC3838 和 LTC3839 能够实现一个 200kHz 至 2MHz 的整整十年可编程开关频率。它们可以同步到编程频率的 ±30% 的外部时钟。
新型瞬态检测可降低负载释放 VOUT 过冲
随着输出电压变低,VIN至VOUT降压比增加,一个主要挑战是在快速负载电流下降期间限制VOUT的过冲。LTC3838 / LTC3839 的一个创新特性是通过监视 ITH 负转换速率来间接检测“负载释放”瞬变。


图图4.瞬态检测通过检测瞬态(DTR)引脚完成,该引脚的直流偏置略高于1/2 INTVCC,并通过补偿电容CITH1交流耦合到ITH引脚。等效补偿电阻 RITH = RITH1 ||RITH2.
检测通过检测瞬态(DTR)引脚完成,该引脚通过补偿电容耦合到ITH引脚。在稳态下,DTR引脚仍略高于检测阈值(INTV电压的一半)抄送引脚),带有 INTV 补偿电阻的分压器抄送到SGND。

图5.负载释放检测瞬态 (DTR) 功能显著降低了 Vout超调和恢复监管的时间。(阴影是在负载释放步骤触发的示波器上无限持久获得的。
如果负载电流突然下降,输出电压会过冲,ITH会迅速下降。如果DTR引脚降至INTV的一半以下抄送,LTC3838 / LTC3839 暂时关断底部 MOSFET,电感器电流流过底部 MOSFET 的体二极管。这增加了电感两端的反向压降,使电感电流更快地降至零,从而降低V外通过减少输出电容的过充电进行过冲。
一旦电感电流达到零,底部 MOSFET 重新导通,将电感电流拉至负,使输出电容放电以恢复调节。
结论
LTC®3838 和 LTC3839 是高性能、功能丰富的两相、同步降压型 DC/DC 控制器,在双输出或单输出应用中出色地满足高电流、低电压负载的性能要求。

图6.LTC3839 采用单 1.2V/50A 输出、两相、300kHz、DCR 检测、降压型转换器,并具有检测瞬态负载释放 (DTR) 功能,可实现 VOUT 过冲降低。LTC3838 也可在此处使用。LTC3838 / LTC3839 非常适合于为低电压、高电流、快速转换速率负载供电 (例如采用一个微处理器)。
其受控导通时间架构保留了传统恒定导通时间控制器的快速响应和低导通时间,并允许恒定频率和外部时钟同步。
其他独特特性包括新型远程输出检测(允许 ±500mV 远程接地)和负载释放瞬态检测,用于减少过冲。
此外,LTC3838 和 LTC3839 还包括一些常用特性,例如:
外部 V抄送用于降低控制器损耗的电源引脚
连续可编程的电流限制范围,可通过任一 R 实现灵活性意义或电感直流电阻检测
可选择轻负载操作模式:非连续操作(类似于突发模式操作)以提高效率,或强制连续操作以实现恒定频率®
过压保护和限流折返
每个输出的软启动/电源轨跟踪、PGOOD和RUN引脚。
LTC3838 采用 38 引脚 QFN (5mm × 7mm) 封装和 TSSOP 封装。LTC3839 采用一个 32 引脚 QFN (5mm × 5mm) 封装。所有封装均具有裸焊盘,以增强热性能。
审核编辑:郭婷