时间:2023-04-14 11:22
人气:
作者:admin
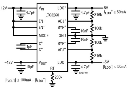
操作运算放大器、驱动器或传感器等电子设备通常需要双极性电源,但在负载点很少有双极性电源可用。LTC®3260 是一款具有双通道低噪声 LDO 稳压器的反相充电泵 (无电感) DC/DC 转换器,能够采用单个宽输入 (4.5V 至 32V) 电源产生正电源和负电源。它可以在高效突发模式操作和低噪声恒定频率模式之间切换,使其对便携式和噪声敏感型应用都具有吸引力。LTC3260 采用扁平 3mm × 4mm DFN 或耐热性能增强型 16 引脚 MSOP 封装,从而产生了具有最少外部组件的紧凑型解决方案。图 1 示出了一款采用 LTC12 的典型 5V 至 ±3260V 应用。

图1.典型值 12V 至 ±5V 电源
反相电荷泵
LTC3260 能够从其充电泵输出端 VOUT 上的反相输入电压提供高达 100mA 的电流。VOUT 还可用作负 LDO 稳压器 LDO– 的输入电源。电荷泵频率可通过单个外部电阻器在 50kHz 至 500kHz 之间调节。MODE 引脚用于在高效率突发模式操作或恒定频率模式之间进行选择,以满足低噪声要求。
恒频模式
RT 引脚上的单个电阻器用于设置电荷泵的恒定工作频率。如果RT引脚接地,则电荷泵工作在500kHz,其中开环输出电阻(R老)和输出纹波经过优化,允许最大可用输出功率,峰峰值输出纹波仅为几毫伏。
如图2所示,通过降低工作频率可以提高轻负载效率,但代价是输出纹波增加。

图2.LTC3260 VIN 至 VOUT 和 VIN 至 LDO – 图 1 中电路的效率与频率的关系
较低的工作频率会产生较高的有效开环电阻(ROL),但降低的开关速率也会降低输入电流,从而提高轻负载时的效率。此外,在相对较重的负载下,增加的ROL降低了VOUT和LDO-之间的有效差值,从而降低了负LDO的功耗。累积结果是在高输入电压和/或轻负载下实现更高的整体效率。降低频率会增加输出纹波,如下文和图3所示。

一般而言,恒定频率模式适用于即使在轻负载下也需要低输出纹波的应用,但使用突发模式操作可以进一步提高轻负载效率,如下所述。

图3.VOUT 500mA 负载时 200kHz、50kHz 和 20kHz 时的恒定频率纹波比较
突发模式操作
图4显示了脉冲模式操作下电荷泵的轻负载效率。突发模式操作比恒定频率模式增加输出纹波,但纹波的增加仅占VIN的一小部分,如图5所示。突发模式操作是通过对接近 –VIN 的 VOUT 进行充电来实现的。然后,LTC3260 进入一种低静态电流睡眠状态 (在两个 LDO 稳压器均使能时约为 100μA),直到达到突发迟滞。然后电荷泵唤醒,循环重复。平均 VOUT 约为 –0.94VIN。随着负载的增加,电荷泵更频繁地运行以保持输出处于稳压状态。如果负载增加足够多,电荷泵会自动切换到恒定频率模式以保持稳压。

图4.LTC3260 突发模式操作效率

图5.V外突发模式下的纹波
双 LDO
LTC3260 的两个 LDO — 由 V 供电的正 LDO 稳压器在和由 V 提供的负 LDO 稳压器外— 能够支持 50mA 负载。每个LDO具有一个300mV的压差和一个50mA的输出,并具有一个调节引脚,允许通过一个简单的电阻分压器来设置输出电压。LDO稳压器可以单独使能。英文版–引脚使能反相电荷泵和LDO–.当两个稳压器均停用时,该器件关断时静态电流仅为 2μA。LDO基准可以通过在每个旁路引脚上添加一个电容来滤除,以进一步降低LDO稳压器输出端的噪声。
结论
LTC3260 采用单个正电源产生低噪声正电源和负电源。LTC3260 具有可选的突发模式操作以在电池供电型器件中实现轻负载效率,或具有低噪声恒定频率模式以用于噪声敏感型应用。LTC3260 的反相充电泵和双通道 LDO 稳压器的组合为具有 4.5V 至 32V 输入的应用提供了优雅的解决方案。
审核编辑:郭婷