时间:2023-04-15 11:15
人气:
作者:admin
以太网供电 (PoE) 已被视频监控行业所接受,作为解决一个古老问题的解决方案:复杂的布线。例如,基本的传统固定视图安全摄像机需要两根电缆:一根用于电源(10V AC 或 15V DC 的 24W 至 12W),另一根单独的同轴电缆用于视频信号。借助 PoE,单根以太网电缆可同时传输视频数据和电源。
差一点。为了满足与现有系统的兼容性,摄像机制造商必须生产支持 PoE 且与传统电源兼容的摄像机 - 它们必须接受来自 RJ-37 插孔的 PoE 57V 至 45V 直流或来自辅助电源连接器的 24V 交流、+12V 直流或 –12V 直流。
旧方式失去力量
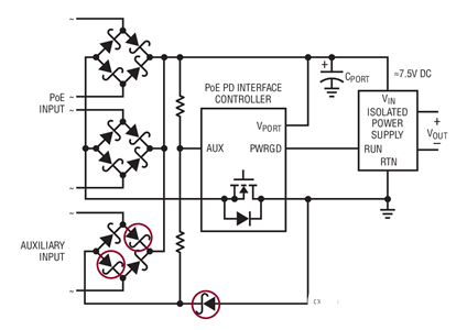
图 1 显示了许多 PoE 摄像头制造商用于解决此问题的电源架构。辅助(老式)输入之后的全桥二极管整流器可从 24V AC、+12V DC 或 –12V DC 产生正直流电源。由此产生的直流电源和PoE输入由二极管OR化,获胜电源馈送到宽输入电压隔离开关电源,后者又为相机电子设备供电。

图1.辅助输入和 PoE 电源架构
这种电源架构带来了一些挑战。当相机由辅助输入供电时,三个二极管(在图1中圈出)落入电源路径。除了这种设计的低效率以及二极管功耗可能产生的发热问题外,三个二极管还会导致开关电源输入端的压降显著。使用 10W 至 15W 的摄像头,这些挑战很容易克服,但最新的安全摄像头将功耗提高了一倍。平移/倾斜/变焦 (PTZ) 和用于户外操作的摄像机镜头加热器等功能使这种电源架构不适合这种新一波的摄像机。
为了说明架构的不足,请考虑一个 26W 摄像头。对于 12V DC 辅助输入(由于使用了未稳压的壁式电源适配器/AC 适配器,假设实际上是 9V DC)和三个 0.5V 压降肖特基二极管,开关电源的输入电压为 7.5V (9V – 3 • 0.5V)。该相机的输入电流约为3.5A (26W / 7.5V)。电源路径中三个肖特基二极管的合成功耗为5.2W (3.5A • 3 • 0.5V)。这种功耗会导致相机内部温度升高,这很难缓解,耗时且成本高昂。
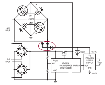
使用理想二极管提高性能
图 2 显示了解决此缺点的方法。这里,全桥整流器的两个二极管被理想二极管取代,如图2所示(黑色)。理想二极管只是控制其行为类似于常规二极管的MOSFET。理想二极管的优点是可以使用具有低沟道电阻(RDS(ON)),从而降低正向压降(IDS• RDS(ON))远小于肖特基二极管压降。LT®4320 理想二极管桥式控制器能够在一种全桥配置中控制 1 个 MOSFET。图 4275 中的二极管 OR 引起的第三个二极管压降由 LT2 LTPoE++™/PoE+/PoE PD 控制器消除。其拓扑结构允许使用几个小信号二极管(在图《》中圈出在一起(红色),用于辅助输入检测。这些二极管不像传统架构那样位于电源路径中,因此它们不会产生任何额外的压降或发热问题。
结果
与图2相比,图1所示的电源架构显著降低了总功耗。为了量化,LT4320 与低通道电阻 MOSFET 相结合,可在每个理想二极管桥 MOSFET 上产生 20mV 的压降。这在 8.96V (9V – 2 • 20mV) 隔离电源下产生输入。较高的输入电压使所需的输入电流降至仅2.9A (26W/8.96V),而原来为3.5A。
改进后的架构产生的功耗现在仅为116mW (2.9A • 2 • 20mV),而原始架构为5.2W,降低了45×!此外,较低的输入电流进一步降低了隔离电源功率组件(即输入滤波电感器、电源变压器和开关MOSFET)的功耗,因为它们的I减小了2R 功率损耗。一个简单的计算表明,这种减少量为31%(100% – 2.9A2 / 3.5A2)。
结论
将 LT4320 和 LT4275 添加到支持 PoE 的安全摄像头的辅助和 PoE 输入中,与传统的全桥 / 二极管 OR 设计相比,可恢复超过 5W (5.2W – 116mW) 的功耗。功耗的降低简化了 PoE 安防摄像机的热设计时间和复杂性。

图2.改进的电源架构,电源路径中没有二极管压降
审核编辑:郭婷