时间:2023-04-12 09:52
人气:
作者:admin
PFC是一种解决传统AC整流电路引起的电网污染问题的电路. 常规整流滤波电路的整流桥只有在输入正弦波电压接近峰值时才会导通, 因此导致了输入电流程严重非正弦性, 导致输入产生了大量谐波电流成份, 降低了电网的利用率同时有潜在的干扰其他电器的可能.
PFC电路通过对输入AC电流进行'整形', 使输入电流为近似和输入电压同相位的正弦波, 达到了输入功率接近1的可能.
常用的PFC电路均为Boost升压拓扑, 根据Boost拓扑在不同工作模式(DCM\\BCM\\CCM)下的特性不同, 控制方法可以分为3种. BCM和CCM采用的较多, BCM为变频控制, 可以实现零电压开启(降低开通损耗), 但是较高的开关管有效电流限制了它只能在中小功率的场合, 大功率场合是CCM的天下.
对于CCM的PFC, 主要问题是二极管的反向恢复问题, 在反向恢复期间产生的大反向电流会产生额外的损耗还有潜在干扰电路的风险. 具体可以通过增加RC电路(有损)或者ZVT技术(无损,但是比较复杂)进行解决, 这里暂时不进行讨论.
由于PFC通常被设计成宽电压输入模式(85-265V输入), 在低输入电压时输入电流会比较大, 当输出功率比较大时, 各功率器件尤其是输入整流桥的电流压力和散热压力尤为明显. 如下图

当开关管开通时, 电流会经过2个低速整流二极管, 1个mos管, 当开关管关闭的时候, 电流会经过2个低速整流管和1个快恢复二极管.
对于110V情况下输出1500W的PFC来说,整流桥损耗可达30W左右, 是一个相当可观的数字如果能通过改进拓扑取消掉整流桥, 将会极大的提高效率. 改进的电路如下图, 它在每个正周期内和负周期内等效为1个普通的Boost拓扑:

电感电流上升的周期(相当于普通Boost中mos开通时), 电流经过2个mos管(其中一个反向导通), 当电感电流下降时,电流经过1个mos的体二极管和一个快恢复二极管. 由于经过的半导体数目减少了, 而且mos具有更低的导通电阻, 因此能极大的提高效率.
两个mos管可以直接由传统CCM控制芯片同时驱动, 也可以加入同步整流逻辑之后驱动, 这样可以在电感电流下降的时候提供一个mos管的低压降导通回路, 再提升那么一点点效率.
这种拓扑带来效率提升的同时, 也带来了一些新的问题:
做产品需要考虑效率, 稳定性, 成本, EMC(电磁兼容) 等不同因素, 有的时候必须在这之间进行取舍.
这里有六种无桥PFC, 分别是:

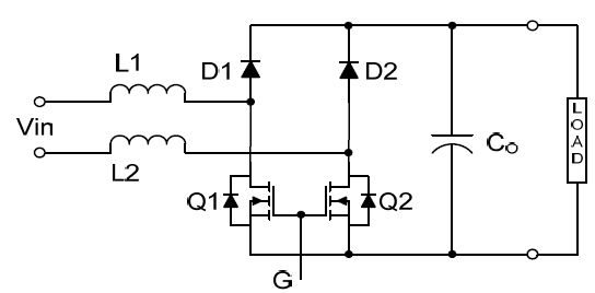
标准无桥PFC
这种PFC在正负半周的时候, 两个管子一个续流一个充当高频开关。
这种拓扑的优点是使用功率元件比较少, 两个管子可以一起驱动, 这简化了驱动电路的设计, 同时让直接使用传统APFC的控制芯片成为可能.
但它同时存在几个问题, 电流流向复杂而且不共地, 电流采样困难, 有较大的共模干扰因此输入滤波器要仔细设计
针对头一个问题, ST公司和IR公司的一些应用文档中已经比较详细的介绍了两种比较可行的采用互感器的方法

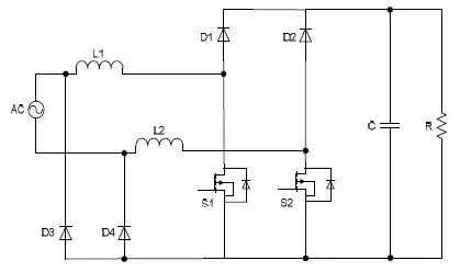
双Boost无桥PFC
这种拓扑由标准无桥PFC改良而来, 增加了D3和D4作为低频电流的回路, S1和S2只作为高频开关而不参与低频续流
同标准无桥PFC, S1和S2能同时驱动, 而在两个低频二极管D3和D4之后插入取样电阻又可以像普通PFC简单地传感电流
同时这种拓扑具有更低的工模电流
但是这种拓扑必须使用两个电感, 电流流向有不确定性, 低频二极管和mos的体二极管可能同时导通, 增加了不稳定因素
'
双向开关无桥PFC
S1和S2组成了双向开关, 他们可以同时驱动, 采用电流互感器可以很容易的检测电流, D1和D3为超快恢复二极管, D2和D4可以采用低频二极管。
缺点在于整个电路的电势相对于大地都在剧烈变化, 会产生比标准无桥PFC更严重的EMC问题, 输出电压无法直接采样, 需要隔离采样(使用光耦, 但是会增加复杂度) 。

图腾柱PFC
由标准无桥PFC演化而来, 但是原理稍微改变。
D1和D2为低频二极管, S1和S2的体二极管提供高频整流开关作用。
这种电路具有较低的EMI, 使用元件较少, 设计可以很紧凑。
但是S1和S2需要使用不同的驱动信号, 工频周期不同信号也不一样, 增加了控制的复杂性, S2不容易驱动(可以尝试IR2110等自举驱动芯片) 。
S1和S2如果采用mos, mos的体二极管恢复较慢(通常数百ns)会产生较大的电流倒灌脉冲, 引起很大的损耗, 足以抵消无桥低损耗的优势。
S1和S2如果采用IGBT, 虽然其体二极管的性能没问题, 但是其导通压降比较大, 也会产生很高的损耗, 尤其是在低电压输入的情况下。
现在有一些国外公司在研制GaN和SiC高性能开关管, 开关速度极快, 没有体二极管反向恢复问题, 这些技术尚在研发中, 现在是在市场上见不到这些产品的. 如果未来这些高性能器件能大规模普及, 图腾柱PFC将有机会成为最流行最高效的PFC拓扑。

假图腾柱PFC
在图腾柱PFC基础上演化而来 D2和D4代替了原来S1和S2内部的体二极管的续流作用。
控制方式和图腾柱PFC完全相同。
这种拓扑需要两个电感, 利用率不高, 体积较大, S2极难驱动。
这种拓扑只能算在高性能开关器件诞生前的一种这种方案。
介绍了这六种PFC, 每一时刻电流只通过两个功率开关器件, 比传统PFC的三个少, 在不使用软开关和交错技术的情况下, 理论上这些拓扑的损耗几乎相差无几, 都比传统PFC高。剩下的主要就从EMC和易于实现的角度考虑了。
综合考虑下来还是 采用标准无桥PFC作为现阶段的拓扑, GaN开关器件普及之后采用图腾柱PFC。
上一篇:什么是功率因数补偿
下一篇:485隔离电路参考设计