在电子产品开发中ESD静电防护是不可或缺的一环,下面就为大家简单介绍一下,核心板产品开发时有用的ESD二极管知识和技巧。
ESD管的介绍
ESD(Electrostatic Discharge Protection Devices),静电保护元器件,又称瞬态电压抑制二极管阵列(TVS Array),是由多个TVS晶粒或二极管采用不同的布局设计成具有特定功能的多路或单路ESD保护器件,主要应用于各类通信接口静电保护,比如USB、HDMI、RS485、RS232、VGA、RJ11、RJ45、BNC、SIM、SD等接口中。
ESD静电二极管特性
- 低电容:结电容低,通常在PF级别;
- 快速的响应时间:通常在ps级;
- 封装体积小,小型化器件,节约PCB空间;
- 灵活度高,可以根据应用需求设计电容、封装形式、浪涌承受能力等参数。ESD静电二极管选型指南
- ESD静电二极管的截止电压V
RWM要大于等于电路中最高工作电压;
- 脉冲峰值电流I
PP和最大箝位电压VC的选择,要根据线路上可能出现的最大浪涌电流来选择合适IPP的型号,需要注意的是,此时的VC应小于被保护晶片所能耐受的最大峰值电压;
- 用于高速信号的保护时,还要注意所传输信号的频率或传输速率,当信号频率或传输速率较高时,应选用低电容系列的ESD静电二极管;
- ESD有单向(A)和双向(C)之分,根据工作的信号进行选择,单极性的信号可以选择单向的 ESD或双向的ESD, 双极性的信号要选择双向的ESD。
选型基本原则
致远电子嵌入式核心板产品M3568工控核心板,拥有非常成熟的设计案例可供参考,其中的接口均设计了ESD保护电路,并通过了静电测试,保证产品的持续稳定运行,可以放心使用。
- 如通用外设串口的ESD设计, 采用通用的低速ESD二极管,截止电压3.3V,钳位电压12V,结电容100pF,通过100欧串阻配合降低峰值电压,参考设计如下:

图1 嵌入式核心板M3568 UART口ESD设计参考
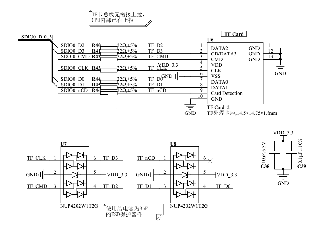
- 如SDIO高速信号的ESD设计, 使用低结电容的高速信号专用ESD保护器件,可令SDIO的通信质量不受影响,参考设计如下:

图2 嵌入式核心板M3568 SD/MMC设计参考
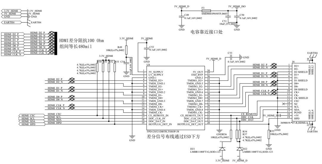
- 如HDMI高速信号的ESD设计, 采用HDMI专用的接口保护器件,除了提供ESD防护之外,还能给EDID信号提供隔离和电平转换,参考设计如下:
