时间:2023-04-04 11:27
人气:
作者:admin
直流容限电流互感器长期以来一直用于检测智能电表中的交流电流,但它们有缺点并且可能很昂贵。对于某些应用,电阻分流器是更好的电流传感器,因为它们价格低廉,高度线性且不受磁影响。遗憾的是,电阻分流器不具有电流互感器固有的电气隔离。在需要隔离的智能电表等应用中,采用隔离电源技术的数字隔离器与分流电阻器相结合,可以很好地解决这一问题。
单相防篡改智能电表
考虑图1中的单相防篡改智能电表。模拟前端 (AFE) IC 通过使用电阻分流器测量相电流和使用简单的分压器测量相电压来计算能量并监控负载质量。在此应用中,电源线相电压用作AFE的接地参考。中性线电流测量必须隔离,以保护AFE免受高压的影响。AFE 使用标准 SPI 或 I 将计算出的电量传输到微控制器 (MCU)2C 通信。然后,MCU将数据发送到通信模块,通常使用UART接口,必须确保安全隔离并避免接地环路。因此,MCU必须与AFE隔离,与通信模块共享接地(隔离1),或与通信模块隔离,与AFE共享接地(隔离2)。

图1.单相防篡改智能电表
仪表电源来自电源线,但安全隔离栅会产生两个电源域。图1中的PS1与相位位于同一域中,无需隔离AFE即可使用。但是,安全隔离栅 1 或 2 需要使用隔离电源 PS2 为 MCU 和通信模块供电(隔离 1),或者仅向通信模块供电(隔离 2)。
总而言之,单相防篡改仪表中的多个点需要隔离:
中性线电流检测
AFE 和 MCU 之间(隔离 1)或 MCU 和通信模块之间(隔离 2)
必须通过隔离栅1和2的信号是数字信号。已经开发出许多技术来隔离数字信号。传统方法使用带有LED和光电二极管的光耦合器。然而,较新的技术以使用芯片级变压器的数字隔离器的形式存在。我例如,与光耦合器相比,耦合器数字隔离器具有更高的可靠性、更小的尺寸、更低的功耗、更高的通信速度、更好的定时精度和易用性等优势。芯片级隔离技术还可以与其他半导体电路结合使用,以小尺寸实现高度集成的解决方案。这些优势在具有较高数据速率的应用中最为强。智能电能计量就是这样一种应用,因为较新的电表现在需要更高的实时信息流。®
芯片级变压器也可用于隔离式DC-DC转换器,允许将数据和电源隔离集成到单个封装中。我耦合器产品提供这种能力,将isoPower隔离式DC-DC转换器集成到与隔离数据通道相同的表面贴装薄型封装中。考虑上例中的零线电流检测。传统上使用电流互感器,因为它提供固有的隔离,但电流互感器必须具有直流耐受性以避免饱和,这增加了其成本。它们还引入了相位延迟,相位延迟因频率分量而异,因此很难在整个频谱上进行补偿。分流器具有明显的优势。它们更便宜,不受外部交流或直流磁场的影响,并且与用于检测相电流的分流器具有相同的特性。但是,它们本质上并不是孤立的。使用数字隔离器可以克服这个问题,该隔离器集成了一个带隔离数据通道的DC-DC转换器。这允许单相防篡改智能电表的新结构(图 2)。®

图2.单相防篡改智能电表,带包含芯片级变压器的IC
这种新结构使用AFE1测量从线路电流派生的电量,使用AFE2测量从零线电流派生的电量。两种电流均使用不受外部磁场影响的分流器进行测量,从而消除了篡改问题。AFE2使用包含基于数字隔离器的隔离电源的IC接收电源。它使用嵌入在同一IC中并使用相同的技术的隔离数据通道与MCU通信。
同样的方法,将包含隔离电源和隔离数据通道的IC应用于通信模块,因为它还需要隔离电源和通过隔离栅进行数据通信。
与难以认证的大型、昂贵的隔离电源相比,这种方法的优势显而易见。数字隔离技术创造了业界最小的UL认证DC-DC转换器。IC具有高热稳定性和机械稳定性、优异的耐化学性和良好的ESD性能。设计人员现在可以专注于改进系统设计,而不必担心隔离。
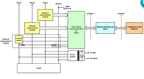
三相智能电表
在处理三相智能电表时,也可以采用相同的方法(图 3)。在经典的四线制系统中,选择零线作为仪表AFE的接地参考。相电流使用电流互感器测量。电源使用所有三相来创建两个域:一个为AFE供电,另一个为通信模块供电,出于安全原因,必须将其隔离。MCU 可以放置在任一域中,因此在 AFE 和 MCU 之间(隔离 1)或 MCU 和通信模块之间(隔离 2)之间存在一个隔离栅。

图3.三相智能电表
与单相防篡改表的方法类似,使用数字隔离技术,电流传感器可以用使用分流器的隔离模块代替,并且可以使用包含通过隔离栅通信的隔离电源和数据通道的 IC 为通信模块供电并与 MCU 通信(图 4)。

图4.三相智能电表,带包含芯片级变压器的IC
结论
直流容限电流互感器可以成功地被分流器和数字隔离器所取代,这些分流器和数字隔离器使用芯片级技术集成数据和电源隔离。与传统光耦合器相比,这些数字隔离器具有优势,并且可以支持各种串行通信:SPI、I2C 或 UART。它们确实是光耦合器的替代品,因为它们提供更高的性能、更易于使用且更可靠。
这改变了构建智能电表的系统视角:
相位电流和零线电流可以通过电阻分流器检测,消除了磁篡改的威胁和处理电流互感器相位延迟的困难。
单相和三相电表都可以使用单个主电源,使用UL认证的IC。特别是在三相电表中,这可以大大减少电源占用空间,从而实现更小的电表外壳尺寸。
审核编辑:郭婷