时间:2023-04-07 09:38
人气:
作者:admin
碳化硅电机驱动系统电磁兼容建模技术研究
研究背景
随着碳化硅(Silicon Carbide, SiC)新型宽禁带功率半导体器件的成熟应用,可以有效地提高电机驱动系统的效率、功率密度等关键性能指标。碳化硅电机驱动系统在航空航天、轨道交通以及新能源汽车等领域得到了广泛关注并应用。但是,碳化硅功率器件在开关过程中产生非常高的电流和电压变化率,即di/dt 与 du/dt,它们通过电路中寄生电感和寄生电容产生强烈的瞬态电磁噪声。研究碳化硅电机驱动系统电磁兼容建模技术,分析系统产生传导和辐射电磁干扰的机理,不仅具有非常高的学术价值,而且对于工业生产应用具有重要的指导意义。
成果简介
碳化硅功率器件依托其开关性能的优势,在电机驱动系统中得到了广泛地应用,然而,其过快的开关响应速度及过大的开关振荡给系统带来了严重的EMI问题。通过采用理论分析、建模仿真及物理实验的方法,研究碳化硅功率器件开关特性及电机阻抗特性与系统EMI强度之间的映射关系,并基于系统仿真与实验,分析碳化硅功率器件开关特性及电机阻抗特性对电机驱动系统传导EMI强度的影响。
亮点提炼
1、考虑碳化硅功率半导体器件的寄生参数,根据碳化硅器件开关过程的特点,得到开关过程中各子状态间的逻辑关系,建立碳化硅功率器件的开关行为模型,分析其电磁干扰特性,研究碳化硅器件产生电磁干扰的机理。

图1 考虑寄生参数的碳化硅功率器件电路模型

图2 碳化硅功率器件的开关波形及其频谱。(a) 开通阶段波形,(b) 关断阶段波形,(c) 频谱
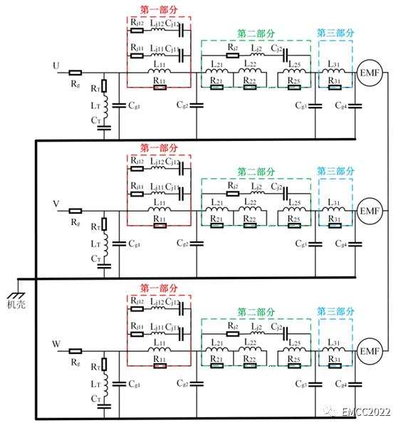
2、首先利用阻抗分析仪测量了电机的共模及差模阻抗,基于电机绕组的物理结构特点及阻抗特性,采用分布参数结合集总参数的形式,建立了三相永磁同步电机宽频等效电路模型。根据电机在不同频段的阻抗特性,运用等效电路简化法,分段求解电机模型的电气参数。通过仿真与实验结果的对比,验证了电机宽频模型的有效性。

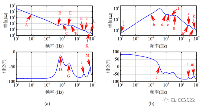
图3 电机的阻抗特性曲线。(a) 共模阻抗,(b) 差模阻抗

图4 三相永磁同步电机宽频等效电路模型

图5 基于电机宽频等效模型的阻抗特性曲线与实测结果之间的对比。(a) 共模阻抗,(b) 差模阻抗
3、基于碳化硅功率器件的开关行为模型和电机的宽频等效电路模型,分析碳化硅功率器件的开关特性以及电机的阻抗特性对电机驱动系统电磁干扰的影响;通过建立电机驱动系统的电磁兼容仿真模型,研究电机阻抗特性与碳化硅功率器件开关波形、系统共模电压、系统共模电流之间的频域映射关系。

图6 典型三相电机驱动系统示意图

(a)

(b)
图7 电机驱动系统共模电压和共模电流仿真与实验的对比结果。(a) 共模电压频谱,(b) 共模电流频谱
前景与应用
新能源电动汽车未来如果大规模采用碳化硅电机驱动系统,电机驱动系统将成为电动汽车中最重要的一个电磁干扰源。电动汽车电机驱动系统的电磁兼容问题十分复杂,而对已经生产完成的系统再按照相应电磁兼容标准进行测试,对不符合测试标准的系统进行重新设计、整改,将使得生产成本大大增加,而最终能否彻底解决系统的电磁兼容问题还并不确定。因此,研究碳化硅电机驱动系统电磁干扰产生机理,能够帮助制造商更好的控制生产周期,降低生产成本,具有重要的工程意义。
审核编辑 :李倩