时间:2023-04-08 09:19
人气:
作者:admin
当今世界,设计师们似乎永远不停地追求更高效率。我们希望以更低的功率输入得到更高的功率输出!更高的系统效率需要团队的努力,这包括(但不限于)性能更高的栅极驱动器、控制器和新的宽禁带技术。
特别是高电流栅极驱动器,其能够通过降低开关损耗帮助提升整体系统效率。当FET开关打开或关闭时,就会出现开关损耗。为了打开FET,栅极电容得到的电荷必须超过阈值电压。栅极驱动器的驱动电流能够有助于栅极电容的充电。驱动电流能力越高,电容的充放电速度就越快。拉灌大量电荷的能力可以降低功率损耗和畸变。(传导损耗是另一种FET开关损耗,传导损耗取决于内部电阻或FET的RDS(on)值,其中,随着电流通过,FET也会耗散功率。)
换言之,目标便是降低系统内需要高频率功率转化的开关过渡时间。突出该类性能的栅极驱动器规格为上升和下降时间。参见图1。

图1:典型的上升和下降时间图
如果您想更进一步,诸如延时匹配等栅极驱动器特性,能有效地让驱动电流能力翻番。延时匹配指两个通道之间内部传播延迟的匹配,可以通过双通道栅极驱动器的并联输出或将两个通道捆绑在一起实现。例如,TI的UCC27524A具有极其精确的1ns(典型)延迟匹配,可以将驱动电流从5A提升到10A。
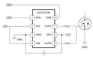
图2所示为UCC27524A的A通道B通道结合在一个驱动器中的范例。INA和INB输入以及OUTA及OUTB分别为串联结构。由一个信号控制该并联组合。

图2:串联输出UCC27524A以使双驱动电流能力翻番
系统效率提升带来的结果之一便是功率密度的提升。在隔离电源的功率因数校正(PFC)及同步整流块、直流/直流模组及太阳能逆变器等应用中,设计师需受到以相同尺寸(或更小尺寸)实现相同输出功率量的约束,因此,对更高功率密度的需求已经成为一种趋势。
TI的产品组合包括带高电流、快速升降时间和延时匹配的栅极驱动器。参见表1。
| 分类 | 设备 | 描述 | 升/降时间 | 延时匹配 |
| 高电流驱动器 | UCC27714 | 4A,600V 高侧及低侧驱动器 | 15ns,15ns | 支持 |
| UCC27524A | 5A,高速低侧双驱动器 | 7ns,6ns | 支持 | |
| UCC27211A | 4A,120V 高侧及低侧驱动器 | 7.2ns,5.5ns | 支持 |
表1:高电流栅极驱动器
审核编辑:郭婷
下一篇:一个连接器即可解决所有问题