时间:2023-04-08 11:44
人气:
作者:admin
数码相机、便携式GPS系统、MP3播放器和其他功能丰富的移动设备具有复杂的电源要求。在这些复杂的设备中,必须仔细管理许多专用电源和负载之间的电源流,包括电池充电/放电、限流 USB 电源和一组多电压电源轨,包括用于 CCD 或 LCD 的负电源轨。电源轨必须进行排序和跟踪,故障必须干净地处理并传达给微控制器。
当这些要求加在一起时,将高效而强大的电源系统压缩到手持设备中的任务似乎几乎是不可能的。凌力尔特通过一系列称为PMIC(电源管理集成电路)的器件解决了这个问题,该器件大大简化了复杂的可充电电池电源系统的设计。
一些凌力尔特PMIC使用具有独特蝙蝠轨道功能的开关PowerPath控制器拓扑,允许充电电流高于USB限值(见图1),以实现更快的电池充电速度。这里介绍的数码相机电源解决方案利用了这一功能和其他强大的PMIC功能。

图1.电池充电电流与电池电压的关系。
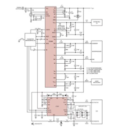
完整的数码相机电源系统
图2显示了使用LTC3586 PMIC作为电源交通控制中心的完整数码相机电源解决方案。其 4mm × 6mm QFN 封装包括一个 USB PowerPath 管理器、一个电池充电器,以及一个升压型 DC/DC 转换器、一个降压-升压转换器和两个降压转换器。LT3587 采用 3mm × 3mm 封装,用于驱动一个 CCD 和一个 LED 背光,用于具有一个高压单片式逆变器和双通道升压型转换器的 LCD 屏幕。

图2.适用于便携式摄像机的完整电源解决方案。
开关电源路径控制器使可用功率最大化
LTC3586 实现了凌力尔特独特的蝙蝠轨道™技术,可最大限度地利用USB源的可用功率,为负载提供电流或以高于线性充电器可实现的速率为电池充电。
开关 PowerPath 控制器可保持对 USB 应用平均输入电流的精确控制。输入电流的平均电平由两个数字输入的状态控制,可设置为 100mA、500mA、1A 或挂起 (500μA)。开关 PowerPath 控制器非常高效,可从 600mA USB 电源获得超过 500mA 的电池充电电流(图 1)。
在整个电池电压范围内,电池充电效率在85%至90%之间。相比之下,传统线性充电器的效率低至57%,产生的损耗为热量。有关电池充电器效率与电池电压的函数关系图,请参见图3。

图3.无外部负载下的电池充电效率与电池电压的关系(P.BAT/P总线).
即时启动操作
LTC3586 还具有瞬时接通操作功能,即使电池电压低于系统截止电压,当施加外部电源时,Camera 也能立即工作。这是通过生成单独的电压轨V外,当电池低于3.3V时,与电池电压解耦。当施加外部电源时,PowerPath 控制器将负载电流优先于电池充电电流,并调节 V外至 3.6V,使系统能够在施加外部电源后立即运行。即时启动功能在相机应用中非常重要,因为重要时刻不会等待电池充电。
故障处理
这两个设备上的 FAULT 信号旨在协同工作以实现无缝故障处理。通过使故障信号同时作为输入和输出,两个芯片可以相互传输故障事件。如果任一设备出现故障,则所有输出关闭,从而保护系统和电池免受损坏。使能线和故障信号应上拉至相同的电压。在图 2 中,LDO3V3 稳压器用作 FAULT 信号的上拉电压和低功耗微控制器的电源,用于处理按钮事件和对电源进行排序。FAULT 引脚还充当输入,因此,在使能任何输出之前,必须为高电平。
紧凑型 LED 驱动器
LT®3587 LED 驱动器专为驱动多达 20 个 LED 而设计,平均 LED 电流介于 1mA 和 3587μA 之间。当 LT<> 的 V出3用作电流调节LED驱动器,VFB3引脚可用作过压保护功能。通过在 V 之间连接一个电阻外和 VFB3器件限制 V 上的最大允许输出电压出3.此功能在 LED 应用中非常重要,因为如果没有它,如果其中一个 LED 打开,客户端设备可能会损坏;在这种情况下,随着电流调节环路增加电压以试图调节电流,输出将继续上升。
LT3587 中的集成式 LED 驱动器能够接受一个直接的 PWM 调光信号进入其使能输入 (EN/SS3) 和 / 或通过一个外部 DAC 实现模拟调光。图4所示为部分应用电路,其中显示了具有直接PWM和模拟调光功能的LED驱动器。

图4.六个白光 LED 驱动器,带 PWM 和模拟调光功能。
当通过LED的电流发生变化时,LED可以改变颜色,但PWM调光在整个调光范围内保持颜色一致性,因为PWM周期的ON部分始终是相同的电流。在PWM调光中,LED的亮度是平均电流的函数,通过改变PWM信号的占空比来调节。在模拟调光中,通过LED的恒定电流被调整,这会导致颜色变化。
LT3587 可接受频率超过 60Hz 的 PWM 信号,以确保无闪烁操作。由于CAP3和V之间的内部断开FET,可实现高PWM频率出3.该FET确保CAP3在PWM信号较低时保持其稳态值,从而将启动延迟降至最低。对于一个 100Hz PWM 调光信号并允许在最低占空比下实现 10% 的线性度偏差,LT3587 可实现一个 30:1 的调光比。如果需要最大调整范围,则可以使用外部DAC(例如LTC2630)将调节电压馈送到IFB3电阻器上,从而产生20,000:1的LED电流范围。
结论
LTC3586 和 LT3587 这两个高度集成的器件可组合在一起,为便携式相机和其他功能丰富的便携式设备创建一个完整的 USB 兼容型电源解决方案。该解决方案坚固、高性能且紧凑,具有高效的电池充电、即时启动功能和 LED 保护功能。
审核编辑:郭婷