时间:2023-04-03 15:10
人气:
作者:admin
稳压器,顾名思义,是一种用于调节电压的电路。调节电压是平稳的电压供应,没有任何噪音或干扰。稳压器的输出与负载电流、温度和交流线路变化无关。电压调节器几乎存在于所有电子产品或家用电器中,如电视、冰箱、计算机等,以稳定电源电压。
基本上,稳压器最大限度地减少电压变化以保护设备。在配电系统中,稳压器要么在馈线中,要么在变电站。该系列使用两种类型的稳压器,一种是步进稳压器,其中开关调节电流电源。另一种是感应调节器,它是一种类似于感应电动机的交替电机,作为辅助电源供电。它最大限度地减少了电压变化并提供稳定的输出。
有不同类型的稳压器,如下所述。
稳压器电路的类型
线性稳压器电路
串联稳压器
并联稳压器
齐纳稳压器电路
开关稳压器电路
降压型
升压型
降压/升压型
线性稳压器电路
这些是电子产品中最常用的稳压器,用于保持稳定的输出电压。线性稳压器的作用类似于分压器电路,在该稳压器中,电阻随负载变化而变化,并提供恒定的输出电压。线性稳压器的一些优点和缺点如下:
优势
输出纹波电压低
响应速度快
噪音更小
弊
效率低
需要大空间
输出电压将始终小于输入电压
串联稳压器是线性稳压器的一部分,也称为串联通稳压器。串联连接的可变元件,用于保持恒定的输出电压。当您改变串联元件两端的电阻时,可以改变其两端的压降,以确保输出两端的电压恒定。

如串联稳压器的电路图所示,NPN晶体管T1是串联元件,齐纳二极管用于提供基准电压。

当输出电压增加时,基极-发射极电压降低,由于这种晶体管T1导通较少。由于T1导通较少,因此会降低输出电压,从而保持输出电压恒定。
当输出电压降低时,基极-发射极电压增加,由于该晶体管T1传导更多。随着T1的传导更多,它会增加输出电压,从而保持输出电压恒定。
输出电压定义为:
VO = VZ - VBE
Where, VO is the output voltage VZ is Zener breakdown voltage VBE is base-emitter voltage

未调节电压与串联电阻两端的压降成正比,该压降取决于负载消耗的电流。如果负载的电流消耗增加,基极电流也会减少,因此集电极电流将流过集电极发射极端子,因此通过负载的电流将增加,反之亦然。
并联稳压器的调节输出电压定义为:
VOUT = VZ + VBE
齐纳稳压器

齐纳稳压器更便宜,仅适用于低功率电路。它可用于调节期间浪费的功率量不是主要问题的应用。
一个电阻器与齐纳二极管串联,以限制流过二极管的电流量,输入电压Vin(必须大于齐纳电压)连接,如图所示,输出电压Vout以Vout = Vz(齐纳电压)穿过齐纳二极管。众所周知,当施加的电压高于齐纳的击穿电压时,齐纳二极管开始反向导通。因此,当它开始导通时,它会在其两端保持相同的电压并回流多余的电流,从而提供稳定的输出电压。
开关稳压器
开关稳压器有三种类型:
降压或降压开关稳压器
升压或升压开关稳压器
降压/升压开关稳压器
降压或降压开关稳压器
降压稳压器用于降低输出端的电压,我们甚至可以使用分压器电路来降低输出电压,但分压器电路的效率较低,因为电阻器将能量耗散为热量。我们在电路中使用电容器,二极管,电感器和开关。降压开关稳压器的电路图如下:

当开关进入ON状态时,二极管保持反向偏置,电源连接到电感器。当开关断开时,电感的极性反转,二极管正向偏置并将电感接地。然后通过电感器的电流随斜率减小:
d IL / dt = (0-VOUT) / L
电容器用于防止负载两端的电压降至零。如果我们继续打开和关闭开关,负载两端的平均电压将小于提供的输入电压。您可以通过改变开关器件的占空比来控制输出电压。
Output Voltage = (Input Voltage) * (percentage of time that the switch is ON)
升压或升压开关稳压器
升压稳压器用于对负载两端的电压进行升压。升压稳压器的电路图如下:

当开关闭合时,二极管表现为反向偏置,电感两端的电流不断增加。现在,当开关打开时,电感器将产生一个力,导致电流继续流动,电容器开始充电。通过连续打开和关闭开关,我们将在负载处接收高于输入电压的电压。我们可以通过控制开关的导通(Ton)时间来控制输出电压。
Output Voltage = Input Voltage / Percentage of time that the switch is open
降压-升压开关稳压器
降压-升压开关稳压器是降压稳压器和升压稳压器的组合,它提供的反相输出可以大于或小于提供的输入电压。

当开关导通时,二极管表现为反向偏置,电感器存储能量,当开关关断时,电感器开始释放具有反极性的能量,从而为电容器充电。当电感中存储的能量变为零时,电容器开始以反极性放电到负载中。由于这种降压-升压稳压器也称为反相稳压器。
输出电压定义为
Vout = Vin (D / 1-D)
Where, D is the Duty cycle
因此,如果占空比较低,则稳压器表现为降压稳压器,当占空比高时,稳压器表现为升压稳压器。
稳压器电路实例
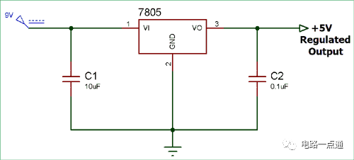
正线性稳压器电路

我们使用7805 IC设计了一个正线性稳压器电路。该 IC 具有提供 5V 稳压电源的所有电路。输入电压应至少大于额定值的 2v,例如对于 LM7805,我们至少应提供 7v。
未稳压的输入电压提供给IC,我们在输出端获得稳压。IC的名称定义了其功能,78表示正号,05表示调节输出电压的值。如电路图所示,我们为7805IC提供9V电压,并在输出端稳压+5V。电容器 C1 和 C2 用于过滤。
齐纳稳压器电路

在这里,我们设计了一个使用5.1V齐纳二极管的齐纳稳压器。齐纳二极管用作传感元件。当电源电压超过其击穿电压时,其开始反向导通,并在其两端保持相同的电压并回流额外的电流,从而提供稳定的输出电压。在该电路中,我们提供9V的输入电压,并获得近5.1的稳压输出电压。
稳压器是如何工作的?
稳压器是这样一种电路:无论输入电压或负载条件如何变化,它都能产生并保持固定的输出电压。
稳压器(VR)将来自电源的电压保持在其他电气组件相容的范围之内。它最常用于DC / DC电源转换,但有些也可用于AC / AC或AC / DC电源转换。本文将重点介绍DC / DC稳压器
电路一点通 “电路一点通”聚电路技术资源、电子电路、高品质电路图、电路原理图,每日电路赏析
17篇原创内容
公众号
收录于合集 **#**稳压器
5个
上一篇隔离式 DC/DC 电路的共模噪声抑制方法
上一篇:地线GND为什么会有不同区分
下一篇:稳压器和UPS电源的作用一样吗?