时间:2023-03-25 09:37
人气:
作者:admin
1.LDO基本原理
LDO是Low Dropout Regulator的缩写,意思是低压差线性稳压器。
低压差 是指输入电压-输出电压的值比较低。传统的线性稳压器压差高达2V,而LDO的压差只有几百mV。
线性 是指PMOS基本处于线性工作状态(传统的线性稳压器是PNP原理,也工作在线性放大状态)。
稳压器 是指在正常的VIN范围内,输出VOUT都稳定在一个固定值,这个固定值就是我们想要的电压值。比如VIN是电池电压3~4.4V,VOUT始终保持2.7V输出。
下图是一个简单的LDO原理框图:

LDO是一个负反馈系统,当VOUT增大,R2上电压增大,放大器输出电压增大,PMOS的VGS电压减小,这样PMOS输出电流减小,电压也减小。所有的LDO都是同样的负反馈原理。
我们经常拿LDO与DCDC做对比,两者的原理差别很大,特性也不一样:LDO简单,功率小,效率低,噪声非常低。DCDC复杂,功率大,效率高,噪声也很高。
重点说明一下,LDO有非常好的噪声隔离作用,具体指标是PSRR,它表示输出噪声对输入噪声的比值。在一些对噪声敏感的电路中,如ADC,DAC,Camera sensor模拟电压等,必须选择LDO,而且是高PSRR的LDO,而不是DCDC。下文解释一些LDO的关键技术指标。
2.LDO关键参数的理解
以TOSHIBA的TCR3DG系列LDO为例,解释一下LOD的各项参数指标。这个系列的LDO在手机行业应用非常多。
2.1压差(Drop-out Voltage)
压差是指保证VOUT输出电压、电流情况下,VIN与VOUT的最小电压差。这个压差可以理解为LDO输出电流在PMOS上的压降。PMOS有导通电阻,假设VIN=3.4V,VOUT=3.2V,输出电流300mA,则可以推算出PMOS的内阻是

LDO工作必须满足压差要求,但压差不是一个固定值,它与IOUT大小有关。下图是一个VOUT=1V的LDO的输出电流与压差要求的关系曲线,可见输出电流越小,对压差要求也越小。压差越小,LDO的效率越高。所以尽量不要让LDO工作在接近极限的大电流状态,否则效率很低,LDO发热严重,容易烧毁。

2.2效率
LDO效率定义如下:

其实IOUT和IIN基本是相等的,因为IIN就比IOUT多了个IGND,这个电流非常小,几乎可以忽略。所以效率公式简化如下。

可以简单把LDO看做是一个稳压管,压差越小,LDO的效率越高。
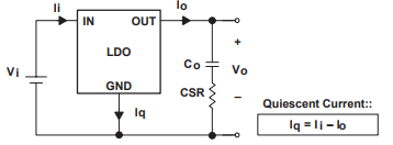
2.3静态电流(IQ)
静态电流Quiescent Current是外部负载电流为0时,LDO内部电路供电所需的电流。内部电路包括带隙基准电压源、误差放大器、输出分压器以及过流和过温检测电路。这个电流经过从LDO的GND流出。

静态电流受温度和输入电压影响较大,高性能的ADI品牌LDO可能做到静态电流对温度电压不敏感。下面两幅图是一个普通的LDO静态电流随VIN和温度变化的曲线。常温下静态电流一般在uA和nA级别。


当输出电流增大时,这个时候的静态电流IQ,我们称期为IGND,某些大功率的LDO,IGND也到了mA的级别:

大部分LDO的IQ很小,它是衡量LDO在低负载情况下的自身消耗的一个重要指标,IQ越小越好。在消费类电子领域,低IQ有利于更长的续航时间,低IQ值显得尤为重要。
2.4关断电流
LDO的输出使能管脚ENn拉低后,VOUT=0V,此时VIN上消耗的电流就是关断电流IQ(OFF)。关断电流最高不会超过几个uA。
2.5负载瞬态响应Load Transient Response
负载电流IOUT阶跃变化时,输出电压VOUT的变化率。它与输出端的电容值,电容的ESR,LDO控制环路的增益带宽以及负载电流变化的大小和速率有关。文章开头已经讲了,LDO是一个负反馈回路,其相位裕量越大,负载的瞬态响应越好。下图是ADP165和TCR3DG的瞬态响应对比。第一幅图VOUT电压变化了约5.7%,第二幅图VOUT变化了2.6%。东芝的LDO胜出。


有些厂家用电流负载调整率来表示这个值,公式如下:
负载调整率=∆VOUT/∆IOUT
道理是一样的。
这个指标对输出纹波有影响,越小越好。
2.6线路瞬态响应Line Transient Response
表示VIN阶跃变化,VOUT的变化情况,如下图。输出电压偏差显示了环路带宽和PSRR的特性,对于1.5us内的2V变化,输出电压变化约2mV,表明1KHz是PSRR约为60dB。当VIN缓慢变化时,可能只会看到一个凹陷,没有振铃。

有些规格书称这个指标为电压负载调整率,并给出了公式,电压负载调整率=∆VIN/∆VOUT。道理是一样的。
Line Transient Response 随负载电流增加而变差,因为LDO的总环路增益不断降低。此外,LDO的功耗也随着电压差的增大而增加,这会导致PMOS结温升高而使带隙电压和内部失调电压降低。
这个指标对输出纹波有影响,越小越好。
2.7电源抑制比PSRR
表示LDO对VIN上的噪声的抑制能力,公式如下:

100K到1MHz内的PSRR非常重要,这个是DCDC的噪声频率范围,LDO经常作为DCDC的下一级,要有能力滤除来自DCDC的大量噪声。
在ADC,DAC,Camera的AVDD供电上,我们要选择PSRR大于80dB(@100Hz)的LDO。
LDO的环路控制往往是确定电源抑制性能的主要因素,同时大容量,低ESR的电容对电源一直也非常有用,建议选择陶瓷电容。
PSRR与频率有关,LDO的规格书一般会给出几个频点的PSRR值。

PSRR与IOUT有关,通常情况下,轻载的PSRR高于重载。PSRR与LDO的相位裕量也有关系,这些关系请参考ADI文章《理解低压差稳压器(LDO)实现系统优化设计》。
2.8输出噪声电压
恒定输出电压电流,VIN上无纹波,给定范围内(10Hz~100KHz),VOUT上的噪声电压RMS。这部分噪声主要来自于LDO内部基准电压源和误差放大器。如下是某LDO的噪声水平,通常在uV级别。

LDO输出噪声的另一种表示方式是噪声频谱密度。只有高精度,低噪声电路上才需要关注这个参数。
2.9 自放电功能
LDO关闭后,负载电容上仍然后电量。LDO在下次输出时,会因为这个电量,产生一个快速的Voltage Spike,虽然幅度不高,但对后级电路也会有破坏性。带自放电功能的LDO能在LDO关闭输出后,泄放输出电容上的点电量。
3.LDO的输出稳定性要求
LDO是一个负反馈系统,VIN和VOUT上的电容值,ESR都会影响这个系统的稳定性,最主要是ESR在影响稳定性。在LDO的规格书中,都会列出对输入电容CIN和输出电容COUT以及ESR的要求。一定要遵守这个要求。
TCR3DG规格书中要求COUT的ESR不得大于10Ω,位置靠近LDO,没有其他明确要求,但是推荐CIN和COUT都用1uF。
ADP165规格书中要求CIN和COUT最小值0.7uF,ESR在0.001~0.2Ω之间。
LP5907SNX-1.8的规格书要求CIN>0.7uF;COUT=1uF-10uF,ESR=0.005~0.5Ω。
所以几乎每一家的LDO,CIN和COUT都要求1uF以上,ESR越低越好,最好小于100mΩ,但也不能太小,低于几个mΩ也可能使LDO工作不稳定。
4.LDO选型参考
确定输出电压VOUT,建议选择固定输出电压的,不要选有ADJ功能的,这样节省器件,降低干扰。
确定输出电流IOUT,至少留25%裕量。
确定压差是否合适,一定要查看规格书上,对应最大电流的最小压差要求。
确认封装,手机上一般用1x1 CSP的LDO
确认PSRR,如果用在低噪声场合,一定要选择高PSRR(80dB以上)的LDO,建议在80dB以上。
如果是电池供电,对续航要求很高,一定要选择IQ低的LDO。
注意LDO的CIN和COUT要求,千万不要错。
如果要快速响应,可以选择带偏置电压的LDO。
审核编辑:刘清