时间:2023-03-30 11:03
人气:
作者:admin
在考虑集成电路时,当今的设计工程师寻求低功耗特性和性能。每个芯片节省几毫安的静态电流可能看起来微不足道,但对于具有数十个IC的电路板来说,这变得非常重要。这种节省允许使用更小的电源和更少的从墙上插座消耗的电力。对于小型便携式电池供电设备,省电允许电池运行更长时间。
在考虑集成电路时,当今的设计工程师寻求低功耗特性和性能。每个芯片节省几毫安的静态电流可能看起来微不足道,但对于具有数十个IC的电路板来说,这变得非常重要。这种节省允许使用更小的电源和更少的从墙上插座消耗的电力。对于小型便携式电池供电设备,省电允许电池运行更长时间。
借助低功耗CMOS工艺和智能电源管理,当今便携式设备的工作时间变得非常长。在过去几年中,电源电压也急剧下降。现在,许多设计都采用3.3V主电源或直接由单节Li+电池供电!半导体制造商在用这些低电压满足无处不在的RS-232标准的所有要求方面非常有创意。但是,现在有必要做出妥协以节省更多电流。本文介绍如何通过寻求“兼容性而不是合规性”以尽可能低的功耗运行接口。RS-232接口的简短历史记录显示为侧边栏。
终极挑战:电源电压低于+3.0V
小型手持设备的电源电压已降至+3.0V以下,这是由于最近的亚微米CMOS工艺的能力以及在工作期间节省更多功率的愿望。处理器内核的典型电源电压低至0.8V,I/O电压接近2.5V,这可能还不是底部。PDA、手机和掌上电脑的制造商迫切需要工作在3.0V以下的低功耗串行接口设备。这些应用中的典型是手持PC和笔记本电脑/台式机之间的连接,以及手机和笔记本电脑/台式机之间的数据电缆。但是,如此低的电压如何在变送器输出端产生符合RS-232标准的电压呢?
一种简单的解决方案包括一个基于电感的升压转换器,用于产生正电源轨,然后是一个电荷泵逆变器用于产生负电源轨。例如,MAX3218升压转换器在低至+232.1V的电源电压下提供符合RS-8标准的输出电平。但是,该拓扑有几个缺点。
首先,较低的电源电压需要较高的电源电流来运行串行接口。例如,具有标准 120kΩ/3pF 并联负载的 2500kbps 串行链路采用 +50.2V 电源吸收 5mA 电流(图 1)。对于串行接口,由此产生的功耗(125mW)相当高,并且相关电感具有非常高的峰值电流。采用MAX3218工作时,电感要求直流额定电流为350mA。最后,由于额外的噪声原因,许多工程师不希望在设计中使用另一个开关电源,尤其是在手机中,因为手机在传输过程中已经需要电池的突发电流。

图1.MAX3218采用升压转换器和电荷泵反相器,电源电流随电源电压降低而上升。
为什么不采用三电荷泵方法?
三路电荷泵为 RS-232 电源提供了另一种简单的方法(图 2)。第一个泵将输入电压从+2.5V加倍至(理论上)+5V。但是,电荷泵中的欧姆损耗和发送器中的压差使该电压无法达到符合±5V RS-232标准的输出电平。因此,另外两个电荷泵用于产生所需的+5V和–5V发送器输出电压。

图2.由于效率低下,使用三个电荷泵产生符合RS-232标准的发送器输出电压不适合低功耗RS-232器件。
虽然适用于较高的电源电压,但这种拓扑不适合在低电压下工作的低功耗RS-232器件。第一个缺点是效率低。输入电流为42mA,假设5kbps数据速率所需的发送器电流为120mA,并联标准负载为3kΩ/2500pF,每个部分的典型电荷泵效率为80%。虽然只是一阶估计,但输入电流表明所需的功率电平(105mW)并没有比MAX3218有太大的改善。
三电荷泵IC省去了开关DC-DC转换器,但其芯片尺寸很大,因为功率MOSFET(用于第三电荷泵部分的充电和放电电容器)需要大量的芯片面积。更大的套餐和更高的价格将是后果。此外,与双电荷泵方法相比,该器件需要多两个外部电容。出于这些原因,Maxim在实现低电压、低功耗、串行接口器件方面采取了另一条道路。
表 1.EIA/TIA-562 串行接口标准的电气规格(与侧栏中的表 1sb 比较)
| 参数 | 条件 | 价值 |
| 数据速率 | 1000pF 容性负载 | 60kbps |
| 变送器输出范围,最小值 | 3...7k_负载,0V 偏移,0 电平 | +3.7V |
| 3...7k_负载,0V 偏移,1 电平 | -3.7V | |
| 变送器输出范围,最大值 | 开路,0级 | +13.2V |
| 开路,1级 | -13.2V | |
| 变送器短路电流,最大60mA | 60毫安 |
Maxim提供各种串行接口IC,工作电源电压低至2.25V。这些设备面向掌上电脑、手持式仪器、PDA 和手机。所有器件均兼容RS-232接口标准,并符合EIA/TIA-562(发射器输出幅度低于5V但高于3.7V)。所有产品均采用双电荷泵运行。这种拓扑不需要DC-DC转换器或三电荷泵,因此工作电流要低得多。这些器件的其他特性包括高ESD保护和小型封装。
当采用MAX3316E收发器设计时,上述120kbpsec串行接口电路仅从15.2V电源吸收5mA电流。功耗(37.5mW)仅为MAX30收发器的3218%,即使负载(2500pF)是相当长的电缆!大多数便携式设备没有连接到具有 15 米电缆的 PC,因此更合理的电缆长度假设是 500 米或更短。此类电缆的容性负载最大值为 8pF,这进一步将电源电流降低至 3mA(图 20),功耗仅为 4mW。规则很简单:短串行数据电缆从电源电压中消耗的电流更少。使用短电缆时,变送器输出电压(远高于+4V和低于–562V)符合EIA/TIA-232规范,并且兼容RS-<>。

图3.MAX3316E采用2.5V电源吸收低电源电流(左)。其发射器输出电压(右)与RS-232规范兼容,并符合EIA/TIA-562规范。
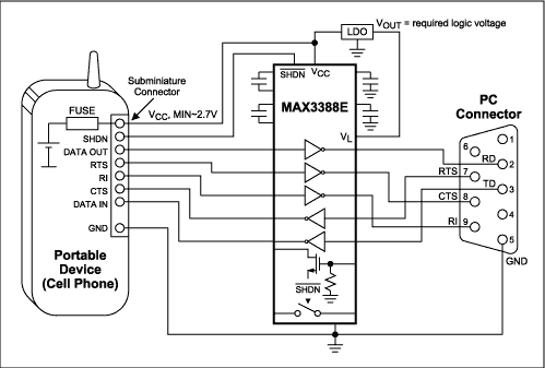
将所有电子设备放入便携式设备,并摆脱活动电缆!
个人数字助理(PDA)和高端手机经常与笔记本电脑或台式计算机交换文件。这些设备中的串行数据链路经常使用,因此在便携式设备中包含RS-232收发器是有意义的。因此,具有RS-232兼容或兼容电压电平的信号可以直接在超小型连接器上获得。电缆连接器内不再需要有源电路,因此电路可以是纯无源的。
RS-232收发器逻辑侧的ESD保护是另一个优势。一种称为芯片级封装(CSP)的新封装技术可实现尽可能小的IC尺寸,并允许以非常小的电路板面积集成到便携式设备中。这种封装的尺寸并不比芯片本身的尺寸大多少。它通过以矩阵图案排列的球形网格粘合到板上。MAX3228E采用新型封装,具有5x6球栅矩阵和2.5x3mm尺寸。因此,它仅占地7.5mm²。图4所示为MAX3228E框图、引脚分配图,以及IC如何融入便携式设备的尺寸图。只需四个小型100nF电容即可运行内部双级电荷泵。

图4.MAX3228包括两个发送器和两个接收器。采用 5x6 网格芯片级封装 (CSP),其小尺寸便于在便携式设备中使用。
除了带有两个发送器和两个接收器的MAX3228E外,MAX3229E(采用相同的UCSP封装)还包括一个发送器和一个接收器。两者都包括自动关机™。与数据电缆示例中的MAX3388E一样,MAX3228E包括一个VL引脚可在低至 1.65V 的电压下工作,适用于低压逻辑系统。
尽可能长时间地保持合规
MAX3228E和MAX3229E(可在CSP中使用)可在宽范围的电源电压(+2.5V至+5.5V)下供电。为了保持符合RS-232规范(假设VCC足够高),当VCC降至约+3.1V以下时,每个设备的输出电压波动从“兼容”变为“兼容”。详细信息如表2所示。降低的输出电平还通过降低电源电流来延长电池寿命。
对于VCC输入,当VCC有噪声或电源电流发生阶跃变化时,约400mV的内置迟滞可防止输出电平变化。当VCC上升到大约+3.5V以上时,输出返回到符合RS-232的电平。此功能允许MAX3228E由单个Li+电池供电。因此,MAX3228E在电池充满电时提供完全兼容的输出电压波动。当电池放电时,在某个时刻,设备会自动切换到与RS-232兼容的输出,然后确保串行端口的操作,直到电池完全放电。
表 2.当双电荷泵的双电荷泵不再提供符合RS-232标准的输出电压时,Maxim收发器会自动切换到RS-232兼容模式。
| 变送器输出 | ||||
| 参数 | 条件 | 最小值 | 典型值 | MAX |
| V抄送模式开关点 (V抄送坠落) | T_OUT从 ±5V 变为 ±3.7V | 2.85V | 3.1V | |
| V抄送模式开关点 (V抄送崛起) | T_OUT从 ±3.7V 变为 ±5V | 3.3V | 3.7V | |
| V抄送模式开关点迟滞 | 400mV | |||
| 输出电压摆幅 |
V抄送= +3.1V至+5.5V, V抄送坠落 的 V抄送= +2.5V至+2.9V |
±5V ±3.7V | ±5.4V | |
兼容,不合规
节省电力的简单公式是兼容但不一定符合RS-232规范。要通过短电缆进行通信,不必严格遵循5V输出电压幅度,因为接收器输入门限规定为+3V和–3V。在短的RS-2电缆中不太可能出现232V压降!这种情况似乎违反了表232中的RS-1规范,但请考虑九十年代初创建的电气规范,该规范与RS-232规范完全兼容。
它被称为EIA/TIA-562,旨在支持较低电源电压下的串行数据通信,特别是在办公室、家庭和酒店等安静环境中通过短电缆进行通信。它的目标是电池供电的便携式设备和计算机之间的通信。您可以将表562的EIA/TIA-1规范中的主要参数与侧边栏中表232sb的RS-1规范中的主要参数进行比较。这两个规范都没有定义最大电缆长度,但EIA/TIA的最大容性负载(1000pF)意味着电缆比RS-232的2500pF更短。
EIA/TIA 最大指定数据速率更高 (60kbps),但 120kbps 及以上已在许多应用中使用。最小发射器输出幅度 (3.7V) 比 RS-1 规范低 3.232V,并且与安静环境和电缆中的低压降兼容。尽管如此,相对于+3V和–7V的额定接收器门限,700.3V仍留出3mV裕量。因此,RS-232接收器在理解来自EIA/TIA-562发射器的信号方面没有问题。
最大输出幅度额定值为13.2V,但(如前所述)目标是通过在尽可能低的电压下操作串行接口来节省功耗。实际上,实际接收器门限低于+3V,高于–3V。虽然没有具体说明,但这一事实提供了另一个安全裕度。旧的四通道接收器MC1489具有1.3V和1.0V的典型高低接收器输入门限。MAX3225E的门限额定值为1.5V和1.2V,其他接口器件也是如此。因此,假设大多数正阈值低于2.0V,负阈值高于0V,则允许电缆上出现额外的压降。
典型数据电缆应用
在简单的数据电缆电路(图5)中,接口驱动器通常放置在插入便携式设备的超小型连接器的外壳内。(对于需要较少接收器或发送器的应用,可以使用其他几种收发器来代替MAX3388E。

图5.MAX3388E的可编程逻辑电压和第三个发送器简化了数据电缆设计,第三个发送器用于产生环形靛蓝(RI)信号。
之所以选择MAX3388E作为此示例,是因为它提供了有助于解决逻辑电平等数据电缆问题的优势。RS-232接口设备的接收器输出通常在0V和VCC之间摆动,如果便携式设备中的逻辑I/O在低于VCC的电压下操作,这可能会过大。因此,MAX3388E提供了一个单独的逻辑电源输入(VL),用于设置接收器输出的逻辑高电平和发射器输入的阈值电压。
VL引脚的工作电压可降至1.8V,并允许灵活地与大多数便携式设备接口。LDO(低压差线性稳压器)也简化了接口,其输出电压可以设置为所需的逻辑电压摆动。或者,您可以通过齐纳二极管或二极管压降(几个串联的1N4148)来稳定VL电压,从而节省资金。如果超小型连接器上的VCC是恒定的(因为内部LDO已经在稳定输出电压),那么用电阻分压器调节VL电压就足够了。然而,因为VL提供接收器输出,所以该解决方案取决于接收器输出处的负载容量和流入移动设备的电流。可能需要低电阻偏差以避免VL引脚上的较大电压变化。
更多功能助您一臂之力。 . .
MAX3388E中的第三个发送器可以产生环形指示器信号(RI),向PC或笔记本电脑中的UART发出警报。它可以生成中断,其关联的软件例程可以为便携式设备和计算机之间的全双工通信提供服务。MAX3388E包含一个电源开关,用于为外部电路供电,如底座应用中的热同步电路。它还在RS-232侧和CMOS逻辑侧之间配备了一个逻辑电平接收器。该逻辑电平接收器配备漏极开路输出,也适用于“热同步”和其他专用通信。
RS-232侧的所有发射器和接收器都具有ESD保护功能,保护电压为±15kV。(数据电缆的逻辑侧可能需要额外的ESD保护,如图6所示。)对于MAX3238E和MAX3248E RS-232收发器,逻辑侧和RS-232侧都有ESD保护。这些设备在VCC=+3.0V以下保持RS-232兼容,在VCC=+2.7V以下保持RS-232兼容。
小尺寸、低功耗、RS-232兼容器件,采用+5V电压供电
数码相机、销售点系统和机顶盒通常包括一个RS-232串行接口,采用+5V单电源供电。这些应用与短数据电缆相处,因此EIA / TIA-562标准完全足够。其他收发器围绕MAX3311E设计,适用于这类应用。仅+5V器件采用单电荷泵工作,减少了外部电容的数量,其μMAX封装占用的电路板空间非常小。这些器件还提供与RS-232兼容的发射器输出摆幅。MAX3311E可能是目前功耗最低的串行接口:数据速率为120kbps,短电缆电容小于500pF,要求工作电源电流不高于2.5mA!
RS-232收发器:现代IC的历史发展
早期版本的RS-232接口消耗大量功率!20多年前,串行接口通常使用当时可用的标准器件构建:四发射器MC1488和四接收器MC1489。过去和今天,这些设备可以从国家半导体,德州仪器,安森美半导体和其他公司获得。因为它们是用双极硅工艺制造的,所以它们的静态电流非常高。
在那些日子里,一对MC1488/MC1489的功耗超过700mW!在传输数据时,这对额外的驱动器电流和电缆充电损耗使功耗高达1W。多年来,发射器设备的一大缺点是要求电源电压在±12V(大约)左右对称。接收器采用+5V单电源供电,因此RS-232端口需要三个电源电压。台式计算机的情况更糟,其两个COM接口通常使用标准SN75185驱动程序实现,其中包括三个发射器和五个接收器。功耗为1.2W,即使未使用接口也是如此。
RS-232规范
如果设计人员的系统已经包括工作在±15V的模拟电路(如运算放大器),那么设计人员很幸运,RS-232电源电压可以从中得出。另一方面,必要的串行接口电源电压必须由仅工作在+5V的数字系统产生。毕竟,RS-232规范要求发射器输出端的电压幅度至少为5V(表1sb)。
请注意,RS-232标准的输出是反相的:在TTL侧发送逻辑高电平信号在RS-232侧产生等于或小于–5V的负电压,发送逻辑低电平信号产生等于或大于+5V的正电压。接收器阈值额定为±3V,这为通过长电缆传输数据提供了裕量,并提高了抗失真的能力。
表 1sb. RS-232 串行接口标准中的选定电气规格。
| 参数 | 条件 | 价值 |
| 数据速率 | 2500pF 容性负载 | 20kbps |
| 操作模式 | 单端 | |
| 每个数据线允许 # 个 Tx 和 Rx | 每行 | 1 发射,1 接收 |
| 电缆长度,最大 | 取决于负载 | |
| 变送器输出范围,最小值 | 3-7kΩ 负载,0V 偏移,0 电平 | +5V |
| 3-7kΩ 负载,0V 偏移,1 电平 | -5V | |
| 变送器输出范围,最大值 | 开路,0级 | +25V |
| 开路,1级 | -25V | |
| 变送器短路电流,最大值 | 100毫安 | |
| 接收器输入电阻 | 3kΩ 至 7kΩ | |
| 瞬时压摆率 | 6V/μs < Sr < 30V/μs | |
| 接收器输入灵敏度高 | +3V | |
| 接收器输入灵敏度低 | -3V | |
| 接收器输入范围,最大值 | 高 | +25V |
| 低 | -25V |
许多人仍然认为RS-232发射器必须提供±12V。这些级别多年来一直是非官方标准,因为它们通常已经可用于模拟电路或计算机中的硬盘驱动器。±12V电源轨很方便,但并非绝对必要,如表1sb所示。
提供刚好足够的输出电压就足够了。如果输出达到所需的最小幅度232V,则RS-5接口完全符合其规格,因此±6V电源对于输出级压降很小的发送器来说可能足够了。另一方面,±12V电源轨可以为工业环境中通过长电缆传输数据提供额外的抗噪性。
然而,当今大多数RS-232通信需要小于三米的电缆,例如,将手机或PDA底座连接到笔记本电脑,或将小型PBX连接到台式PC。这些应用驻留在办公室或家中,因此抗噪性不是一个大问题。请注意,RS-232标准规定了最大负载电容(2500pF),而不是最大电缆长度。因此,即使对于电容为100pF/m的廉价接口电缆,长达25米的电缆也应该没有问题。
第一个挑战:摆脱大电源!
当Maxim在232年代中期发布MAX1980收发器时,没有人知道它会变得多么成功。如今,它由10多家制造商提供,每年的销量为数百万。其主要特性是+5V单电源供电能力,因此不再需要对称的双极性电源电压。然而,其输出提供的信号符合RS-232规范。
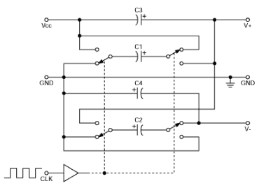
这种IC设计背后的简单想法是集成电荷泵。图1sb显示了内部电荷泵,它在第一级中使输入电压加倍,然后在第二级中将其反相。这样,它从+5V输入获得+10V的双倍电压(理论上),然后获得–10V的反相电压(理论上也是如此)。实际上,欧姆损耗和开关损耗将MAX232的典型输出摆幅减小至约±8V。如今,MAX232电路是Maxim提供的100多种RS-232器件的基础电路。

图 1sb.MAX232型RS-232收发器中的发送器输出级从内部电荷泵产生的V+和V-电压得出正电平和负电平。
下一个挑战:+3.3V单电源
随着逻辑电源电压降至3.3V,双级电荷泵的便捷解决方案突然变得过时。MAX232不能工作在+3.3V电压,不定时在+6.6V电压。从理论上讲,用电荷泵将低电压加倍并反相将产生±1.3V的对称电源轨,但内部电荷泵晶体管和发射器输出级的损耗太高,无法提供符合表3sb所列规格的输出幅度。另请注意,具有高容差(±10%)的+3.0V电源仅提供+<>.<>V的最小电源轨。
Maxim相应地设计了下一代器件,这些器件也可从其他制造商处获得。几乎所有此类IC都具有符合IEC15-1000-4标准的低电源电流和±2kV ESD保护。新器件具有高性能电荷泵,开关晶体管损耗非常低,其发射器输出级具有低压差。因此,该系列的成员可在低至+3.0V的电源电压下工作。例如,MAX3225E包含两个发送器和两个接收器,在功能上与旧的MAX232相似。但是,该系列的IC具有新功能,使设计人员的工作更加轻松。
电源电压范围为+3.0V至+5.5V,允许该器件用于+3.3V或+5V系统。对于大多数应用,大型制造商只需要认证一个标准RS-232部件。
稳压电荷泵可节省发送器电流。节省功耗的一个小而有效的技巧是限制发射器输出电压。遗憾的是,设计人员对端接驱动器输出的电阻没有影响,该电阻的额定值为3kΩ至7kΩ。数据手册通常规定发送器的最大负载为3kΩ。终端电阻的功耗为P综合安全分遣队= V²/R术语.因此,限制输出电压是有意义的,在这个等式中,输出电压的幂为2!
Maxim的低压RS-232器件具有输出电压控制功能。请注意,较高的电源电压允许电荷泵中的开关活动更少。内部电荷泵通过脉冲控制产生±6V,与电源电压无关。低压差发射器输出级提供±5.5V的电压,但符合RS-232规范。这些级提供了令人印象深刻的输出电压随负载电容不变性,即使在数据速率高于 1Mbit/s 时也是如此(图 2sb)。MAX232的8V输出幅度在终端电阻中耗散21.3mW,输出电压控制将功耗降至10mW,节省50%以上的功耗!

图 2sb. MAX3225E发送器输出即使在232Mbit/s数据速率和1pF负载电容下仍符合RS-2000规范。
关掉它!
省电关机模式自动关机和自动关机™增强™型无需软件帮助即可运行。例如,自动关断是电压触发的。当超过30μs后RS-232输入端没有有效电压电平时,该器件关断,这通常发生在电缆未连接或另一侧的发送器关闭时。一旦其中一个接收器出现有效电压,该器件就会唤醒并立即准备好工作。
这种关断模式有两个注意事项:首先,只要其中一个RS-232接收器输入端存在有效电压,该器件就不会关断。当另一侧的发射电压未正确关闭时,这可能是一个问题,结果可能是连续的有效信号,阻止器件进入节流模式。其次,在发送数据之前需要唤醒该部分。
AutoShutdownPlus修复了AutoShutdown的缺点。它监控RS-232侧的接收器输入和TTL侧的发射器输入。其边缘触发操作对连续信号没有问题。当超过 30 秒且无接收或发送活动时,该器件将进入关断模式。然后,RS-232输入端或发射器TTL侧输入端的边沿导致器件唤醒。
审核编辑:郭婷