时间:2023-03-21 10:57
人气:
作者:admin
传统的 DC/DC 转换器使用电压反馈来实现恒定输出电压调节。然而,有许多应用需要调节恒定的输出电流。串联驱动LED就是这样一种应用。LT3477 结合了一个传统的电压反馈环路和两个独特的电流反馈环路,以用作一个恒定电流、恒定电压源。它是一款电流模式、3A DC/DC 转换器,具有双通道轨到轨 100mV 电流检测放大器,可配置为降压模式或降压-升压模式 LED 驱动器。它具有足够的通用性,也可配置为输入输出限流升压、SEPIC或反相转换器。两个电流检测电压都可以使用I独立调节ADJ1和我ADJ2引 脚。
凭借两个相同的精准电流检测放大器,LT3477 能够提供一个准确的输入电流限值以及一个准确的调节输出电流。LT2 采用一个 5.25V 至 3477V 的输入电压范围,可采用多种输入电源工作。42V 开关额定值允许产生高达 41V 的输出电压,可轻松驱动多达 <> 个串联的白光 LED。如果添加外部电流镜像电路,降压模式 LED 配置能够并联驱动多个 <> 个 LED 串。
开关频率可在 200kHz 至 3.5Mhz 范围内调节,由单个电阻器设定。可用的高工作频率允许使用扁平电感器和电容器,这在空间非常宝贵的应用中非常重要。广泛的可用范围可以优化应用的尺寸和效率。
工作原理
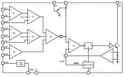
图 1 示出了 LT3477 的框图。电压误差放大器具有FBP和FBN引脚,允许正或负输出配置。通过增加两个电流反馈控制环路,放大器A3成为三个反馈环路的求和点。根据配置,任何环路都可以通过在 V 处供应或吸收电流来接管反馈控制C节点。三反馈环路拓扑(两个电流和一个电压)的独特之处在于它可以支持恒压和/或恒流应用。

图1.LT3477 框图。
电流检测电平可通过 I 处的检测电阻进行调节ADJ1和我ADJ2引 脚。每个电流检测放大器的默认检测电压为100mV,如果IADJ1和我ADJ2引脚连接到高于650mV的电位。如果电位在 IADJ1和我ADJ2引脚低于 625mV,LT3477 线性调节电流检测电平。图2显示了电压检测电平与I的关系调整后引脚电压。对于 LED 驱动器,我ADJ1和我ADJ2引脚可用于调节 LED 电流水平。轨到轨电流检测放大器可实现灵活的电流检测方案。

图2.电流检测放大器电压检测电平与I调整后引脚电压。
应用
降压模式高电流 LED 驱动器
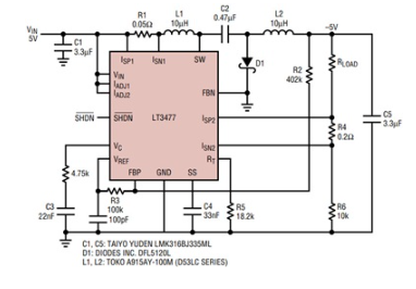
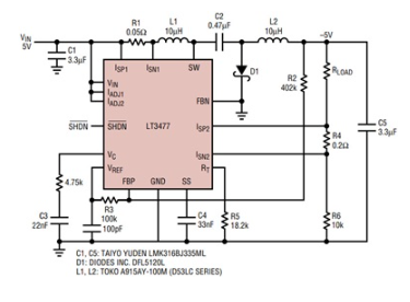
图3显示了驱动大电流LED的典型应用。传统上,LED 驱动器使用一个接地电流检测电阻器来调节电流,但 LT3477 电流检测放大器采用一种高端检测方案工作,因此用于电流反馈的检测电压不再需要接地参考。在降压模式配置中,检测电阻位于输入电源处。LED 位于检测电阻和电感之间,肖特基二极管连接在 SW 和 PV 之间在节点。通过高压侧电流检测,升压转换器可有效转换为降压LED转换器,从而提高器件的功率处理能力。此外,V在提供芯片工作电流的引脚可以连接到较低的电压电平,例如3.3V。因此,芯片本身的功耗也降低了,从而提高了整体效率。通过广泛的电感器和频率选择,可以轻松实现超过 90% 的效率。

图3.降压模式大电流 LED 驱动器。
降压-升压 LED 驱动器
在某些应用中,输入电压可能与总LED压降相当,或者输入电压可能波动至高于或低于总LED压降。降压-升压LED驱动器在此类应用中效果良好。图 4 示出了 LT3477 降压-升压型 LED 驱动器。LED串的阴极端与输入电压相连,使其能够在较宽的输入电压范围内工作。图5中的R6和R4用于LED开路保护。图5是该电路测得的效率。

图5.降压-升压 LED 驱动器效率。
330mA LED 驱动器,带 LED 开路保护
LT3477 还可用于采用传统升压型拓扑和电流检测放大器进行电流调节的 LED 驱动器应用。图6所示为典型应用电路,图7所示为效率。图6使用高压侧电流检测配置进行反馈控制。如果需要,电流检测放大器也可用于此应用的接地电流检测,因此输出可以直接连接到LED串。我SP2将连接到LED的阴极侧,并且ISN2被绑在地面上。电压反馈用于 LED 开路保护。

图7.4W LED 驱动器效率。
具有短路保护功能的5.5V SEPIC转换器
某些应用要求转换器输出与输入直流隔离。SEPIC(单端初级电感转换器)提供了解决方案。图8是一个提供5.5V输出和完全短路保护的实现方案。用于电流检测的电流检测放大器不仅提供出色的短路保护,还有助于软启动输出。精确的输出电流限值确保最大电流设定为 670mA。当负载要求更高时,输出电压将下降,同时保持670mA输出电流。效率如图9所示。

图8.5.5V SEPIC转换器,带短路保护。

图9.5.5V SEPIC转换器,具有短路保护效率。
库克转换器
LT3477 为电压误差放大器的两个输入提供了引脚,因而能够实现负输出电压。图10是使用Cuk拓扑进行5V至–5V转换的实现方案。第一个电流检测放大器用于输入电流限制,第二个电流检测放大器用于接地轨电流检测,以精确限制500mA的负载电流。即使使用两个电流检测放大器,在81mA输出负载下仍可实现高达500%的效率。图 11 显示了效率。

图 10.负输出电压 Cuk 转换器。

图 11.库克转换器的效率。
结论
LT3477 的轨至轨恒定电流 / 恒定电压操作使该器件成为各种恒定电流设计 (包括负输出) 的理想选择。双通道电流检测放大器允许灵活配置输入电流限制、恒定输出电流和故障安全保护,以及出色的输出电压调节。宽输入电压范围和产生高达 42V 输出的能力使 LT3477 具有极其通用的特点。
审核编辑:郭婷