时间:2023-03-24 10:12
人气:
作者:admin
近年来,诸如吸尘器、电动工具(如钻头、锯子和螺丝刀)和园艺工具(如割草机、修边机和草坪拖拉机)等消费品已从依靠绳索和墙壁供电转变为无绳设备和充电电池供电。即使是以前没有动力的自行车,现在也在向电池驱动的电动自行车和电动摩托车转变。
这些电池组通常由单块锂离子电池、锂聚合物电池或磷酸锂电池构成,如果使用不当可能会造成危险,从而导致火灾或爆炸。为确保电池的安全使用,电池组内的电子器件对电池进行监控,使电池仅在电池制造商规定的条件下运行。这些条件通常包括:
最大允许充电电压。
最大充放电电流。
规定的充放电温度范围。
因此,测量电池组内的关键参数至关重要,尤其是电池组内电池电压、电流和温度,因为这些参数超过极限值时,将会触发适当的保护措施。
测量数据必须准确,以便设计人员决定在设计中包含多少裕度。例如,如果电池规格将全充电电压限制为4.3V,但测量数据的精度为±50 mV,则设计人员必须将系统配置为在测量显示电压高于4.25V时禁用充电。但是,由于实际电池电压可能低至4.2V,在这种情况下,充电会在电池充满电之前停止,从而导致应用容量的浪费和电池寿命缩短。
BQ76942和BQ76952等电池组的高精度电池监视器和保护器专为使用锂离子、锂聚合物或磷酸锂电池的应用设计。这些设备支持从3s到10s(BQ76942)和16s(BQ76952)的串联电池组,可以测量电池电压、电流和温度,并可以与其他电路共享数据,例如电池组中的独立微控制器或电动自行车中的系统控制器。BQ76942和BQ76952还可以使用数据自动触发电池保护,禁用电池组以避免超出制造商规范运行,并在条件允许时重新启用电池组,无论是否与主机或系统微控制器交互。
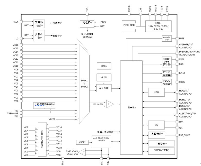
图 1展示了BQ76952的框图,其集成了:
测量和检测子系统,用于监测电压、电流和温度,以便在参数超过允许阈值时进行检测。
驱动外部保护FET和化学熔丝的执行器。
一个数字主机接口子系统,除了用于选择功能的引脚控件外,还支持多个串行通信标准。
多个电压调节器,一个用于内部电路,两个供外部使用。

图1:BQ76952框图
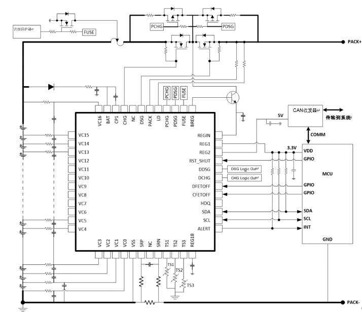
图2显示了基于BQ76952的16s电池组的简化原理图,使用I2C与主微控制器通信。集成调节器为微控制器和可选的外部收发器提供电源轨。

图2:基于BQ76952的16s系统简化原理图
BQ76942和BQ76952中的测量子系统将电池组内的各种电压、电流和温度数字化。由于每个测量都有特定的要求,因而这些测量是以不同的方式获得的。例如,温度变化缓慢,因此可以缓慢地进行测量和计算。然而,电池组电流可能有短脉冲活动,如果不连续采样,可能会遗漏。
处理电压和库仑计数器ADC生成的值,以提供测量数据,这些数据在设备内使用,并可供电池组内的单独处理器、电动工具或电动自行车中的系统控制器访问。这些数据包括:
单块电池的差分电压和选择额外的系统电压。
电池组电流和通过的电荷(库仑计数)。
内部裸片和9个外部热敏电阻温度读数。
支持外部热敏电阻测量的引脚也可用于通用ADC输入,支持不超过~1.8V的输入电压。电压ADC在测量回路上工作,且输入在多个输入之间定期多路复用。BQ76942和BQ76952的测量子系统包括多个可编程选项,可以在测量速度和精度之间进行优化和权衡。
随着电池供电的消费品越来越流行,确保它们在安全电压、电流和温度范围内运行至关重要。具有集成功能的电池监视器可以帮助设计工程师在提高精度的同时解决这三个关键问题。
审核编辑:郭婷