时间:2023-03-20 10:24
人气:
作者:admin
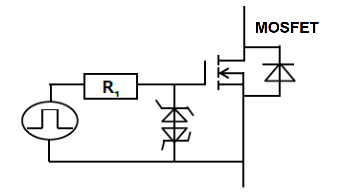
01 栅极-发射极尖峰电压防护
在 MOSFET 的栅极和源极之间添加一个外部齐纳二极管,可以有效防止发生静电放电和栅极尖峰电压。但要注意,齐纳二极管的电容可能有轻微的不良影响。

图 1 栅极尖峰电压的防护
02 最佳的栅极电阻器
开关速度根据栅极电阻器值而有所不同。增大栅极电阻器值会降低MOSFET 的开关速度,并增大其开关损耗。减小栅极电阻器值会增大MOSFET 的开关速度, 但由于线路杂散电感和其它因素的影响,可能在其漏极端子和源极端子之间产生了尖峰电压。 因此,必须选择最佳的栅极电阻器。有时会使用不同的栅极电阻器来开通和关断 MOSFET。图 2 显示了使用不同的栅极电阻器进行开通和关断的示例。

图 2 栅极电阻器
03 栅极故障预防
MOSFET 的一大问题在于其漏栅电容会导致出现寄生开通(自开通)现象。关断后,MOSFET 的源极和漏极之间形成陡峭的 dv/dt。产生的电流经由漏栅电容流到栅极。导致栅极电阻器中发生的电压降提高栅极电压。该电流计算如下: iDG=Cgd·dVDS/dt 图 3 显示了电流通路。 如果 dv/dt 的斜率极为陡峭,则根据栅源电容与栅漏电容的比率为 MOSFET 的栅极施加电压。如果出现这种情况,可能会发生自开通。 如果在二极管反向恢复期间对处于关断状态的 MOSFET 施加快速变化的电压,也可能发生自开通。有三种方法可以防止出现自开通现象:
在栅极和源极之间添加一个电容器
在栅极和源极之间插入的电容器会吸收因 dv/dt 产生的漏栅电流。该电路如图 4 中所示。由于栅源电容器与 Cgs 在 MOSFET 内部并联连接,因此栅极电荷会增加。如果栅极电压固定,您可以通过改变栅极电阻器值来保持 MOSFET 的开关速度不变,但这样会增大消耗的驱动功率。
米勒箝位电路
米勒箝位电路利用开关器件使 MOSFET 的栅极与源极之间的通路发生短路。通过在相关 MOSFET 的栅极和源极之间添加另一个 MOSFET 来实现短路。在图 5 中,如果电压降至预定义电压以下,低于米勒电压,则通过比较器提供逻辑高,开通栅极和源极之间的 MOSFET。而这样又会使输出 MOSFET 的栅源通路发生短路,并抑制通过反馈电容器Crss 和栅极电阻器的电流导致的栅极电压升高。
可将关断栅极电压驱动到负值,避免其超过 Vth。但这种方法需要负电源。

图 3 栅极故障的机理

图 4 在栅极和源极之间添加电容器

图 5 米勒箝位电路
我们使用图 6 中所示的电路模拟自开通现象。自开通由 iDG(dv/dt 电流)和栅极电阻造成,会导致发生误开通。 在反向恢复模式中,如果 Q2 在电感负载电流通过 Q1 的二极管回流时开通,电感电流会流过 Q2,导致相关的二极管关断。我们研究了对关断状态的 MOSFET 施加高 dv/dt 电压时会发生的情况。为促使发生自开通现象,图 6 中只改变了与 Q1 相关的栅极电阻器 R4。

图 6 自开通波形的测试电路

图 7 无自开通的波形(左图) 和 自开通波形(右图) 接下来,如图 8 中所示,我们为图 6 中所示电路在 MOSFET Q1 的栅极端子和源极端子之间添加了一个电容器。该电容器的用途是吸收栅电流(Cgd·dVDS/dt),以便降低栅极电阻器产生的栅极电压,从而降低自开通电压。 图 9 显示了改进后的波形。由于栅源电容器的添加改变了 MOSFET 开关时间,应一并调整其电容和栅极电阻。

图 8 在栅极和源极之间添加电容器

图 9 改进后的自开通波形
编辑:黄飞
下一篇:“文武双全”的卤化物固态电解质