时间:2023-02-28 15:25
人气:
作者:admin
今天将以一款开关电源控制器(MC34063)作为示例来说明前两节所叙述的内容,该芯片可以说是MOTOROLA公司一款很简单耐用的控制器了,对于电源带宽要求不高的用户可以考虑这款芯片,电路也有成熟的设计,网上有很多设计的典型例子,我们主要采用这款芯片,图1是该芯片的结构框图。

图1 MC34063芯片结构图
可以看到该芯片内部集成了电压基准、振荡器以及一组达林顿管用于后级驱动,详情请查看相关的文件或直接向博主索要资料。

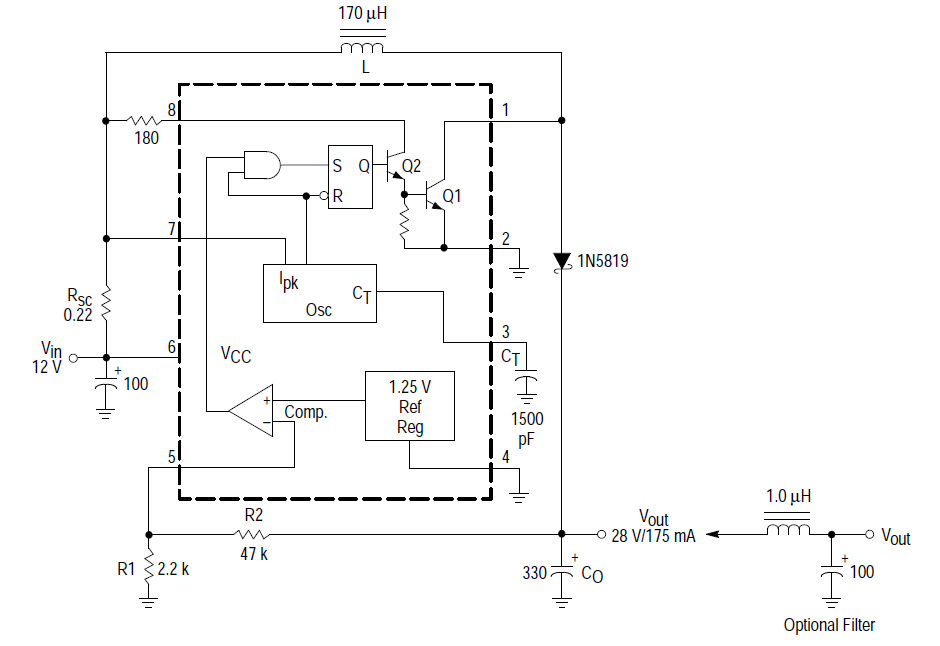
图2 升压电路的典型设计
如图2是一种典型的升压(boost,step up)设计,芯片的输入12V电源,在达林顿管开启时,电源向电感充电,当电感上的电流达到最大值时(这个值是根据负载环境人为设定的,在后续的峰值电流控制方法中将会提及),达林顿管关闭,此时电感向储能电容供电。
2、达林顿管开启和关闭过程中的能量守恒
当开关开启时,电流在电感中建立,该过程在电感不饱和且严格线性的情况下,电流随时间匀速增加,因此,当达到最大电流

时,电感中的能量为:

(1)
对于输出端,在关断时刻,电流将逐渐下降为0,电感此时释放全部能量到电容,此时电感将释放W的能量到储能电容端。设输出端电势为

,则在输出端可以将能量W用输出电压及输出电流的形式(“流入”电容的电流)

(2)
该式子与第一节利用点单的楞次定律推导的结果一致但是亦有不同,这两个式子更为形象,它表明,当电感输出端与储能电容上的电压钳位时,来自电容的电压会阻止电感上的电流流动(注意不是电感上的感应反压,该反电动势只有非钳位情形才有),如果不对占空比进行控制,则当电流减小到0后只能一直维持0电流,直到下一个开关周期开始对电感充电。如图3。

图3 电感电流的变化情况(这里假定电流最终减少到0)
因此,由于输出电压较高,则由于该电压作为电流的反压抑制电流流动,一定程度上会使电流迅速减少至0,因此即使不控制占空比也能使电压升高(或者说是输入输出决定了占空比)
本例中,当输出达到稳态时,按照比较运放comp虚断原理,则输出电压与参考电压之间有如下关系(式3):

(3)
因此只需调整R1,R2的阻值即可获取任意输出电压。本例中,带入阻值可以获得输出电压为27.9545V,datasheet给出结果为28V实际为工程方便而给出的参数。
上一篇:智能监控提高配电网可靠性