时间:2022-11-10 09:48
人气:
作者:admin
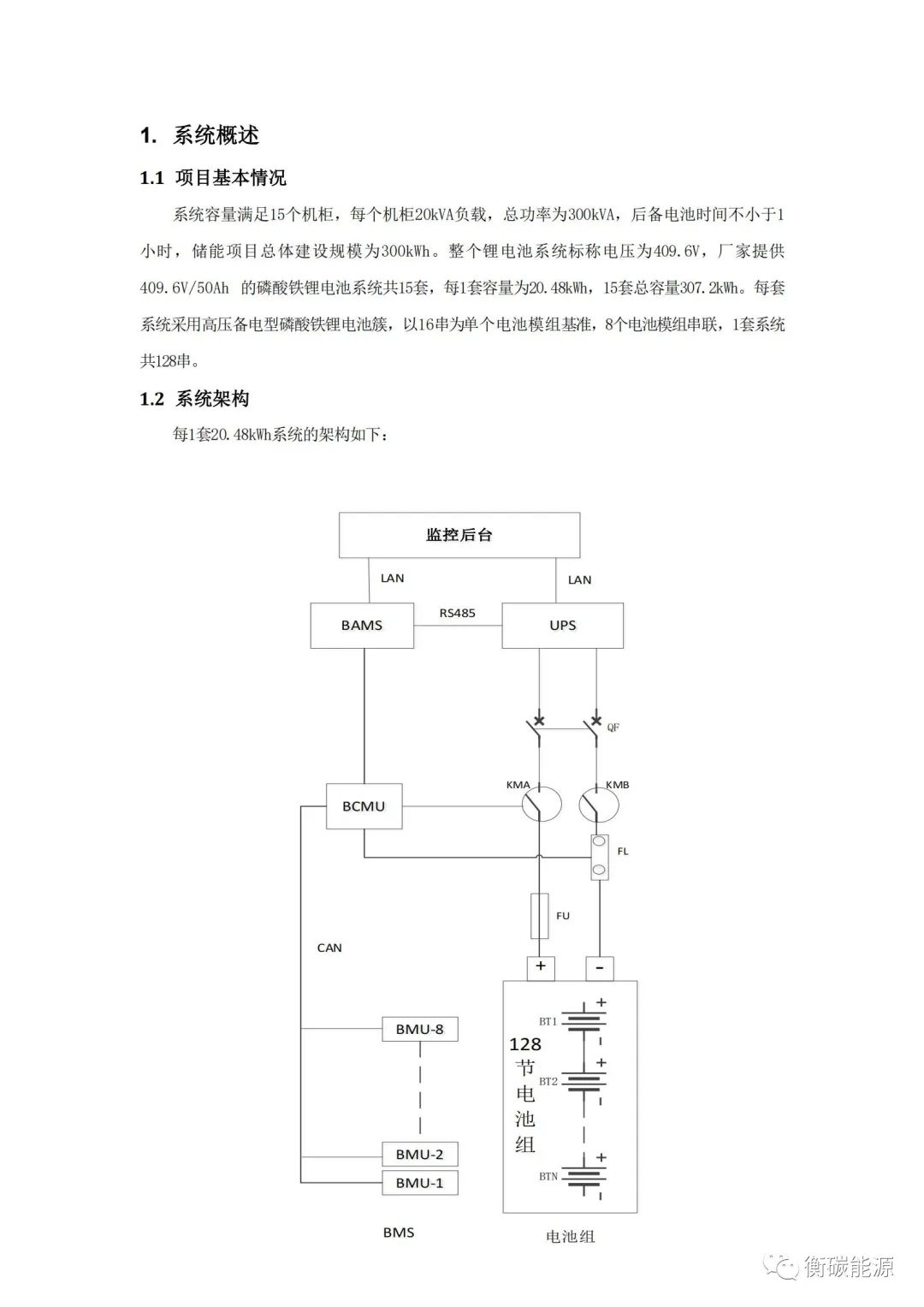
系统容量满足15个机柜,每个机柜20kVA负载,总功率为300kVA, 后备电池时间不小于1小时,储能项目总体建设规模为300kWh。
整个锂电池系统标称电压为409.6V,厂家提供409.6V/50Ah的磷酸铁锂电池系统共15套,每1套容量为20.48kWh,15套总容量307.2kWh。每套系统采用高压备电型磷酸铁锂电池簇,以16串 为单个电池模组基准,8个电池模组串联,1套 系统共128串。



编辑:黄飞
上一篇:线性串联式稳压电路原理