时间:2019-11-04 10:16
人气:
作者:admin
在12V供电端串上电流表,空载开机,调节RP,使电流最小,再接上60W灯泡,调RP,使电流最小,重复空载负载调节多次,直至电流再无法调小,此时贴近变压器听,噪声应该是最小,若没有调节平行,噪声很大,不贴耳也能听到。

下图较为容易制造的逆变器电路图,能够将12V直流电源电压逆变为220V市电电压,电路由BG2和BG3组成的多谐振荡器推进,再经过BG1和BG4驱动,来控制BG6和BG7工作。其中振荡电路由BG5与DW组的稳压电源供电,这样能够使输出频率比拟稳定。在制造时,变压器可选有常用双12V输出的市电变压器。可依据需求,选择恰当的12V蓄电池容量。

电路见图1。当把开关K1打向“逆变”位置时,BG1导通,由时基电路NE555及外围元件组成的无稳态多谐振荡器开始振荡,其充、放电时间常数可调节。如果选择R1=R2,则输出脉冲的占空比为50%,该多谐振荡器的振荡频率f=1.443/(R1+R2+2W)C2,图中的元件数值可使振荡频率调在50Hz,振荡脉冲由役脚输出,波形为方波,该方波经C4耦合,R3、C5积分变为三角波,这个三角波又经R4、C6,第二次积分和R5、C7第三次积分,变为近似的正弦波,通过C8耦合到BG2,由BG2放大后在B1的L2线圈上输出。当L2上端电压为正时,D4截止,D3导通,使BG4、BG6截止,BG3、BG5导通,电流由电瓶正极→B2的L1→BG5→电瓶负极;当L2上端电压为负时,D3截止,D4导通,使BG3、BG5截止,BG4、BG6导通,电流由电瓶正极→B2的L2→BG6→电瓶负极。BG5、BG6交替导通、截止,经变压器B2合成正负对称的正弦波,并由L3升压送至逆变输出插座CZ1、CZ2,供用电器使用,同时LED1(红色)亮,指示逆变状态。
当开关打向“充电”位置时,市电经变压器B2降压、D5、D6全波整流、R11限流后对电瓶充电,同时LED2(绿色)亮,指示充电状态。

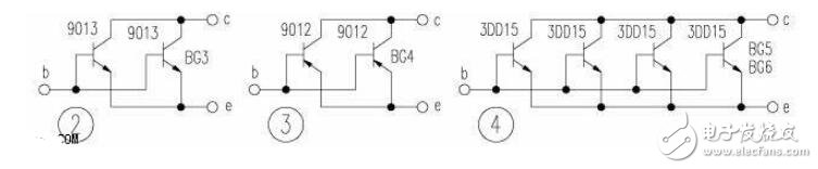
元件选择和制作
本电路中元器件均为易购的常用元器件,按图中所示数值选用即可。B1用收音机输出变压器,应选用铁心大,线径粗的那一类,把原来接喇叭的这一组线圈接在L2位置,BG3、BG4分别用两只9013和9012并联组成,如图2和图3所示。BG5、BG6均由四只3DD15并联组成,如图4所示。BG5、BG6的散热器面积不应小于600cm2,B2逆变变压器可选用成品。整机用印刷线路板可自行设计制作。电瓶选用容量大于150Ah的电瓶。
本逆变器的调试只需调W,使逆变电压频率为50Hz即可。

上一篇:全桥逆变电路图