时间:2019-10-23 10:17
人气:
作者:admin
介绍一款常见车载逆变器电路及工作原理。该车载逆变器的输出功率为70W-150W,逆变器电路中主要采用TL494或KA7500芯片为主的脉宽调制电路。
车载逆变器指标:
输入电压:DC 10V~14.5V;
输出电压:AC 200V~220V±10%;
输出频率:50Hz±5%;
输出功率:70W~150W;
转换效率:大于85%;
逆变工作频率:30kHz~50kHz。

随着汽车的大量普及进入百姓家庭,各种车载用小电器也应运而生。最常见的是,为了方便给手机充电的各种DC-AC逆变器,行车记录仪以及直接将12V转换为5V的DC-DC转换器。早期的车辆都是将这些电器插在点烟器插口上使用,新型车辆在生产时就将DC-DC转换器安装在车内部,外面只留出一个或两个USB接口,使用时只需要插上手机的充电线就可以使用了。但DC-AC逆变器由于工作时电流比较大,笔者还没有看到车上直接有输出AC 220V的接口。目前,一般在使用逆变器时都是插在点烟器插口上,使用结束后直接拔掉或熄火后控制系统会自动终断12V供电电源。
汽车点烟器获取的电压是12的直流电压,一般的12V低压电器可直接使用。但有些CD、MP3、MP4等却需要不同的电源电压,如3V、6V等等。下面简单转换器可解决这一问题。

电路图如上所示,12V电源从车载点烟器插孔取出,经二刀六位波段开关之一SW1A送入可调三端稳压器LM317的输入脚,LM317的调整脚(ADJ)经SW1B接入不同阻值的电阻到电源负端。当SW1在不同档位时,就可在输出端获得1.5V、3.0V、5.0V、6.0V、9.0V、12V几种电压,供相应的低压电器使用。LM317应安装在铝散热器(100×100×25mm)上,主要是因为在1.5V档时发热量较大。整个电路装入适当的小盒中,面板上只设波段开关即可。
图中R2~R6是输出电压设定电阻,若需其它等级电压,可按下式计算:
VOUT=(1+R2/R1)VREF+IADJ≌(1+R2/R1)VREF
式中VREF为基准电压,典型值1.25V,IADJ为ADJ脚流出电流,典型值50μA,R2代表图中R2~R6之一。
图中C1、C2为防振电容,C3可提高纹波除去率和电路稳定性,D1为输出短路保护二极管,D2防止输出端出现高于输入端电位时对稳压器的损害。

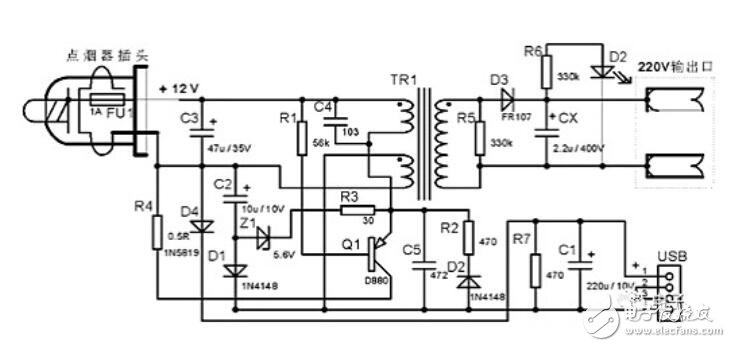
图1是一台DC-AC逆变器,使用中不小心进水后损坏,解体后测量检查,发现Q1、D4、D6均击穿损坏,由于电路已腐蚀,没有了维修价值;

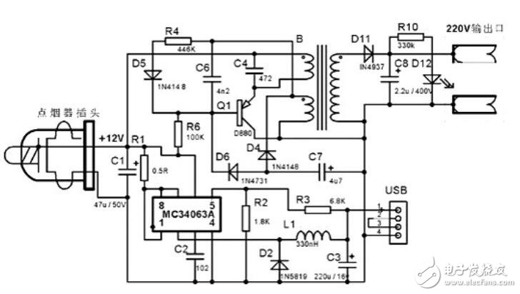
图2是一台DC-AC逆变器的电路图;

图3是一台行车记录仪供电转换器的电路图,厂家为了技术保密,擦除了IC型号;

图4是一台直插式DC-DC转换器的电路图。这几个电路都是按照实物绘出的电路图,供同行爱好者们维修时参考。
由于这些车用设备都设计的比较小巧,元件安装紧凑,散热效果差,所以在使用时,尤其有些老旧车辆没有熄火断电功能,最好在离开车前停用设备,以免过热短路,甚至引发火灾事故。另外,这些设备在熄火后也会耗电,时间长了可能会导致电瓶过放电,无法启动车子。因此,不管什么电器设备,只有安全使用,才能最好的服务于你。
上一篇:晶体管并联稳压电源电路图
下一篇:简单逆变器电路图