时间:2019-10-30 08:53
人气:
作者:admin
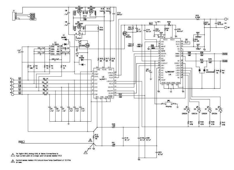
MM1414、S-8254、BQ29311、BQ29312这四个是四节串联锂离子电池保护用的控制芯片,其它是电量计量芯片,也叫GAS GUAGE IC。

它的主要功能是电量测量,此外它还检测电池的各种参数,如电压、电流、温度等,同时还包括与主机的通信。通过SMBUS或单总线,寄存器中还存有其它信息,象制造厂信息,补偿参数,三级终止放电电压等等,有些参数是与电量测量相关的,有的芯片还提供二次保护控制。
具体的情况你可以详细阅读一下数据手册,里面有详细说明。
S-8244是针对3或4节串联锂离子电池的过充电保护控制芯片,它经常用于二次过充电保护控制上,输出常接一个受控温度FUSE,用于过充电保护。
通常的过充电保护由一次保护电路完成,当一次保护电路失效后,二次保护电路可以动作,以避免电池被过充电而发生安全问题,它的保护是一次性的,保护动作后电池就无法使用,而基本的过充电保护是可恢复。
注:电池最容易发生危险是被过充电时,因此才需要二次过充电保护。过放电只会使电芯损坏,却不会导致安全问题。
有人在网上询问:“笔记本电池的保护电路都会做哪些工作?”以下回答来自电气专业人士。
笔记本锂电池充电时若出现过充可能会导致电池爆炸,放电时若出现过放会损坏电池,为了避免这两种状态的发生,一般需要为笔记本的电池添加保护电路,即电池的保护电路板。
电池保护电路会做哪些工作:
简单地说为“过充保护”“过放保护”“过压保护”“过流保护”“温度保护”等
即对电池充电和放电进行保护,防止出现过充、过放、充放电电流过大、电池温度过高等对电池有害的充放电状态出现。
欲知详情,见下图:

笔记本电池保护电路板的基本架构”
首先由电池参数采集电路采集电池的充放电电流、电池电压和电池温度,并将这些参数送至中心控制器;
中心控制器根据预设的电流、电压和温度的阀值进行判断;
若判断结果为以上非法充电放电状态时,则立即关闭串联在主回路上的Mos管来切断充放电回路,从而起到保护电池的作用。
上一篇:电池电路图正负极的判断
下一篇:发电机复压过流保护