时间:2020-09-15 11:47
人气:
作者:admin
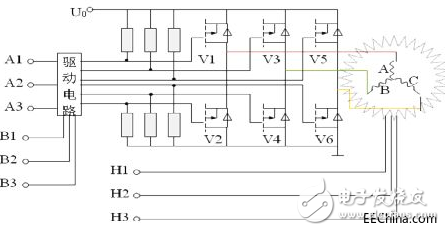
影响电动车质量好坏的原因很多,其中就包括了控制器。而场效应管作为控制器的核心元器件的,它的质量也直接的影响着电动车的质量,10H16场效应管也是电动车控制器上应用得比较多的场效应管之一,但在市场质量参差不齐的情况下,如何选择一款与10H16同质的场效应管来替换代用就显得尤为重要。
如果场效应管的质量不合格,容易出现导通损耗,截止损耗,还有雪崩能量损耗这些问题,一旦出现这些问题导致控制器损坏,就会影响电动车的正常运转,从而影响使用寿命。如果电动车厂家的生产的电动车频繁出现这些问题,不仅会增进企业的维修成本,而且还会影响企业的声誉与长远经营。而飞虹的这款FHP4410低压MOS管,在参数性能方面都可以替代这一款10H16场效应管。
飞虹的这一款FHP4410低压MOS管为N沟道沟槽工艺MOS管,在参数性能上不仅可以替代10H16场效应管,还可以替代IRFB4410效应管,主要应用72V/24-30管电动车控制器电路上。
这个FHP4410低压MOS管的封装形式为TO-220/TO-3PN,脚位排列方式是GDS,Vgs(±V)25,VTH(V)2-4,ID(A)140,BVdss(V)100,Rds(on)[mΩ](typ)Vgs=10V。且FHP4410低压MOS管最大的特点就是内阻小,抗过电流能力好。

这款飞虹的FHP4410低压MOS管,不仅质优价廉,而且还能替代10H16场效应管。除提供免费试样外,飞虹可根据客户需求进行量身定制MOS管产品。
下一篇:光伏反孤岛装置的主要功能和作用