时间:2019-08-01 09:47
人气:
作者:admin
在开关电源中,电压、电流波形均为突变的脉冲状态,元器件所承受电压或电流除加在元器件上的供电电压以外,还有电路中电感成分引起的感应电压、电容器的充电电流等,使得元器件的选择变得复杂化。
实际上,开关电源属有稳压功能的AC/DC或DC/DC变换器,即使所谓DC/DC变换,其中间环节仍然要通过脉冲状态作为转换媒介。实际过程是:DC先逆变成脉冲状态的AC,再由脉冲整流、滤波成为直流电压。在此过程中,整流、滤波元器件要求也与工频整流电路大有区别。工频正弦波交流电源最大值、平均值和有效值都按正弦函数有固定的比例关系,可以对元器件的额定参数进行十分准确的计算。
但是,脉冲波、电压、电流数值的关系不是一成不变的,而是随脉冲波形和负载性质而有很大的变化。
即使采用积分法计算脉冲波形的平均值,要求脉冲波形有一定的规律,而波形幅度与时间关系的不稳定性使这种计算往往难以准确。尤其是脉冲波形的定量测量,也非一般简单仪表所能准确测量的,除了脉冲示波器以外,还没有更简单的方式,例如:开关电源开关管的反向电压值。至于某些情况下要求测出脉冲波的有效值就更困难了。例如:用行逆程脉冲向CRT灯丝供电,要求6.3V的有效值,其准确测量,除用热电偶传感器组成的磁电式仪表或高频率电动式仪表以外,似乎还没有其他的方式。
也就是说,工作在脉冲电路中的元器件欲通过实测电压、电流参数选择其性能是不可能的。至于理论计算,也只能达到近似估计的程度,具体参数选择是在计算结果的基础上宽打窄用。最明显的例子是:单端开关电路,从理论上计算,其开关管反压应为输入电压最大值的两倍。而实际应用中,加在开关管集电极的脉冲波形受储能电感的集总参数、分布参数和电源负载性质的影响,开关管承受反压值将超出理论计算值范围。
因为电感线圈的感应电势不仅与电流变化成正比的函数,而且与产生电流变化的时间成反比。另外,电感线圈的工艺上几乎难以人为控制的分布参数,也使感应电势大幅度超出计算值。因此,在脉冲状态下,不论无源元件还是有源器件,其性能选择不同于普通模拟电路。
在输出低压低的变换器中肖特基作为输出整流管是最好的,因为它正向压降低,又没有反向恢复时间,正确吗?虽然它确实正向压降低和没有反向恢复时间,但肖特基二极管在阴极和阳极之间通常有较大的电容。随加在肖特基上电压变化对此电容必然存在充电和放电(当肖特基几乎没有加电压时,电容最大)。
这种现象非常像普通二极管的反相恢复电流。
视电路不同,也可能其损耗比用一个超快恢复整流管时损耗大得多。还应当注意此结电容,虽然电荷 Q 低,仍然可能与电路中杂散电感引起振荡,在某些谐振设计中利用此特性做成软开关。所以与普通二极管一样有必要给肖特基加一个缓冲电路,这样增加了损耗。此外肖特基在高温和它的额定电压下有很大的漏电流。
漏电流可能将正激变换器次级短路,这也许就是锗二极管漏电流太大而不用的原因。因为这个缘故,为使反向电流不要太大,只能用到肖特基额定电压的 3/4,温度不超过 110℃。高压肖特基与普通二极管正向压降相近。你就没有必要一定要用这样的器件。如果今后技术发展,高压肖特基二极管确实比双极型二极管正向压降低,则另当别论。
设计一个 12V 输出,16A 电流,能否用两个 10A 定额的二极管并联?由于二极管正向压降的负温度系数特性和正向压降的离散性,结果一个电流较大的二极管,损耗加大而温度高,正向压降降低电流继续加大,正反馈,最后导致一个二极管流过全部电流而烧坏,记住了吗?所以虽然能将二极管并联但应当注意热平衡(即确保它们之间最小的热组)。如果用两个分立二极管实际上这样做不会很成功。要是两个二极管做在一个芯片上,具有相同的热和电气特性。可以做到较好均衡。MOSFET 压降具有正温度特性,使得并联容易。
肖特基没有反向恢复时间,而所有双极型二极管都有反向恢复问题。它是在二极管正向导通电流IF关断时刻,由于少数载流子存储效应不能立即消失,还能在短时间trr=ta+tb(图 3.3)流过反方向(即由22阴极到阳极)电流,这个时间trr 叫做反向恢复时间。
图 3.3 图解了这个异常现象。在ta时间内反向电流上升到最大值,在变压器的漏感和引线等寄生电感中存储能量(图 3.4),此后(tb),二极管开始截止,迫使电路中电流减少,存储在电感中的能量释放,与相关电路分布电容形成振荡,产生严重的振铃现象,这对变换器效率、电磁兼容造成极大影响。根据反向恢复时间将二极管的分成不同等级(普通整流管、快恢复,超快恢复等等)。
高频变换器在输出级峰值电压 50V以上总是采用超快恢复二极管,50V以下采用肖特基二极管。输出电压低时采用同步整流MOSFET。同步整流的MOSFET的体二极管恢复速度很慢,通常大约为 1μs。它不适宜作为整流管。这就是为什么通常用肖特基与同步整流MOSFET管并联:在MOSFET关断时肖特基流过几乎全部电流,这意味着体二极管不需要反向恢复。

图 3.3 双极型二极管反向恢复特性
快速二极管损耗小,是否越快越好?但是如果是电网整流二极管用超快恢复二极管不是好主意。问题是快恢复时间产生快速下降沿,引起电磁干扰。在这种情况下,最好还是采用普通的恢复时间 5~10μs 的整流管。高电压定额二极管比低电压定额的二极管有更高的正向压降和较长的恢复时间。这就是为什么在满足电路要求的前提下,尽可能选择较低定额的整流管。大电流定额的二极管比小电流有更长的恢复时间,大马拉小车也不是好主意。
+U -U -U +U初始电流方向 随后电流可能方向

图 3.4 在电流从阳极流向阴极之后,在阳极-阴极之间加反向电压,电流由阴极流向阳极目前使用的功率开关晶体管也称 GTR(巨型晶体管 ) , 有 功 率 双 极 型 晶 体 管 ( BJT) 、 MOSFET 和IGBT。开关电源中功率管主要关心器件的导通电阻(或压降)和开关速度。功率晶体管的导通压降和开关速度都与其电压定额有关。电压定额越高,导通压降越大,开关时间越长。因此,在满足 1.2~1.5 倍工作电压外,尽可能选择电压低的器件。
功率双极型晶体管输出特性有一个以集电极最大电流ICM,集电极最大允许损耗PCM,二次击穿特性Is/b和集电极-发射极击穿电压U(BR)CEO为边界构成的安全工作区(SOA)。不管在瞬态还是在稳态,
晶体管电流与电压轨迹都不应当超出安全工作区对应的边界。同时边界限值与温度、脉冲宽度有关,温度升高有些边界还应当降额。
许多小信号BJT二次击穿特性在ICM,PCM,U(BR)CEO为边界的安全区以内。同时小信号BJT没有开关工作规范,列出最大直流集电极电流,但没有与脉冲电流有关的曲线。如果没有给你电流脉冲电流定额,可假定器件能够处理脉冲电流是额定直流的两倍比较合理。如果这是按照保险丝电流来定额,
脉冲电流幅值与脉冲持续时间有关;事实上,电流限制是限制局部电流过大。短路时不超过 2 倍直流电流最安全。大电流 BJT 功率管(不包括达林顿)的β一般较低,BJT 的β与电流、老化、温度以及电压定额等参数有关。一般取最小β=5~10。不要忘了集电极漏电流,每 10℃增加 1 倍。这将引起截止损耗。为降低晶体管的导通损耗,一般功率管导通时为过饱和状态。但这样增大了存储时间,降低开关了速度。为了减少存储时间,晶体管在关断时一般给 B-E 极之间加反向电压,抽出基区过剩的载流子。如果施加的反压太大,B-E 结将发生反向齐纳击穿。一般硅功率晶体管 B-E 反向击穿电压为5~6V。为避免击穿电流过大,需用一个电阻限制击穿电流。
为了快速关断晶体管,采用抗饱和电路,如图 3.5。电路中集电极饱和电压Uce=UDb+Ube-UDc。如果UDb=Ube=UDc=0.7V,则Uce=0.7V,使得过大的驱动电流流经集电极,降低晶体管的饱和深度,存储时间减少,关断加快。如果允许晶体管饱和压降大,饱和深度降低,二极管Db可以用两个二极管串联,则晶体管饱和压降大约为 1.4V准饱和状态,很小的存储时间,关断时间缩短,但导通损耗加大。

图 3.5 抗饱和电路加速
关断双 极 型功 率管 电 压电 流定 额 越大 ,开 关 速度 越慢 。 例如 采用 抗 饱和 等加 速 开关 措施后,U(BR)CEO=450V,50A开关管可以工作在 50kHz,损耗可以接受。
场效应晶体管有结型和 MOS(Metal Oxide Semiconductor)型。功率场效应管一般是 MOSFET。而MOSFET 还有 P 沟道和 N 沟道。较大功率一般不用 P 沟道,因为与 N 沟道相同电流和电压定额的管子导通电阻比 N 沟道大,同时开关速度也比 N 沟道慢。MOSFET 内部结构源极和漏极对称的,且可以互换的。只要在栅极和源极(漏极)之间加一定正电压(N 沟道),就能导通。因此 MOSFET 也常用于同步整流,它能双向导通电流。
损耗有三个部分:导通损耗,栅极损耗和开关损耗。
导通损耗 MOSFET完全导通时,漏-源之间有一个电阻Ron上的损耗。应当注意手册上导通电阻测试条件,测试时一般栅极驱动电压为 15V。如果你的驱动电压小于测试值,导通电阻应比手册大,而 且 导 通 损 耗 P=RonI2 也 加 大 。 同 时 你 还 应 当 知 道 导 通 电 阻 随 温 度 上 升 而 增 加 , 典 型 为,T-结温。所以如果你要知道实际结温,根据热阻乘以损耗求得结温,再根据新的热态电阻求得损耗,如此反复迭代,直到收敛为止。
如果不收敛,损耗功率太大。25R(T ) = R25 ×1.007T −栅极损耗为驱动栅极电荷损耗。即栅极电容的充放电损耗,它不是损耗MOSFET上,而是栅极电阻或驱动电路上。
虽然电容与栅极电压是高度非线性关系,手册中给出了栅极达到一定电压Ug的电荷Qg,因此将此电荷驱动栅极的功率为P=QgVf。请注意这里没有系数 0.5。
要是实际驱动电压和手册对应的电荷规定电压不同,可以这样近似处理,用两个电压比乘以栅极电荷比较合理。要是你的栅极电压比手册规定高的话,这样做最好。但密勒电容电荷是造成计算误差的主要因素。开关损耗 随着MOSFET的交替导通与截止(非谐振),瞬态电压和电流的交越导致功率损耗,称为开关损耗。
开关电路中带有电感,电流或电压一般总是同时达到最大时转换,如果电流或电压随时间线性变化,由此可以推导出开关损耗:在断续导通模式中,损耗P=IpkUpktsfs/2;而在连续模式中,此损耗加倍。这里Upk为MOSFET由导通到截止时漏-源电压(和截止到导通的连续模式);Ipk为漏极峰值电流;ts为开关过渡时间;fs为开关频率。
这就是为什么栅极驱动越“硬”损耗越低。从损耗的角度希望驱动越硬越好,也就是要求驱动波形的前后沿陡。但因为MOSFET的输入是一个电容,驱动波形越陡,即开关时dUg/dt越大,就意味着必须要求驱动电路提供很大的驱动电流,驱动信号源内阻越小越好。
但是开关速度越快,栅极电路微小寄生参数就会兴风作浪,而EMI问题越突出。总之,MOSFET 的总损耗是通态、栅极电荷和开关损耗之和。而总损耗中仅仅是第一和第三项是损耗在 MOSFET 上的。用这个方法计算损耗,就可以用封装的热阻计MOSFET 是不是过热还是凉的,要是不对,那你肯定算错了。从降低开关损耗的观点要求驱动波形前后沿越陡越好,驱动源是理想电压源。
但是,除了带有驱动电路的功率模块以外,栅极驱动电路不可能与栅极连线最短,连线电感是不可避免的。线路电感与输入电容在驱动电压激励下引起严重的振荡,使驱动无法正常工作。
为此,一般总在MOSFET栅极串联一个电阻,对振荡阻尼在可接受范围内。但是,电阻的加入破坏了驱动的电源压特性,限制了驱动电流,降低了前后沿陡度,驱动波形前沿出现明显指数上升特性,并在驱动达到MOSFET开启电压UT时,由于漏-栅电容放电的密勒效应造成栅极电压“打折”(图 3.6),加大导通损耗。
在关断时,密勒电容的放电效应,使得关断延缓或误导通,增加了关断损耗。因此,栅极电阻不能太大,只要抑制振荡就行。从根本上应当尽量缩短栅极与驱动连接距离。

图 3.6 非理想电压驱动源栅极电压波
形但如果两个 MOSFET 并联,可能你仍用一个电阻,或许用它原来的一半。不,这样不行,即使有另外限流措施,如磁珠串联,仍必须每个栅极一个电阻。
原因是两个 MOSFET 有各自的栅极电荷和引线电感,形成一个欠阻尼振荡网络,而观察到并联的 MOSFET 有 100MHz 振荡!如果用一个数字示波器,并不注意此振荡,你可能看不到它们,但它们引起损耗,当然也引起 EMI。栅极电阻主要是用来阻尼栅极振荡。为了避免振荡,在栅极-源极之间并联一个 20V 稳压二极管,有人用 40V 驱动栅极,使栅极电容充电更快地通过开启电压。
当达到 20V 时,箝位二极管击穿保护栅极电压不要超过它的最大值,这样消耗了更大功率。正确的方法是用低输出阻抗的源驱动栅极。要是功率 MOSFET 导通时间 10ns 的驱动最好。
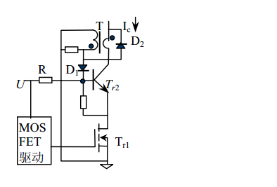
24功率 MOSFET 可以工作范围很广,低电压下几十瓦达 1MHz 以上;数千瓦可达数百 kHz。低电压器件导通电阻很小,随电压定额提高,导通电阻随电压增加指数增加。利用这一特性低电压用于同步整流,也可将低电压 MOSFET 串联在 BJT 发射极,利用 MOSFET 的开关速度,利用 BJT 的电压定额。图 3.6 是这种组合的实用的例子。
图 3.6 中U为MOSFET和BJT驱动电源。T为BJT的比例驱动电流互感器。PWM信号驱动MOSFET(Tr1)。当MOSFET导通时,导通压降很小,将BJT的发射极接地,驱动电源U通过限流电阻R迫使BJT初始导通,一旦BJT开始导通,设置在BJT集电极的电流互感器T在初级流过电流Ic,在次级正比感应电流经D1注入到BJT基极。
一般互感器变比 1/n《(1/β),例如n=1:10,而BJT的最小β=15。这样互感器注入到BJT的电流产生更大的集电极电流,从而更大的基极电流注入,如此正反馈直至BJT饱和导通。
完成导通过程。如果先将 MOSFET 关断,首先 BJT 的发射极电位提高造成 BE 结反偏,集电极电流减少,互感器初级电流减少,基极电流减少,一旦进入 BJT 放大区迅速正反馈关断

图 3.6 MOSFET 与 BJT 组合
大电流低压MOSFET导通电阻非常小,开关速度快;而BJT关断时,承受电压是U(BR)CER。例如,有一个通信电源双路双端正激中采用这种结构。输入电压 550V,峰值电流 23A电路中应用了 60A/50V的MOSFET和 70A/700V(U(BR)CER)的BJT功率管。开关频率达 50kHz。高压 MOSFET 也可与 IGBT 或 BJT 并联,驱动 MOSFET 先开通后关断。因为 MOSFET 承担了开关过渡时间,BJT 或 IGBT 零电压开通与关断;导通时,高压 MOSFET 比 IGBT 或 BJT 具有更高的压降,负载电流大部分流经 IGBT 或 BJT,只有很少部分通过 MOSFET,减少了导通损耗。尽管如此,BJT 或 IGBT 的开关时间仍是限制提高频率的主要因素。
IGBT 结构相似于 MOSFET 与 BJT 符合管。具有 MOSFET 的绝缘栅极输入特性-电压驱动和相似BJT 的导通压降。但是由于 BJT 的基极未引出,导通剩余载流子复合时间长,关断时间长-严重拖尾现象;输出管是 PNP 结构,导通压降一般比 NPN 结构高。器件电压定额一般 500V 以上,电流从数十安到数千安。最适宜变频调速和高功率变换。电压电流越大,可工作的频率就越低